Honda 2001 Body Electrical22A-1
Keyless/Power Door Lock System 22A-158
Previous Page Next Page



Keyless/Power Door Lock System 22A-158

Component Location Index

NOTE: LHD type is shown, RHD type is similar.


1

TRANSMITTER

Test, page 22A-196 Programming, page 22A-197


7

RIGHT REAR DOOR LOCK ACTUATOR

Test, page 22A-193

2

DRIVER'S DOOR LOCK SWITCH

Test, page 22A-198


8

HATCH GLASS OPENER ACTUATOR

Test, page 22A-200

3

IGNITION KEY SWITCH

Test, page 22A-123


9

TAILGATE LOCK ACTUATOR

Test, page 22A-199

4

MULTIPLEX CONTROL UNIT

Input Test, page 22A-185


10

TAILGATE SWITCH

Test, page 22A-120 Replacement, page 22A-120

5

KEYLESS RECEIVER UNIT

Input Test, page 22A-184


11

LEFT REAR DOOR LOCK ACTUATOR

Test, page 22A-193

6

FRONT PASSENGER'S DOOR LOCK ACTUATOR

Test, page 22A-193


12

DRIVER'S DOOR LOCK ACTUATOR/KNOB SWITCH

Actuator Test, page 22A-193 Knob Switch Test, page 22A-226




22A-159

KE model:


1

TAILGATE LOCK ACTUATOR

Test, page 22A-199


10

DRIVER'S SUPER LOCKING CONTROL UNIT

Input Test, page 22A-191

TAILGATE KNOB SWITCH

Test, page 22A-231


11

DRIVER'S DOOR KEY CYLINDER SWITCH

Input Test, page 22A-230

2

HATCH GLASS OPENER ACTUATOR

Test, page 22A-200


12

DRIVER'S SUPER LOCKING ACTUATOR/KNOB SWITCH

Actuator Test, page 22A-193 Knob Switch Test, page 22A-226

3

LEFT REAR DOOR SWITCH


13

DRIVER'S DOOR SWITCH

4

LEFT REAR SUPER LOCKING CONTROL UNIT

Input Test, page 22A-191


14

RIGHT REAR SUPER LOCKING CONTROL UNIT

Input Test, page 22A-191

5

FRONT PASSENGER'S SUPER LOCKING ACTUATOR/KNOB SWITCH

Actuator Test, page 22A-193 Knob Switch Test, page 22A-226


15

RIGHT REAR SUPER LOCKING ACTUATOR/KNOB SWITCH

Actuator Test, page 22A-193 Knob Switch Test, page 22A-226

6

FRONT PASSENGER'S SUPER LOCKING CONTROL UNIT

Input Test, page 22A-191


16

RIGHT REAR DOOR SWITCH

7

KEYLESS RECEIVER UNIT

Input Test, page 22A-184


17

FRONT PASSENGER'S DOOR SWITCH

8

MULTIPLEX CONTROL UNIT

Input Test, page 22A-185


18

LEFT REAR SUPER LOCKING ACTUATOR/KNOB SWITCH

Actuator Test, page 22A-193 Knob Switch Test, page 22A-226

9

IGNITION KEY SWITCH

Test, page 22A-123


19

TAILGATE SWITCH

Test, page 22A-120 Replacement, page 22A-120




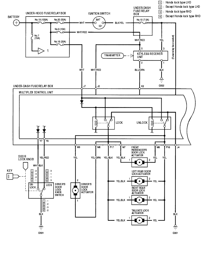
Circuit Diagram - With Super Locking 22A-160


22A-161


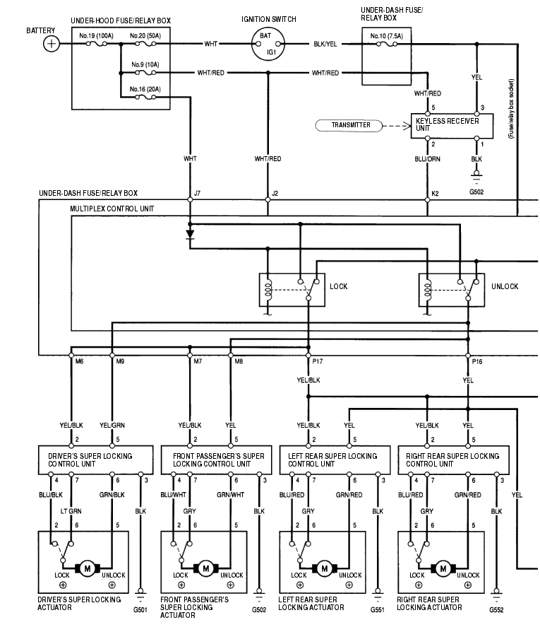
Circuit Diagram - With Super Locking (cont'd) 22A-162


Circuit Diagram - Without Super Locking 22A-163


1

HORN

To page 22A-183




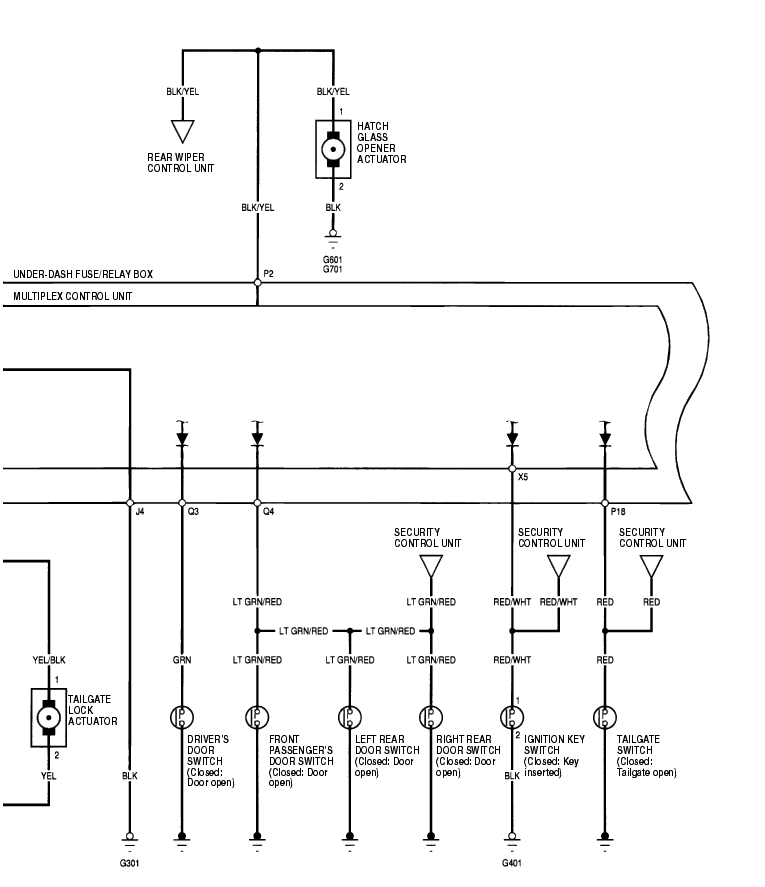
Circuit Diagram - Without Super Locking (cont'd) 22A-164


1

No.7 (15A) FUSE

From page 22A-182




Keyless Receiver Unit Input Test 22A-165

  1. Remove the heater control panel or climate control unit (see page 21-24) .
  2. Disconnect the 5P connector (A) from the keyless receiver unit (B).


  3. Inspect the connector and socket terminals to be sure they are all making good contact.
  4. If the terminals are bent, loose or corroded, repair them as necessary, and recheck the system.
  5. If the terminals are OK, go to step 5.
  6. Reconnect the connector, and make these input tests at the connector.
  7. If any test indicates a problem, find and correct the cause, then recheck the system.
  8. If all the input tests prove OK, go to step 5.

    Cavity

    Wire

    Test condition

    Test: Desired result

    Possible cause if result is not obtained

    1 BLK Under all conditions Check for continuity to ground: There should be continuity.
  9. Poor ground (G502)
  10. An open in the wire
  11. 3 YEL Ignition switch ON (II) Check for voltage to ground: There should be battery voltage.
  12. Blown No. 10 (7.5A) fuse in the under-dash fuse/relay box
  13. An open in the wire
  14. Ignition switch OFF Check for voltage to ground: There should be no voltage.
  15. Short to power on No. 10 (7.5A) fuse circuit
  16. 5 WHT/RED Under all conditions Check for voltage to ground: There should be battery voltage.
  17. Blown No. 9 (10A) fuse in the under-hood fuse/relay box
  18. An open in the wire



  19. Disconnect the connector, and make this input test at the connector.
  20. If the test indicates a problem, find and correct the cause, then recheck the system.
  21. If the input test prove OK, replace the keyless receiver unit.

    Cavity

    Wire

    Test condition

    Test: Desired result

    Possible cause if result is not obtained

    2 BLU/ORN Ignition switch OFF, under-dash fuse/relay box connector K (17P) disconnected Check for continuity between the No. 2 terminal and the No. 2 terminal of the under-dash fuse/relay box connector K (17P). There should be continuity.
  22. An open in the wire
  23. A short to ground in the wire
  24. Check for continuity between the No. 2 terminal and body ground: There should be no continuity.




Control Unit Input Test - Without Super Locking 22A-166

NOTE: For the hatch glass unlock button test, refer to the rear wiper control unit input test (see page 22A-246) .

  1. Before testing, troubleshoot the multiplex control system (see page 22A-261) .
  2. Remove the dashboard lower cover.
  3. Disconnect the under-dash fuse/relay box connectors.
  4. NOTE: All connectors are wire side of female terminals.


  5. Inspect the connector and socket terminals to be sure they are all making good contact.
  6. If the terminals are bent, loose or corroded, repair them as necessary, and recheck the system.
  7. If the terminals look OK, go to step 5.

22A-167

  1. With the connectors still disconnected, make these input tests at the connector.
  2. If any test indicates a problem, find and correct the cause, then recheck the system.
  3. If all the input tests prove OK, go to step 6.

    Cavity

    Wire

    Test condition

    Test: Desired result

    Possible cause if result is not obtained

    J4 BLK Under all conditions Check for continuity to ground: There should be continuity.
  4. Poor ground (G301)
  5. An open in the wire
  6. J2 WHT/RED Under all conditions Check for voltage to ground: There should be battery voltage.
  7. Blown No. 9 (10A) fuse in the under-hood fuse/relay box
  8. An open in the wire
  9. J7 WHT Under all conditions Check for voltage to ground: There should be battery voltage.
  10. Blown No. 16 (20A) fuse in the under-hood fuse/relay box
  11. An open in the wire
  12. M7 YEL/BLK Connect J7 terminal to M6 [or M9] terminal, and M9 [or M6] terminal to F3 terminal. Check actuator operation: The driver's door lock actuator should lock [or unlock].
  13. Blown No. 16 (20A) fuse in the under-hood fuse/relay box
  14. Faulty driver's door lock actuator
  15. An open in the wire
  16. M9 YEL/GRN
    M6 YEL/BLK Connect J7 terminal to M7 [or M8] terminal, and M8 [or M7] terminal to F3 terminal. Check actuator operation: The front passenger's door lock actuator should lock [or unlock].
  17. Blown No. 16 (20A) fuse in the under-hood fuse/relay box
  18. Faulty front passenger's door lock actuator
  19. An open in the wire
  20. M8 YEL
    P16 YEL Connect J7 terminal to P17 [or P16] terminal, and P16 [or P17] terminal to F3 terminal. Check actuator operation: The both rear door lock actuator should lock [or unlock].
  21. Blown No. 16 (20A) fuse in the under-hood fuse/relay box
  22. Faulty left or right door lock actuator
  23. An open in the wire
  24. P17 YEL/BLK
    K2 BLU/ORN Under all conditions Check for continuity between the K2 terminal and the keyless receiver unit 5P connector No. 2 terminal with 5P connector disconnected: There should be continuity.
  25. An open in the wire
  26. Y2* BLU/ORN Under all conditions Check for continuity between the Y2 terminal and the security control unit A17 terminal with the security control unit 20P connector disconnected: There should be continuity.
  27. An open in the wire
  28. Y3* LT GRN/ BLK Under all conditions Check for continuity between the Y3 terminal and the security control unit A6 terminal with the security control unit 20P connector disconnected: There should be continuity.
  29. An open in the wire



  30. *: With security system

Control Unit Input Test - Without Super Locking (cont'd) 22A-168

  1. Reconnect all connections to the under-dash fuse/relay box, and make sure these input tests at the appropriate connectors on the under-dash fuse/relay box.
  2. If any test indicates a problem, find and correct the cause, then recheck the system.
  3. If all the input tests prove OK, the multiplex control unit must be faulty, replace the under-dash fuse/relay box assembly.

    Cavity

    Wire

    Test condition

    Test: Desired result

    Possible cause if result is not obtained

    P18 RED Tailgate open Check for voltage to ground: There should be 1 V or less.
  4. Poor ground (G601 or G553)
  5. Faulty trunk or tailgate switch
  6. An open in the wire
  7. Tailgate closed Check for voltage to ground: There should be 5 V or more.
  8. Faulty trunk switch
  9. Short to ground
  10. Q3 GRN Driver's door open Check for voltage to ground: There should be 1 V or less.
  11. Faulty driver's door switch
  12. An open in the wire
  13. Driver's door closed Check for voltage to ground: There should be 5 V or more.
  14. Faulty driver's door switch
  15. Short to ground
  16. Q4 LT GRN/ RED Passenger's door open Check for voltage to ground: There should be 1 V or less.
  17. Faulty passenger's door switch
  18. An open in the wire
  19. Passenger's door closed Check for voltage to ground: There should be 5 V or more.
  20. Faulty passenger's door switch
  21. Short to ground
  22. X5 RED/WHT Ignition key inserted into the ignition switch Check for voltage to ground: There should be 1 V or less.
  23. Poor ground (G401)
  24. Faulty ignition key switch
  25. An open in the wire
  26. Ignition key removed from the ignition switch Check for voltage to ground: There should be 5 V or more.
  27. Faulty ignition key switch
  28. Short to ground
  29. Y7 WHT/BLK Driver's door lock knob switch unlocked Check for voltage to ground: There should be less than 1 V.
  30. Poor ground (G501)
  31. Faulty driver's door lock knob switch
  32. An open in the wire
  33. Driver's door lock knob switch locked Check for voltage to ground: There should be 5 V or more.
  34. Faulty driver's door lock knob switch
  35. Short to ground
  36. Y8 YEL/RED Driver's door lock knob switch locked Check for voltage to ground: There should be 1 V or less.
  37. Poor ground (G501)
  38. Faulty driver's door lock knob switch
  39. An open in the wire
  40. Driver's door lock knob switch unlocked Check for voltage to ground: There should be 5 V or more.
  41. Faulty driver's door lock knob switch
  42. Short to ground
  43. Y10 WHT/GRN Driver's door lock switch unlocked Check for voltage to ground: There should be 1 V or less.
  44. Poor ground (G501)
  45. Faulty driver's door lock switch
  46. An open in the wire
  47. Driver's door lock switch in neutral Check for voltage to ground: There should be 5 V or more.
  48. Faulty driver's door lock switch
  49. Short to ground
  50. Y12 WHT/BLU Driver's door lock switch locked Check for voltage to ground: There should be 1 V or less.
  51. Poor ground (G501)
  52. Faulty driver's door lock switch
  53. An open in the wire
  54. Driver's door lock switch in neutral Check for voltage to ground: There should be 5 V or more.
  55. Faulty driver's door lock switch
  56. Short to ground
  57. P2 BLK/YEL Press the keyless transmitter hatch glass unlock button Check for voltage to ground: There should be battery voltage for a moment.
  58. Poor ground (G601, G701)
  59. Faulty hatch glass opener actuator
  60. An open in a wire
  61. C11 BLU Under all conditions Attach to ground: Parking, side marker, license plate lights and taillights should come on.
  62. Blown No. 2 (15A) fuse in the under-hood fuse/relay box
  63. Faulty taillight relay
  64. Faulty under-dash fuse/relay box
  65. An open in the wire
  66. F7 BLU/RED Under all conditions Attach to ground: Headlights should come on.
  67. Blown No. 15 or 17 (15A) fuse in the under-hood fuse/relay box
  68. Faulty headlight relay 1 or 2
  69. An open in the wire
  70. J6 ORN Under all conditions Attach to ground: The horn should sound.
  71. Blown No. 7 (15A) fuse in the under-hood fuse/relay box
  72. Faulty horn relay
  73. Faulty horn
  74. An open in the wire



Control Unit Input Test - With Super Locking 22A-169

NOTE: For the hatch glass unlock button test, refer to the rear wiper control unit input test (see page 22A-246) .

  1. Before testing, troubleshoot the multiplex control system (see page 22A-261) .
  2. Remove the dashboard lower cover.
  3. Disconnect the under-dash fuse/relay box connectors.
  4. NOTE: All connectors are wire side of female terminals.


  5. Inspect the connector and socket terminals to be sure they are all making good contact.
  6. If the terminals are bent, loose or corroded, repair them as necessary, and recheck the system.
  7. If the terminals look OK, go to step 5.

Control Unit Input Test - With Super Locking (cont'd) 22A-170

  1. Reconnect the connectors, and make these input tests at the connector.
  2. If any test indicates a problem, find and correct the cause, then recheck the system.
  3. If all the input tests prove OK, go to step 6.

    Cavity

    Wire

    Test condition

    Test: Desired result

    Possible cause if result is not obtained

    J2 WHT/RED Under all conditions Check for voltage to ground: There should be battery voltage.
  4. Blown No. 9 (10A) fuse in the under-hood fuse/relay box
  5. An open in the wire
  6. J7 WHT Under all conditions Check for voltage to ground: There should be battery voltage.
  7. Blown No. 16 (20A) fuse in the under-hood fuse/relay box
  8. An open in the wire
  9. K2 BLU/ORN Under all conditions Check for continuity between the K2 terminal and the keyless receiver unit 5P connector No. 2 terminal with the 5P connector disconnected: There should be continuity.
  10. An open in the wire
  11. M6 YEL/BLK Connect J7 terminal to M7 [or M8] terminal, and M8 [or M7] terminal to F3 terminal. Check actuator operation: The front passenger's door lock actuator should lock [or unlock].
  12. Blown No. 16 (20A) fuse in the under-hood fuse/relay box
  13. Faulty actuator
  14. Faulty super locking control unit
  15. An open in the wire
  16. M8 YEL
    M7 YEL/BLK Connect J7 terminal to M6 [or M9] terminal, and M9 [or M6] terminal to F3 terminal. Check actuator operation: The driver's door lock actuator should lock [or unlock].
  17. Blown No. 16 (20A) fuse in the under-hood fuse/relay box
  18. Faulty actuator
  19. Faulty super locking control unit
  20. An open in the wire
  21. M9 YEL/GRN
    P17 YEL/BLK Connect J7 terminal to P17 [or P16] terminal, and P16 [or P17] terminal to F3 terminal. Check actuator operation: The left rear door, right rear door and tailgate lock actuator should lock [or unlock].
  22. Blown No. 16 (20A) fuse in the under-hood fuse/relay box
  23. Faulty actuator
  24. Faulty left rear or right rear super locking control unit.
  25. An open in the wire
  26. P16 YEL
    J4 BLK Under all conditions Check for continuity to ground: There should be continuity.
  27. Poor ground (G301)
  28. An open in the wire



22A-171

  1. Reconnect all connector to the under-dash fuse/relay box, and make sure these input tests at the appropriate connectors on the under-dash fuse/relay box.
  2. If any test indicates a problem, find and correct the cause, then recheck the system.
  3. If all the input tests prove OK, the multiplex control unit must be faulty, replace the under-dash fuse/relay box assembly.

    Cavity

    Wire

    Test condition

    Test: Desired result

    Possible cause if result is not obtained

    P18 RED Tailgate open Check for voltage to ground: There should be 1 V or less.
  4. Poor ground (G601)
  5. Faulty tailgate latch switch
  6. An open in the wire
  7. Tailgate closed Check for voltage to ground: There should be 5 V or more.
    X5 RED/WHT Ignition key inserted into the ignition switch Check for voltage to ground: There should be 1 V or less.
  8. Poor ground (G401)
  9. Faulty ignition key switch
  10. An open in the wire
  11. Ignition key removed from the ignition switch Check for voltage to ground: There should be 5 V or more.
    Q3 GRN Driver's door open Check for voltage to ground: There should be 1 V or less.
  12. Faulty driver's door switch
  13. An open in the wire
  14. Driver's door closed Check for voltage to ground: There should be 5 V or more.
    Q4 LT GRN/ RED Passengers door open Check for voltage to ground: There should be 1 V or less.
  15. Faulty passenger's door switch
  16. An open in the wire
  17. Passenger's door closed Check for voltage to ground: There should be 5 V or more.
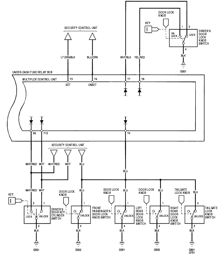
    Y4 BLU Front passenger's, tailgate, left rear or right rear door lock knob switch unlocked Check for voltage to ground: There should be 1 V or less.
  18. Faulty front passenger's, tailgate, left rear or right rear door lock knob switch
  19. Poor ground (G502, G551, G552, G601, G701)
  20. An open in the wire
  21. X6 WHT/RED Driver's door key cylinder switch lock Check for voltage to ground: There should be 1 V or less.
  22. Faulty driver's door key cylinder switch
  23. Poor ground (G501)
  24. An open in the wire
  25. Driver's door key cylinder switch in neutral Check for voltage to ground: There should be 5 V or more.
    Y13 WHT Driver's door key cylinder switch unlocked Check for voltage to ground: There should be 1 V or less.
    Driver's door key cylinder switch in neutral Check for voltage to ground: There should be 5 V or more.
    Y7 WHT/BLK Driver's door lock knob switch unlocked Check for voltage to ground: There should be less than 1 V.
  26. Poor ground (G501)
  27. Faulty driver's door lock knob switch
  28. An open in the wire
  29. Driver's door lock knob switch locked Check for voltage to ground: There should be 5 V or more.
  30. Faulty driver's door lock knob switch
  31. Short to ground
  32. Y8 YEL/RED Driver's door lock knob switch locked Check for voltage to ground: There should be 1 V or less.
  33. Poor ground (G501)
  34. Faulty driver's door lock knob switch
  35. An open in the wire
  36. Driver's door lock knob switch unlocked Check for voltage to ground: There should be 5 V or more.
  37. Faulty driver's door lock knob switch
  38. Short to ground
  39. Y2 BLU/ORN Under all conditions Check for continuity between the Y2 terminal and the security control unit A17 terminal with the security control unit 20P connector disconnected: There should be continuity.
  40. An open in the wire
  41. Y3 LT GRN/ BLK Under all conditions Check for continuity between the Y3 terminal and the security control unit A6 terminal with the security control unit 20P connector disconnected: There should be continuity.
  42. An open in the wire
  43. P2 BLK/YEL Press the keyless transmitter hatch glass unlock button Check for voltage to ground: There should be battery voltage for a moment.
  44. Poor ground (G601, G701)
  45. Faulty hatch glass opener actuator
  46. An open in a wire



Super Locking Control Unit Input Test 22A-172

  1. Remove the each door panel (see page 20-6) .
  2. Disconnect the 8 P connector (A) from the super locking control unit (B).
  3. Inspect the connector and socket terminals to be sure they are all making good contact.
  4. If the terminals are bent, loose or corroded, repair them as necessary, and recheck the system.
  5. If the terminals look OK, make the following input tests at the connector.
  6. If a test indicates a problem, find and correct the cause, then recheck the system.
  7. If all the input tests prove OK, the control unit must be faulty, replace it.


22A-173

Cavity

Wire

Test condition

Test: Desired result

Possible cause if result is not obtained

3 BLK Under all conditions Check for continuity to ground: There should be continuity.
  • Poor ground (G501, G502, G551, G552)
  • An open in the wire
  • 2 YEL/BLK Connect the No. 2 terminal to the No. 7 terminal and the No. 6 terminal to the No. 3 terminal momentarily with ignition switch ON (II) Check actuator operation: The actuator should lock.
  • Faulty door lock actuator
  • An open in the wire
  • 7 LT GRN [GRY]
    5 YEL/GRN [YEL] Connect the No. 5 terminal to the No. 6 terminal and the No. 7 terminal to the No. 3 terminal momentarily with ignition switch ON (II) Check actuator operation: The actuator should unlock.
    6 GRN/BLK [GRN/WHT or GRN/ RED]
    4 BLU/BLK [BLU/WHT or BLU/ RED] Under all conditions Check for continuity between the No. 4 terminal and No. 2 terminal of the actuator. There should be continuity.
  • An open in the wire



  • [ ]: Passenger's
  • Door Lock Actuator Test 22A-174

    Driver's Door without Super Locking:

    1. Remove the driver's door panel (see page 20-9) .
    2. Disconnect the 2P connector (A) from the actuator.


    3. Check actuator operation by connecting power and ground according to the table. To prevent damage to the actuator, apply battery voltage only momentarily.


    4. If the actuator does not work as specified, replace it.

    Driver's Door with Super Locking:

    1. Remove the driver's door panel (see page 20-9) .
    2. Disconnect the 6P connector (A) from the actuator.


    3. Check actuator operation by connecting power and ground according to the table. To prevent damage to the actuator, apply battery voltage only momentarily.


    4. If the actuator does not work as specified, replace it.

    22A-175

    Passenger's Door without Super Locking:

    1. Remove the passenger's door panel (see page 20-9) .
    2. Disconnect the 2P connector (A) from the actuator.


    3. Check actuator operation by connecting power and ground according to the table. To prevent damage to the actuator, apply battery voltage only momentarily.


    4. If the actuator does not work as specified, replace it.

    Passenger's Door with Super Locking:

    1. Remove the passenger's door panel (see page 20-9) .
    2. Disconnect the 6P connector (A) from the actuator.


    3. Check actuator operation by connecting power and ground according to the table. To prevent damage to the actuator, apply battery voltage only momentarily.


    4. If the actuator does not work as specified, replace it.

    Transmitter Test 22A-176

    NOTE:

  • If the doors unlock or lock with the transmitter, but the LED on the transmitter does not come on, the LED is faulty; replace the transmitter.
  • If any door is open, you cannot lock the door with the transmitter.
  • If you unlocked the doors with the transmitter, but do not open any of the doors within 30 seconds, the doors relock automatically.
  • The doors do not lock or unlock with the transmitter if the ignition key is in the ignition switch.
  • Using a keyless entry checker (07MAJ-SP00300):
    Put the transmitter (A) on the keyless entry checker (B) and press the button.

  • If the ray indicator light (C) does not come on, check for:
  • a dead or low battery.
  • faulty transmitter.
  • If the ray indicator light comes on, the transmitter is OK.
  • NOTE: When the transmitter battery was replaced, aim the transmitter at the receiver, and press the transmitter button six times. The receiver is located behind the center lower panel. Confirm you can hear the sound of the door lock actuators when you press the sixth time.


    Transmitter Programming 22A-176

    Storing transmitter codes:

    The codes of up to three transmitters can be programmed into the keyless receiver unit memory. (If a fourth code is stored, the code that was programmed first will be erased.)

    NOTE: It is important to maintain the time limits between the steps. Make sure the doors and the tailgate are closed.

    1. Turn the ignition switch ON (II).
    2. Within 1 to 4 seconds, push the transmitter lock or unlock button.
    3. Within 1 to 4 seconds, turn the ignition switch OFF.
    4. Within 1 to 4 seconds, turn the ignition switch ON (II).
    5. Within 1 to 4 seconds, push the transmitter lock or unlock button.
    6. Within 1 to 4 seconds, turn the ignition switch OFF.
    7. Within 4 seconds, turn the ignition switch ON (II).
    8. Within 1 to 4 seconds, push the transmitter lock or unlock button.
    9. Within 1 to 4 seconds, turn the ignition switch OFF.
    10. Within 4 seconds, turn the ignition switch ON (II).
    11. Within 1 to 4 seconds, push the transmitter lock or unlock button.
    12. Confirm you can hear the sound of the door lock actuators. Within 1 to 4 seconds, push the transmitter lock or unlock button again.
    13. Within 10 seconds, press the transmitter lock or unlock buttons on the two additional transmitters. Confirm that you can hear the sound of the door lock actuators after each transmitter code is stored.
    14. Turn the ignition switch OFF, and remove the key.
    15. Confirm proper operation of the transmitters.

    Door Lock Switch Test 22A-177

    1. Remove the door panel (see page 20-9) .
    2. Remove the two mounting screws and the door lock switch.


    3. Check for continuity between the No. 1 and No. 2 terminals:
    4. There should be continuity when the door lock switch is in the LOCKED position.
    5. There should be no continuity when the door lock switch is in the UNLOCKED position.
    6. Check for continuity between the No. 2 and No. 3 terminals:
    7. There should be continuity when the door lock switch is in the UNLOCKED position.
    8. There should be no continuity when the door lock switch is in the LOCKED position.
    9. If the continuity is not as specified, replace the door lock switch.

    Tailgate Lock Actuator Test 22A-178

    1. Remove the tailgate lower trim panel (see page 20-80) .
    2. Disconnect the 2P connector from the actuator.


    3. Check actuator operation by connecting power and ground according to the table. To prevent damage to actuator, apply battery voltage only momentarily.


    4. If the actuator does not operate as specified, replace it.

    Hatch Glass Opener Actuator Test 22A-178

    1. Remove the tailgate lower trim panel (see page 20-80) .
    2. Disconnect the 2P connector from the actuator.


    3. Connect power to the No. 1 terminal and ground to the No. 2 terminals momentarily. The actuator should operate.
    4. If the actuator does not operate as specified, replace it.


    Honda 2001 Body Electrical22A-1
    Keyless/Power Door Lock System 22A-158
    Previous Page Next Page