Honda 2001 Body Electrical22A-1
Interior Lights 22A-106
Previous Page Next Page



Interior Lights 22A-106

Component Location Index

NOTE: LHD type is shown, RHD type is similar.


1

REAR CEILING LIGHT

Test, page 22A-118 ; Replacement, page 22A-118

2

FRONT CEILING LIGHT

Test, page 22A-118 ; Replacement, page 22A-118

3

SPOTLIGHT

Test, page 22A-116 ; Replacement, page 22A-116

4

GLOVE BOX LIGHT

Test, page 22A-118 ; Replacement, page 22A-118

5

HATCH GLASS LATCH SWITCH

Test, page 22A-119 ; Replacement, page 20-166

6

TAILGATE SWITCH

Test, page 22A-120 ; Replacement, page 22A-120




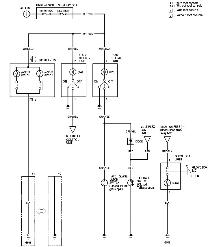
Circuit Diagram 22A-107


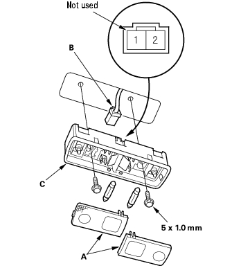
Spotlights Test/Replacement 22A-108

With Roof Console:
  1. Turn the light switch OFF.
  2. Carefully pry off the lens (A) with a small screwdriver.

Spotlight: 4CP


  1. Remove the four mounting screws.
  2. Disconnect the 3P connector (B) from the housing (C).
  3. Check for continuity between the terminals in each switch position according to the table.


  4. If the continuity is not as specified, check the bulb (D). If the bulb is OK, replace the light.
Without Roof Console:
  1. Turn the light switch OFF.
  2. Carefully pry off the lenses (A) with a small screwdriver.

Spotlight: 8 W x 2


  1. Remove the two mounting bolts.
  2. Disconnect the 2P connector (B) from the housing (C).
  3. Check for continuity between the terminals in each switch position according to the table.


  4. If the continuity is not as specified, check the bulb (D). If the bulb is OK, replace the light.
  5. When installing the spotlights housing, if the threads in the ET screw are worn out, use an oversized ET screw made specifically for this application.

Ceiling Light Test/Replacement 22A-109

  1. Turn the light switch OFF.
  2. Carefully pry off the lens (A) with a small screwdriver.

Ceiling Light: 8 W


  1. Remove the two mounting screws.
  2. Disconnect the 3P connector (B) from the housing (C).
  3. Check for continuity between the terminals in each switch position according to the table.


  4. When installing the ceiling light housing, if the threads in the ET screw are worn out, use an oversized ET screw made specifically for this application.

Glove Box Light Test/Replacement 22A-109

  1. Open the glove box.
  2. Disconnect the 2P connector from the glove box light (A).

Glove Box Light: 3.4 W


  1. Check for continuity between the No. 1 and No. 2 terminals.
  2. There should be continuity with the switch released.
  3. There should be no continuity with the switch pushed.
  4. If the continuity is not as specified, check the bulb (B). If the bulb is OK, replace the light.

Hatch Glass Latch Switch Test 22A-110

  1. Remove the tailgate lower trim panel (see page 20-80) .
  2. Push the hatch glass opener switch, and open the hatch glass.
  3. Disconnect the connector (A) from the hatch glass opener (B).


  4. Check for continuity between the opener switch positive terminal (C) and body ground.
  5. There should be continuity with the hatch glass opened.
  6. There should be no continuity with the hatch glass closed.
  7. If the continuity is not as specified, replace the hatch glass latch switch.

Tailgate Switch Test/Replacement 22A-110

  1. Open the tailgate.
  2. Remove the mounting screw from the tailgate switch.
  3. Disconnect the connector (A) from the tailgate switch (B).


  4. Check for continuity between the tailgate switch positive terminal (C) and body ground.
  5. There should be continuity with the switch released (tailgate open position).
  6. There should be no continuity with the switch pushed (tailgate open position).
  7. If the continuity is not as specified, replace the tailgate switch.


Honda 2001 Body Electrical22A-1
Interior Lights 22A-106
Previous Page Next Page