Honda 2001 Body Electrical22A-1
Multiplex Control System 22A-227
Previous Page Next Page



Multiplex Control System 22A-227

Component Location Index

NOTE: LHD type is shown, RHD type is similar.


1

IGNITION KEY LIGHT

Test, page 22A-124

2

GAUGE ASSEMBLY

3

MULTIPLEX CONTROL UNIT

(Built into the under-dash fuse/relay box)

Troubleshooting, page 22A-261 ; Input Test, page 22A-269

4

ECM/PCM

5

FRONT CEILING LIGHT

Test, page 22A-118




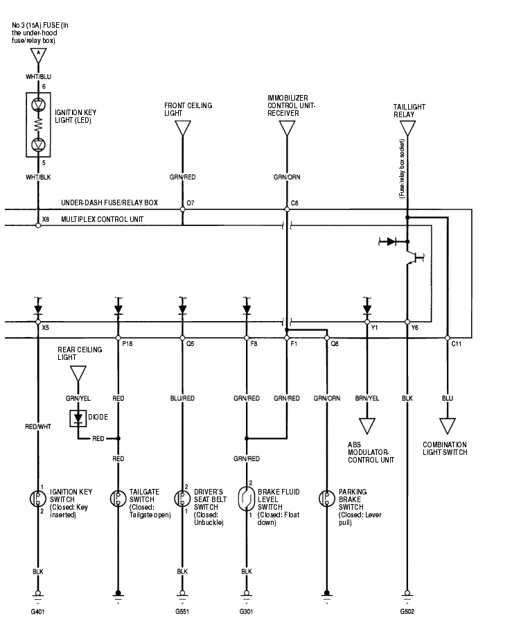
Circuit Diagram 22A-228


A

IGNITION KEY LIGHT

To page 22A-258




Circuit Diagram (cont'd) 22A-229


System Description 22A-230

The multiplex Control System has four internal functions:

  • Multiplexing (send multiple signals over shared wires)
  • Wake up/sleep (runs at full power only on demand to reduce battery draw)
  • Fail-safe (fixes or ignores faulty signals)
  • Self-diagnosis (Mode 1 for system DTCs, Mode 2 for input lines)
  • The system controls the function of these circuits:

  • Entry light control (ignition key light and ceiling light)
  • Wiper/washer (intermittent wipe and park functions)
  • Interlock system
  • Keyless/power Door Lock
  • Meter assembly, temperature gauge, and indicator lights
  • HVAC (Compressor and fan control)
  • Key-in reminder
  • Lights-on reminder
  • Seat belt reminder
  • Daytime running lights
  • Rear fog light
  • Multiplex Communication

    To reduce the number of wire harnesses, digital signals are sent via shared multiplex communication lines rather than sending normal electrical signals through individual wires.

  • The input signals from each switch are converted to digital signals at the central processing unit (CPU).
  • The digital signals are sent from the transmitting unit to the receiving unit as serial signals.
  • The transmitted signal is converted to a switch signal at the receiving unit, and it operates the related component or monitors a switch.
  • There are exclusive communication lines between the ECM/PCM, the gauge assembly, and the under-dash fuse/relay box.
  • Wake-up and Sleep

    The multiplex control system has ''wake-up'' and ''sleep'' functions to decrease parasitic draw on the battery when the ignition switch is OFF.

  • In the sleep mode, the multiplex control unit stops functioning (communication and CPU control) when it is not necessary for the system to operate.
  • As soon as any operation is requested (for example, a door is unlocked), the related control unit in the sleep mode immediately wakes up and begins to function.
  • When the ignition switch is turned OFF, and the driver's or front passenger's door is opened, then closed, there is about a 40 second delay before the control unit goes from the wake-up mode to the sleep mode.
  • If any door is open, the sleep mode will not function.
  • If a key is in the ignition switch, the sleep mode will not function.
  • When in sleep mode, the draw is reduced from 70-80 mA to less than 10 mA.
  • Fail-safe

    To prevent improper operation, the multiplex control system has a fail-safe function. In the fail-safe mode, the output signal is fixed when any part of the system malfunctions (for example a faulty control unit or communication line).
    Each control unit has a hardware fail-safe function that fixes the output signal when there is any CPU malfunction, and a software fail-safe function that ignores the signal from the malfunctioning control unit and allows the system to operate normally.

    Troubleshooting 22A-231

    Special Tool Required:

    MPCS Service Connector 07WAZ-0010100

    1. Check the No. 9 (10 A) fuse in the under-hood fuse/relay box and the No. 10 (7.5 A) fuse in the under-dash fuse/relay box.

    Are the fuses OK?


    Yes : Go to step 2.


    No : Find and repair the cause of the blown fuse.


    1. Remove the driver's dashboard lower cover (see page 20-88) .
    2. Switch the ceiling light to the middle position. Close all doors. Turn the ignition switch ON (II).
    3. If the driver's seatbelt is unbuckled, the beeper will beep five times.
    4. Check self-diagnosis function Mode 1 for a diagnostic trouble code (DTC) by connecting the special tool (A) to the multiplex control inspection connector (B). After about 5 seconds, the ignition switch light and ceiling light should come on for 2 seconds, go out, then blink once for 0.2 second. This means that you are in Mode 1 of the self-diagnosis function.


    Did the blinking lights confirm that you are in model?


    Yes : Count the blinks, then go to step 5.


    No : See if the SCS circuit is working properly. Go to step 6.


    1. If there is a DTC, it will blink, pause, then repeat the DTC as long as the ignition switch is ON (II).

    Is there continuity?


    Yes : Count the blinks, then go to step 8.


    No : Go to step 9.


    1. Check for continuity between the inspection connector T1 and body ground.

    Is there continuity?


    Yes : Go to step 9.


    No : Go to step 7.


    1. Check for continuity between the connector J of under-dash fuse/relay box No. 4 terminal and body ground.

    Is there continuity?


    Yes : Faulty under-dash fuse/relay box. Replace and check for DTCs.


    No : Repair the open in the wire, and recheck for DTCs.


    Troubleshooting (cont'd) 22A-232

    1. About 1 second after you go into self-diagnosis mode 1, the ceiling light will indicate the DTC, and repeat it every 3 seconds. If there is more than one DTC, the system will indicate them in ascending order, beginning from the DTC with the lowest numerical value. Troubleshoot the DTCs as indicated below:
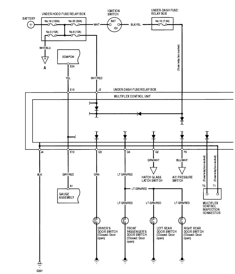
    2. DTC 1, 2, and 3 (ECM/PCM P0600) simultaneously: Check for a short to body ground in the YEL wire between multiplex control unit terminal E10 and ECM/PCM terminal E24, and in the GRY/RED wire between multiplex control unit terminal K10 and gauge assembly terminal A1. If both wires are OK, substitute a known-good multiplex control unit, gauge assembly, and ECM/PCM one at a time, in that order, and recheck for the DTCs after each substitution.
    3. DTC 2 and 5 simultaneously: Check for an open in the YEL wire between multiplex control unit terminal E10 and ECM/PCM terminal E24, If the wire is OK, substitute a known-good multiplex control unit, gauge assembly, and ECM/PCM one at a time, in that order, and recheck for the DTCs after each substitution.
    4. DTC 1, and 6 simultaneously: Check for an open in the GRY/RED wire between multiplex control unit terminal K10 and gauge assembly terminal A1, If the wire is OK, substitute a known-good multiplex control unit, gauge assembly, and ECM/PCM one at a time, in that order, and recheck for the DTCs after each substitution.
    5. DTC 1 only (no other DTCs present): Substitute a known-good multiplex control unit, and a gauge assembly one at a time, in that order, and recheck for the DTCs after each substitution.
    6. DTC 2 only (no other DTCs present): Substitute a known-good multiplex control unit and a ECM/PCM one at a time, in that order, and recheck for the DTCs after each substitution.
    7. DTC 3 only (no other DTCs present): Substitute a known-good multiplex control unit, and recheck for the DTC.
    8. DTC 5 only (no other DTCs present): Substitute a known-good gauge assembly, and recheck for the DTC.
    9. DTC 6 only (no other DTCs present): Update the ECM/PCM if it does not have the latest software, or substitute a known-good ECM/PCM, then recheck (see page 11-5) . If the symptom/indication goes away with a known-good ECM/PCM, replace the original ECM/PCM.

      DTC

      Cause

      1 The multiplex control unit cannot receive signals from the gauge assembly.
      2 The multiplex control unit cannot receive signals from the ECM/PCM.
      3 The multiplex control unit cannot receive signals from itself.
      5 The gauge assembly cannot receive signals from multiplex control unit and the ECM/PCM.
      6 The ECM/PCM cannot receive signals from multiplex control unit and the gauge assembly.




    22A-233

    1. From Mode 1, disconnect the special tool from the multiplex control inspection connector for about 5 to 10 seconds, then reconnect it. The ceiling light should come on for 2 seconds, then blink twice more at 0.2 second intervals. This means the system has gone from Mode 1 to Mode 2.

    MODE 2: Ceiling Light Blinking Pattern


  • NOTE: To cancel Mode 2, disconnect the SCS service connector from the multiplex control inspection connector for more than 10 seconds or turn the ignition switch OFF.
    1. Look in the following table for the switches most closely related to the problem. While still in Mode 2, operate the switches and the control unit. If the circuit is OK, the spotlight and ceiling light should blink once. If the circuit is faulty, there will be no indication.

    Does the ceiling light blink?


    Yes : Go to step 12.


    No : Go to step 11.


  • In each table below is a list of circuits that can be checked in Mode 2.

    Taillight relay Windshield washer switch (ON) Windshield wiper motor (INT, Auto stop) Driver's door switch (door opened) Front passenger's door switch (door opened) Left rear door switch (door opened) Right rear door switch (door opened) Ignition key switch (key in switch) Tailgate switch (talgate opened) Parking brake switch (ON) Driver's door lock knob switch (LOCK/UNLOCK) Passenger's door lock knob switch (UNLOCK)(KE model) Left rear door lock knob switch (UNLOCK)(KE model) Right rear door lock knob switch (UNLOCK)(KE model) Driver's door key cylinder switch (LOCK/UNLOCK) Driver's door lock switch (LOCK/UNLOCK) Front passenger's door key cylinder switch (LOCK/UNLOCK) Driver's seat belt switch (UNLATCH) A/C switch (with fan switch ON) Combination light switch ECM/PCM communication line Gauge assembly communication line ABS communication Front fog light switch (KE model) Hatch glass (open)




    1. Check two or three other circuits listed above.

    Does the spotlight and ceiling light blink for each circuit?


    Yes : The additional circuits are OK. Repair the short or open in the circuit that failed the test in step 10.


    No : Multiplex failed circuits can mean that the control unit has failed, but without triggering a DTC. Test a few more circuits. If they also fail, test the multiplex control unit inputs (see page 22A-269). If all the input test are OK, substitute a known-good control unit, gauge assembly, or ECM/PCM, one at a time, then recheck. If the system works properly, the original control unit is faulty; replace it. If there is still a malfunction, substitute a known-good control unit for the next most likely faulty control unit, then recheck. If the system works properly, that control unit is faulty; replace it.


    Troubleshooting (cont'd) 22A-234

    1. Shift to the sleep mode:
      Turn the ignition switch OFF, and remove the key.
      If the control unit receivers no inputs from the inputs listed below, it will go into the sleep mode after about 20 seconds.

      Multiplex Control Unit
      Taillight relay (combination switch OFF) Driver's door switch (door closed) Front passenger's door switch (door closed) Left rear door switch (door closed) Right rear door switch (door closed) Tailgate switch (tailgate closed) Driver's door key cylinder switch (LOCK/UNLOCK) Hatch glass (glass closed)




    2. Comfirm the sleep mode:
      Check for voltage on the YEL and WHT/GRN wires. There should be battery voltage in the sleep mode. Check the parasitic draw at the battery while shifting into the sleep mode. Amperage should change from about 70 through 80 mA to less than 10 mA.

    3. Shift to the wake up mode:
    4. When the ignition switch is turned ON (II), the multiplex control unit, gauge assembly, and ECM/PCM wake up at the same time without ''talking'' to each other through the communication lines. When any switch in the multiplex system is turned on, it wakes up its related control unit which, in turn, wakes up the other units.
    5. After confirming the sleep mode, look in the following table for the switch most closely related to the problem. Operate that switch and see if its control unit wakes up.
    6. NOTE: If any control unit is faulty and will not wake up, several parts of the system will malfunction at the same time.
      In the table below, the control unit is followed by a list of the switches and input signals that can wake it up.

      Multiplex Control Unit No. 9 (10 A) under-hood fuse
      Communication lines (ECM/PCM, Gauge assembly)
      Taillight relay (combination switch ON) Driver's door switch (door open) Front passenger's door switch (door open) Left rear door switch (door open) Right rear door switch (door open) Driver's door key cylinder switch (LOCK/UNLOCK) Driver's door lock knob switch (LOCK/UNLOCK) Driver's door lock switch (LOCK/UNLOCK) Front passenger's door key cylinder switch (UNLOCK) Ignition key switch (key in switch) Tailgate switch (tailgate open)




    Is the wake-up function OK?


    Yes : Intermittent failure; the system is OK at this time.


    No : Test the multiplex control unit inputs (see page 22A-269).


    Multiplex Control Unit Input Test 22A-235

    1. Remove the dashboard under cover (see page 20-95) .
    2. Disconnect the under-dash fuse/relay box connectors C, E, F, J, K, O, P, Q, X and Y.
    3. NOTE: All connectors are wire side of female terminals.


    1. Inspect the connector and socket terminals to be sure they are all making good contact.
    2. If the terminals are bent, loose or corroded, repair them as necessary, and recheck the system.
    3. If the terminals look OK, go to step 4.

    Multiplex Control Unit Input Test (cont'd) 22A-236

    1. Reconnect the connectors to the under-dash fuse/relay box, and make sure these input tests at the appropriate connectors on the under-dash fuse/relay box.
    2. If any test indicates a problem, find and correct the cause, then recheck the system.
    3. If all the input tests prove OK, the multiplex control unit must be faulty, replace the under-dash fuse/relay box assembly.

      Cavity

      Wire

      Test condition

      Test: Desired result

      Possible cause if result is not obtained

      J4 BLK Under all conditions Check for voltage to ground: There should be less than 1 V.
    4. Poor ground (G301)
    5. An open in the wire
    6. Y6 BLK Under all conditions Check for voltage to ground: There should be less than 1 V.
    7. Poor ground (G502)
    8. An open in the wire
    9. J2 WHT/RED Under all conditions Check for voltage to ground: There should be battery voltage.
    10. Blown No. 9 (10A) fuse in the under-hood fuse/relay box
    11. An open in the wire
    12. Q3 GRN Driver's door open Check for voltage to ground: There should be 1 V or less.
    13. Faulty driver's door switch
    14. An open in the wire
    15. Driver's door closed Check for voltage to ground: There should be 5 V or more.
    16. Faulty driver's door switch
    17. Short to ground
    18. Q4 LT GRN/ RED Passenger's door open Check for voltage to ground: There should be 1 V or less.
    19. Faulty passenger's door switch
    20. An open in the wire
    21. Passenger's door closed Check for voltage to ground: There should be 5 V or more.
    22. Faulty passenger's door switch
    23. Short to ground
    24. Q8 · C8 · F1 GRN/ORN · GRN/RED Parking brake lever pulled Check for voltage to ground: There should be 1 V or less.
    25. Faulty parking brake switch
    26. An open in the wire
    27. Parking brake lever released Check for voltage to ground: There should be 5 V or more.
    28. Faulty parking brake switch
    29. Short to ground
    30. Q5 BLU/RED Ignition switch ON (II) Driver's seat belt is unbuckled. Check for voltage to ground: There should be 1 V or less.
    31. Faulty driver's seat belt switch
    32. Poor ground (G551)
    33. An open in the wire
    34. Ignition switch ON (II) Driver's seat belt is buckled. Check for voltage to ground: There should be 5 V or more.
    35. Faulty driver's seat belt switch
    36. Short to ground
    37. P18 RED Tailgate open Check for voltage to ground: There should be 1 V or less.
    38. Faulty tailgate switch
    39. An open in the wire
    40. Tailgate closed Check for voltage to ground: There should be 5 V or more.
    41. Faulty tailgate switch
    42. Short to ground
    43. X5 RED/WHT Ignition key is in the ignition switch Check for voltage to ground: There should be 1 V or less.
    44. Faulty ignition key switch
    45. Poor ground (G401)
    46. An open in the wire
    47. Ignition key is out of the ignition switch Check for voltage to ground: There should be 5 V or more.
    48. Faulty ignition key switch
    49. Short to ground
    50. F9 BLU/WHT Under all conditions Check for voltage to ground: There should be 5 V or more.
    51. An open or short in the wire
    52. C3 WHT Under all conditions Check for continuity to ground: There should be continuity.
    53. An open or short in the wire



    22A-237

    Cavity

    Wire

    Test condition

    Test: Desired result

    Possible cause if result is not obtained

    X8 WHT/BLK Under all conditions Attach to ground: The ignition key light should come on.
  • Blown No. 3 (15A) fuse in the under-hood fuse/relay box
  • Blown LED
  • An open in the wire
  • O7 GRN/RED Ceiling light switch in the middle position, all doors closed Attach to ground: The ceiling light, spotlights should come on.
  • Blown No. 3 (15A) fuse in the under-hood fuse/relay box
  • Faulty ceiling light or spotlights
  • An open in the wire
  • C11 BLU Under all conditions Attach to ground: Dash lights should come on.
  • Blown No. 2 (15A) fuse in the under-hood fuse/relay box
  • Faulty taillight relay
  • An open in the wire
  • F8 GRN/RED Disconnect the brake fluid level switch 2P connector, and jump the GRN/RED and BLK Check for voltage to ground: There should be less than 1 V.
  • Faulty brake fluid level switch
  • An open in the wire
  • Brake fluid level switch connector disconnected, jumper wire removed Check for voltage to ground: There should be 5 V or more.
  • Faulty brake fluid level switch
  • Short to ground
  • E10 YEL All doors, tailgate and hatch glass closed, ignition key removed Check for voltage to ground: There should be battery voltage in the sleep mode and 3-7 volts when awake.
  • An open or short in the wire
  • K10 GRY/RED All doors, tailgate and hatch glass closed, ignition key removed Check for voltage to ground: There should be battery voltage in the sleep mode and 3-7 volts when awake.
  • An open or short in the wire
  • Y1 BRN/YEL Under all conditions Check for continuity between the Y1 terminal and the No. 13 terminal of the ABS modulator-control unit. There should be continuity.
  • An open in the wire
  • Q2 GRN/WHT Hatch glass open Check for voltage to ground: There should be 1 V or less.
  • Poor ground (G601, G701)
  • Faulty hatch glass latch switch
  • An open in the wire
  • Hatch glass closed Check for voltage to ground: There should be 5 V or more.
  • Faulty hatch glass latch switch
  • Short to ground





  • Honda 2001 Body Electrical22A-1
    Multiplex Control System 22A-227
    Previous Page Next Page