Honda 2001 Fuel and Emissions11-1
Fuel and Emissions Systems11-2
Previous Page Next Page



Fuel and Emissions Systems11-2

Special Tools

Ref. No.

Tool Number

Description

Qty

1

07LAA-PT50101 O2 Sensor Socket Wrench 1

2

07NAJ-P070100 Oil Pressure Gauge Attachment 1

3

07VAJ-0040100 Fuel Pressure Gauge Attachment 1

4

07WAA-0010100 Adjustable Ring Wrench 1

5

07ZAJ-S5A0100 Fuel Pressure Gauge Set 1

6

07ZAJ-S7C0100 Fuel Hose Attachment 1

7

07ZAJ-S7C0200 Fuel Joint Attachment 1

8

07ZAJ-S5A0200 Hose, Oil Pressure 1

9

07406-0070001 Low Pressure Gauge 1

10

07406-0040002 Fuel Pressure Gauge 1








1

2

3

4





5

6

7

8

 

 

9

10

 

 




General Troubleshooting Information11-3

Intermittent Failures

The term ''intermittent failure'' means a system may have had a failure, but it checks OK now. If the Malfunction Indicator Lamp (MIL) on the dash does not come on, check for poor connections or loose wires at all connectors related to the circuit that you are troubleshooting.

Opens and Shorts

''Open'' and ''Short'' are common electrical terms. An open is a break in a wire or at a connection. A short is an accidental connection of a wire to ground or to another wire. In simple electronics, this usually means something won't work at all. In complex electronics (like ECM's/PCM's) this can sometimes mean something works, but not the way it's supposed to.

How to Use the Honda PGM Tester or a Scan Tool

If the MIL has come on
  1. Start the engine and check the MIL.


  2. If the MIL stays on, connect the Honda PGM Tester (A) or a scan tool to the Data Link Connector (DLC) (B) located under the driver's side of the dashboard.


*: The illustration shows LHD model.

  1. Turn the ignition switch ON (II).
  2. Check the Diagnostic Trouble Code (DTC) and note it. Also check the freeze frame data. Refer to the DTC Troubleshooting Index and begin the appropriate troubleshooting procedure.

NOTE:

  • Freeze frame data indicates the engine conditions when the first malfunction, misfire or fuel trim malfunction was detected.
  • The scan tool and the Honda PGM Tester can read the DTC, freeze frame data, current data, and other Engine Control Module (ECM)/Powertrain Control Module (PCM) data.
  • For specific operations, refer to the user's manual that came with the scan tool or Honda PGM Tester.
  • If the MIL did not come on

    If the MIL did not come on but there is a driveability problem, refer to the Symptom Troubleshooting Index in this section (see page 11-8) .

    If you can't duplicate the DTC

    Some of the troubleshooting in this section requires you to reset the ECM/PCM and try to duplicate the DTC. If the problem is intermittent and you can't duplicate the code, do not continue through the procedure. To do so will only result in confusion and, possibly, a needlessly replaced ECM/PCM.

    General Troubleshooting Information (cont'd)11-4

    How to Reset the ECM/PCM

    You can reset the ECM/PCM in either of 2 ways:

  • Use the scan tool or Honda PGM Tester to clear the ECM's/PCM's memory.
    See the scan tool or Honda PGM Tester user's manuals for specific instructions.
  • Turn the ignition switch OFF, and remove the No. 6 ECU (ECM/PCM) (15A) fuse (A) from the under-hood fuse/relay box (B) for 10 seconds.


  • How to End a Troubleshooting Session (required after any troubleshooting)

    1. Reset the ECM/PCM as described above.
    2. Turn the ignition switch OFF.
    3. Disconnect the scan tool or Honda PGM Tester from the DLC.
    4. NOTE: The ECM/PCM is part of the immobilizer system. If you replace the ECM/PCM, it will have a different immobilizer code. In order for the engine to start, you must rewrite the immobilizer code with the Honda PGM Tester.

    How to Remove the ECM/PCM for Testing

    If the inspection for a trouble code requires voltage or resistance checks at the ECM/PCM connectors, remove the ECM/PCM and test it:

    1. Make sure you have the anti-theft code for the radio, then write down the radio station presets.
    2. Disconnect the negative cable from the battery.
    3. Remove the glove box (see page 20-95) .
    4. Remove the gray 20P ECM/PCM wire harness connector from the ECM/PCM mounting bracket. Remove the ECM/PCM mounting bolt (A) and the bracket.


    *: The illustration shows LHD model.

    1. Remove the nuts, then remove the ECM/PCM (B).
    2. Install the ECM/PCM in the reverse order of removal.
    3. Reconnect the negative cable to the battery.
    4. Enter the radio anti-theft code and the radio station preset then set the clock.

    11-5

    How to Troubleshoot Circuits at the ECM/PCM

    1. Gently slide the sharp tester probe (A) into the connector from wire side until it touches the end of the wire terminal.


    2. If you cannot get to the wire side of the connector or the wire side is sealed (A), disconnect the connector and probe the terminals (B) from the terminal side. Do not force the probe into the connector.

    NOTICE

  • Do not puncture the insulation on a wire.Punctures can cause poor or intermittent electrical connections.


  • How to Substitute the ECM/PCM

    1. Disconnect the negative cable from the battery.
    2. Remove the ECM/PCM from the vehicle.
    3. Install a known-good ECM/PCM in the vehicle.
    4. Reconnect the negative cable to the battery.
    5. Rewrite the immobilizer code with the ECM/PCM replacement procedure on the Honda PGM Tester. It allows you to start the engine.
    6. After completing your tests, reinstall the original ECM/PCM and rewrite the immobilizer code with the ECM/PCM replacement procedure on the Honda PGM Tester again.

    DTC Troubleshooting Index11-6

    Scan tool DTC (Honda DTC)

    Detection Item

    Page

    P0010 (56-1) VTC Oil Control Solenoid Valve Malfunction (see page 11-124)
    P0011 (56-2) VTC System Malfunction (see page 11-126)
    P0107 (3-1) Manifold Absolute Pressure (MAP) Sensor Circuit Low Voltage (see page 11-62) )
    P0108 (3-2) Manifold Absolute Pressure (MAP) Sensor Circuit High Voltage (see page 11-63)
    P0112 (10-1) Intake Air Temperature (IAT) Sensor Circuit Low Voltage (see page 11-64)
    P0113 (10-2) Intake Air Temperature (IAT) Sensor Circuit High Voltage (see page 11-65)
    P0117 (6-1) Engine Coolant Temperature (ECT) Sensor Circuit Low Voltage (see page 11-66)
    P0118 (6-2) Engine Coolant Temperature (ECT) Sensor Circuit High Voltage (see page 11-67)
    P0122 (7-1) Throttle Position (TP) Sensor Circuit Low Voltage (see page 11-68)
    P0123 (7-2) Throttle Position (TP) Sensor Circuit High Voltage (see page 11-70)
    P0131 (1-1)* 4 Primary Heated Oxygen Sensor (Primary HO2S) (Sensor 1) Circuit Low Voltage (see page 11-71)
    P0132 (1-2)* 4 Primary Heated Oxygen Sensor (Primary HO2S) (Sensor 1) Circuit High Voltage (see page 11-72)
    P0133 (61-1)* 3  * Primary Heated Oxygen Sensor (Primary HO2S) (Sensor 1) Slow Response (see page 11-73)
    P0135 (41-2)* 4 Primary Heated Oxygen Sensor (Primary HO2S) (Sensor 1) Heater Circuit Malfunction (see page 11-74)
    P0137 (63-1)*  * Secondary Heated Oxygen Sensor (Secondary HO2S) (Sensor 2) Circuit Low Voltage (see page 11-76)
    P0138 (63-2)* 5  * Secondary Heated Oxygen Sensor (Secondary HO2S) (Sensor 2) Circuit High Voltage (see page 11-77)
    P0141 (65-2)* 5 Secondary Heated Oxygen Sensor (Secondary HO2S) (Sensor 2) Heater Circuit Malfunction (see page 11-78)
    P0171 (45-2)* 3  * Fuel system Too Lean (see page 11-80)
    P0172 (45-1)* 3  * Fuel system Too Rich (see page 11-80)
    P0300 (7x-1)* 3  * Random Misfire (see page 11-81)
    P0301 (71-1)* 3  * No. 1 Cylinder Misfire (see page 11-81)
    P0302 (72-1)* 3  * No. 2 Cylinder Misfire (see page 11-81)
    P0303 (73-1)* 3  * No. 3 Cylinder Misfire (see page 11-81)
    P0304 (74-1)* 3  * No. 4 Cylinder Misfire (see page 11-81)




     * : These DTCs have Temporary DTC code.

    *1: A/T

    *2: M/T

    *3: KG, KS, KE, KR, KU (Hong Kong) models

    *4: with TWC model

    *5: KG, KS, KE, KR, KU, KZ, FO, KQ models

    *6: KG, KS, KE, KR, KU, KZ, FO, KQ, KK, KM models

    *7: except KG, KS, KE, KR, KU (Hong Kong) models

    *8: without TWC model

    11-7

    Scan tool DTC (Honda DTC)

    Detection Item

    Page

    P0325 (23-1) Knock Sensor Circuit Malfunction (see page 11-87)
    P0335 (4-1) Crankshaft Position (CKP) Sensor No Signal (see page 11-88)
    P0336 (4-2) Crankshaft Position (CKP) Sensor Intermittent Interruption (see page 11-88)
    P0340 (57-1) Camshaft Position (CMP) Sensor No Signal (see page 11-128)
    P0341 (57-3) VTC Phase Gap (see page 11-129)
    P0344 (57-2) Camshaft Position (CMP) Sensor Intermittent Interruption (see page 11-128)
    P0420 (67-1)* 3  * Catalyst System Efficiency Below Threshold (see page 11-188)
    P0443 (92-4)* 3 Evaporative Emission (EVAP) Canister Purge Valve Circuit Malfunction (see page 11-193)
    P0500 (17-1)* 2 Vehicle Speed Sensor (VSS) Circuit Malfunction (see page 11-90)
    P0563 (34-2) Engine Control Module (ECM)/Powertrain Control Module (PCM) Power Source Circuit Unexpected Voltage (see page 11-91)
    P0600 (39-1) Serial Communication Link Malfunction Refer to the Multiplex Control System Troubleshooting (see page 22A-231)
    P07xx, P08xx* 1 (70-2, 70-3)* 1  * Automatic Transaxle System Malfunction Refer to the Automatic Transmission DTC Troubleshooting Index (see page 14-7)
    P1107 (13-1) Barometric Pressure (BARO) Sensor Circuit Low Voltage (see page 11-93)
    P1108 (13-2) Barometric Pressure (BARO) Sensor Circuit High Voltage (see page 11-93)
    P1213 (11-1)* 8 Idle Mixture Adjuster (IMA) Circuit Low Voltage (see page 11-94)
    P1214 (11-2)* 8 Idle Mixture Adjuster (IMA) Circuit High Voltage (see page 11-95)
    P1253 (21-1)* 7 VTEC System Malfunction (see page 11-130)
    P1259 (22-4)* 3 VTEC System Malfunction (see page 11-133)
    P1297 (20-1)* 6 Electrical Load Detector (ELD) Circuit Low Voltage (see page 11-97)
    P1298 (20-2)* 6 Electrical Load Detector (ELD) Circuit High Voltage (see page 11-98)
    P1361 (8-2) Top Dead Center (TDC) Sensor Intermittent Interruption (see page 11-100)
    P1362 (8-1) Top Dead Center (TDC) Sensor No Signal (see page 11-100)
    P1519 (14-3) Idle Air Control (IAC) Valve Circuit Malfunction (see page 11-140)
    P1607 (0-2) Engine Control Module (ECM)/Powertrain Control Module (PCM) Internal Circuit Malfunction (see page 11-101)
    P17xx (70-2, 70-3)* 1  * Automatic Transaxle System Malfunction Refer to the Automatic Transmission DTC Troubleshooting Index (see page 14-7)




     * : These DTCs have Temporary DTC code.

    *1: A/T

    *2: M/T

    *3: KG, KS, KE, KR, KU (Hong Kong) models

    *4: with TWC model

    *5: KG, KS, KE, KR, KU, KZ, FO, KQ models

    *6: KG, KS, KE, KR, KU, KZ, FO, KQ, KK, KM models

    *7: except KG, KS, KE, KR, KU (Hong Kong) models

    *8: without TWC model

    Symptom Troubleshooting Index11-8

    When the vehicle has one of these symptoms, check the Diagnostic Trouble Code (DTC) with the scan tool. If there is no DTC, do the diagnostic procedure for the symptom, in the sequence listed, until you find the cause.

    Symptom

    Diagnostic procedure

    Also check for

    Engine will not start (MIL works OK, no DTCs set)
    1. Test the battery (see page 22A-59) .
    2. Test the starter (see page 04-5) .
    3. Troubleshoot the fuel pump circuit (see page 11-151) .
  • Low compression
  • No ignition spark
  • Intake air leaks
  • Locked up engine
  • Slipped/ broken timing belt
  • Contaminated fuel
  • Engine will not start (MIL comes on and stays on, or never comes on at all, no DTCs set) Troubleshoot the MIL circuit (see page 11-102) .  
    Engine will not start (immobilizer indicator light stays on or flashes) Troubleshoot the immobilizer system (see page 22A-190) .  
    Hard starting (MIL works OK, no DTCs set)
    1. Test the battery (see page 22A-59) .
    2. Check the fuel pressure (see page 11-154) .
  • Low compression
  • Intake air leaks
  • Contaminated fuel
  • Weak spark
  • Cold fast idle too low (MIL works OK, no DTCs set) Check the idle speed (see page 11-148) .  
    Cold fast idle too high (MIL works OK, no DTCs set)
    1. Check the idle speed (see page 11-148) .
    2. Inspect/adjust the throttle cable (see page 11-183) .
    3. Inspect and test the throttle body (see page 11-180) .
     
    Idle speed fluctuates (MIL works OK, no DTCs set)
    1. Check the idle speed (see page 11-148) .
    2. Inspect/adjust the throttle cable (see page 11-183) .
    3. Inspect and test the throttle body (see page 11-180) .
    Intake air leaks
    After warming up idle speed is below specifications with no load (MIL works OK, no DTCs set)
    1. Troubleshoot the ALT FR signal circuit (see page 11-143) .* 1
    2. Inspect and test the throttle body (see page 11-180) .
    Vacuum hose clogged/ cracked/poor connection
    After warming up idle speed is above specifications with no load*1 (MIL works OK, no DTCs set) Troubleshoot the ALT FR signal circuit (see page 11-143) .  
    After warming up idle speed drops when steering wheel is turning (MIL works OK, no DTCs set)
    1. Troubleshoot the PSP switch signal circuit (see page 11-145) .
    2. Inspect and test the throttle body (see page 11-180) .
    Power steering system
    Idle speed fluctuates (MIL works OK, no DTCs set)
    1. Test the fuel pressure (see page 11-154) .
    2. Test the injectors (see page 11-116) .* 2
    3. Troubleshoot the ALT FR signal circuit (see page 11-143) .
    4. Inspect and test the PCV valve (see page 11-190) .
    Contaminated fuel




    11-9

    Symptom

    Diagnostic procedure

    Also check for

    Misfire or rough running (MIL works OK, no DTCs set)
    1. Check the spark plugs (see page 04-23) .* 2
    2. Test the fuel pressure (see page 11-154) .
    3. Test the injectors (see page 11-116) .* 2
    4. Troubleshoot the fuel pump circuit (see page 11-151) .
  • Low compression
  • Valve clearance
  • Contaminated fuel
  • Fails emission test* 2 (MIL works OK, no DTCs set)
    1. Inspect the three way catalytic converter (TWC) (see page 11-188) .
    2. Check the spark plugs (see page 04-23) .
    3. Test the fuel pressure (see page 11-154) .
    4. Test the injectors (see page 11-116) .
    5. Check the EVAP emission control system (see page 11-195) .
  • Contaminated fuel
  • Low compression
  • Slipped/broken timing belt
  • Low power (MIL works OK, no DTCs set)
    1. Test the fuel pressure (see page 11-154) .
    2. Check the air cleaner element (see page 11-182) .
    3. Inspect/adjust the throttle cable (see page 11-183) .
    4. Inspect and the test the throttle body (see page 11-180) .
    5. Inspect the three way catalytic converter (TWC) (see page 11-188) .* 2
    6. Test the injectors (see page 11-116) .* 2
  • Contaminated fuel
  • Low compression
  • Camshaft timing
  • Engine oil level
  • Engine stalls (MIL works OK, no DTCs)
    1. Test the fuel pressure (see page 11-154) .
    2. Check the idle speed (see page 11-148) .
    3. Troubleshoot the brake pedal position switch signal circuit (see page 11-146) .
    4. Check the spark plugs (see page 04-23) .* 2
  • Intake air leaks
  • Faulty harness and sensor connections



  • *1: except KG, KS, KE, KR, KU, KZ, FO, KQ, KK, KM models

    *2: except KG, KS, KE, KR, KU (Hong Kong) models

    System Descriptions11-10

    Electronic Control System

    The functions of the fuel and emission control systems are managed by the Engine Control Module (ECM) on vehicles with manual transmissions or the Powertrain Control Module (PCM) on vehicles with automatic transmissions.

    Fail-safe Function

    When an abnormality occurs in a signal from a sensor, the ECM/PCM ignores that signal and assumes a pre-programmed value for that sensor that allows the engine to continue to run.

    Back-up Function

    When an abnormality occurs in the ECM/PCM, the injectors are controlled by a back-up circuit independent of the system to permit minimal driving.

    Self-diagnosis

    When an abnormality occurs in the signal from a sensor, the ECM/PCM supplies ground for the Malfunction Indicator Lamp (MIL) and stores the Diagnostic Trouble Code (DTC) in erasable memory. When the ignition is first turned on, the ECM/PCM supplies ground for the MIL for 2 seconds to check the MIL bulb condition.

    Two Driving Cycle Detection Method

    To prevent false indications, the ''two driving cycle detection method'' is used for some self-diagnostic functions. When an abnormality occurs, the ECM/PCM stores it in its memory. When the same abnormality recurs after the ignition switch is turned OFF and ON (II) again, the ECM/PCM informs the driver by turning on the MIL.

    11-11

    ECM/PCM Data

    You can retrieve data from the ECM/PCM by connecting the scan tool or the Honda PGM Tester to the Data Link Connector (DLC). The items listed in the table below conform to SAE recommended practice. The Honda PGM Tester also reads data beyond that recommended by SAE so that this data may help you find the causes of intermittent problems.

    NOTE:

  • The ''operating values'' listed are approximate and may vary depending on the environment and the individual vehicle.
  • Unless noted otherwise, ''at idle speed'' means idling with the engine completely warmed up, A/T in Park or neutral, M/T in neutral position, and the A/C and all accessories turned off.

    Data

    Description

    Operating Value

    Freeze Data

    Diagnostic Trouble Code (DTC) If the ECM/PCM detects a problem, it will store it as a code consisting of one letter and four numbers. Depending on the problem, an SAE-defined code (P0xxx) or a Honda-defined code (P1xxx) will be output to the tester. If no problem is detected, there is no output. YES
    Engine Speed The ECM/PCM computes engine speed from the signals sent from the Crankshaft Position (CKP) sensor. This data is used for determining the time and amount of injected fuel. Nearly the same as tachometer indication At idle speed: 650±50 rpm (min-1) YES
    Vehicle Speed The ECM/PCM converts pulse signals from the Vehicle Speed Sensor (VSS). Nearly the same as speedometer indication YES
    Manifold Absolute Pressure (MAP) The absolute pressure caused in the intake manifold by engine load and speed. With engine stopped: Nearly the same as atmospheric pressure At idle speed: about 20 - 34 kPa (150 - 260 mmHg, 6 - 10 in.Hg), 0.7 - 1.1 V YES
    Engine Coolant Temperature (ECT) The ECT sensor converts coolant temperature into voltage and signals the ECM/PCM. The sensor is a thermistor whose internal resistance changes with coolant temperature. The ECM/PCM uses the voltage signals from the ECT sensor to determine the amount of injected fuel. With cold engine: Same as ambient temperature and IAT With engine warmed up: about 80 - 100°C (176 - 212°F), 0.5 - 0.8 V YES
    Heated Oxygen Sensor (HO2S), Secondary Heated Oxygen Sensor (Secondary HO2S) (Sensor 2) The HO2S detects the oxygen content in the exhaust gas and sends voltage signals to the ECM/PCM. Based on these signals, the ECM/PCM controls the air fuel ratio. When the oxygen content is high (that is, when the ratio is leaner than the stoichiometric ratio), the voltage signal is lower. When the oxygen content is low (that is, when the radio is richer than the stoichiometric ratio), the voltage signal is higher. 0.0 - 1.25 V At idle speed: about 0.1 - 0.9 V NO




  • System Descriptions (cont'd)11-12

    Data

    Description

    Operating Value

    Freeze Data

    Fuel System Status Fuel system status is indicated as ''open'' or ''closed''. Closed: Based on the HO2S output, the ECM/PCM determines the air/fuel ratio and controls the amount of injected fuel. Open: ignoring the HO2S output, the ECM/PCM refers to signals from the Throttle Position (TP), Manifold Absolute Pressure (MAP), Intake Air Temperature (IAT), Barometric Pressure (BARO) and Engine Coolant Temperature (ECT) sensors to control the amount of injected fuel. At idle speed: closed YES
    Short Term Fuel Trim The air/fuel ratio correction coefficient for correcting the amount of injected fuel when the Fuel System Status is ''closed.'' When the ratio is leaner than the stoichiometric ratio, the ECM/PCM increases short term fuel trim gradually, and the amount of injected fuel increases. The air/fuel ratio gradually gets richer, causing a lower oxygen content in the exhaust gas. Consequently, the short term fuel trim is lowered, and the ECM/ PCM reduces the amount of injected fuel. This cycle keeps the air/fuel ratio close to the stoichiometric ratio when in closed loop status. 0.73 - 1.47 YES
    Long Term Fuel Trim Long term fuel trim is computed from short term fuel trim and indicates changes occurring in the fuel supply system over a long period. If long term fuel trim is higher than 1.00, the amount of injected fuel must be increased. If it is lower than 1.00, the amount of injected fuel must be reduced. 0.82 - 1.47 YES
    Intake Air Temperature (IAT) The IAT sensor converts intake air temperature into voltage and signals the ECM/PCM. When intake air temperature is low, the internal resistance of the sensor increases, and the voltage signal is higher. With cold engine: Same as ambient temperature and ECT YES
    Throttle Position Based on the accelerator pedal position, the opening angle of the throttle valve is indicated. At idle speed: about 10 %, 0.5 V YES
    Ignition Timing Ignition timing is the ignition advance angle set by the ECM/ PCM. The ECM/PCM matches ignition timing to the driving conditions. At idle speed: 8° ± 2° BTDC when the SCS service signal line is jumped with the Honda PGM tester NO




    11-13

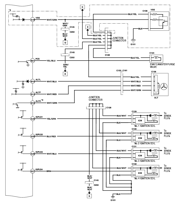
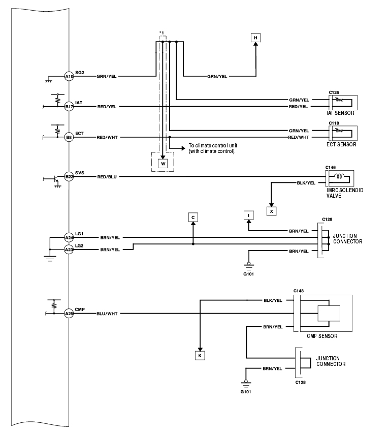
    ECM/PCM Inputs and Outputs at Connector A (31P)


    Wire side of female terminals

    NOTE: Standard battery voltage is 12 V.

    Terminal number

    Wire color

    Terminal name

    Description

    Signal

    1* 3 BLK/WHT PO2SHTC (PRIMARY HEATED OXYGEN SENSOR HEATER CONTROL) Drives Primary HO2S heater With ignition switch ON (II): battery voltage With fully warmed up engine running: duty controlled
    2 YEL/BLK IGP2 (POWER SOURCE) Power source for the ECM/ PCM circuit With the ignition switch ON (II): battery voltage With the ignition switch OFF: about 0 V
    3 YEL/BLK IGP1 (POWER SOURCE) Power source for the ECM/ PCM circuit With the ignition switch ON (II): battery voltage With the ignition switch OFF: about 0 V
    4 BLK PG2 (POWER GROUND) Ground for the ECM/PCM circuit Less than 1.0 V at all times
    5 BLK PG1 (POWER GROUND) Ground for the ECM/PCM circuit Less than 1.0 V at all times
    6* 3 RED PHO2S (PRIMARY HEATED OXYGEN SENSOR, Sensor 1) Detects Primary HO2S sensor (Sensor 1) signal With throttle fully opened from idle with fully warmed up engine: about 0.6 V With throttle quickly closed: below 0.4 V
    7 BLU CKP (CRANKSHAFT POSITION SENSOR) Detects CKP sensor signal With engine running: pulses
    9 RED/BLU KS (KNOCK SENSOR) Detects knock sensor signal With ignition ON (II): about 0 V With engine knocking: pulses
    10 GRN/YEL SG2 (SENSOR GROUND) Sensor ground Less than 1.0 V at all times
    11 GRN/WHT SG1 (SENSOR GROUND) Sensor ground Less than 1.0 V at all times
    12 BLK/RED IACV (IDLE AIR CONTROL (IAC) VALVE) Drives IAC valve With engine running: duty controlled
    15 RED/BLK TPS (THROTTLE POSITION SENSOR) Detects TP sensor signal With throttle fully open: about 4.8 V With throttle fully closed: about 0.5 V
    18* 2 WHT/GRN VSS (VEHICLE SPEED SENSOR) Detects VSS signal With ignition switch ON (II) and front wheels rotating: cycles about 0 V-about 5 V or battery voltage
    19 GRN/RED MAP (MANIFOLD ABSOLUTE PRESSURE SENSOR) Detects MAP sensor signal With ignition switch ON (II): about 3 V At idle: about 1.0 V (depending on engine speed)
    20 YEL/BLU VCC2 (SENSOR VOLTAGE) Provides sensor voltage With ignition switch ON (II): about 5 V With ignition switch OFF: about 0 V
    21 YEL/RED VCC1 (SENSOR VOLTAGE) Provides sensor voltage With ignition switch ON (II): about 5 V With ignition switch OFF: about 0 V
    23 BRN/YEL LG2 (LOGIC GROUND) Ground for the ECM/PCM circuit Less than 1.0 V at all times
    24 BRN/YEL LG1 (LOGIC GROUND) Ground for the ECM/PCM circuit Less than 1.0 V at all times
    25 BLU/WHT CMP (CAMSHAFT POSITION SENSOR) Detects CMP sensor signal With engine running: pulses
    26 GRN TDC (TOP DEAD CENTER SENSOR) Detects TDC sensor With engine running: pulses
    27 BRN IGPLS4 (No.4 IGNITION COIL PULSE) Drives No.4 ignition coil With ignition switch ON (II): about 0 V With engine running: pulses
    28 WHT/BLU IGPLS3 (No.3 IGNITION COIL PULSE) Drives No.3 ignition coil
    29 BLU/RED IGPLS2 (No.2 IGNITION COIL PULSE) Drives No.2 ignition coil
    30 YEL/GRN IGPLS1 (No.1 IGNITION COIL PULSE) Drives No.1 ignition coil




    *1: A/T

    *2: M/T

    *3: with TWC model

    *4: KG, KS, KE, KR, KU, KZ, FO, KQ, KK, KM models

    *5: KG, KS, KE, KR, KU (Hong Kong) models

    *6: KG, KS, KE, KR, KU, KZ, FO, KQ models

    *7: KG, KS, KE, KR, KU, KN, KH, KY, KZ, FO, KQ, KK, KM models

    *8: except KG, KS, KE, KR, KU, KN, KH, KY, KZ, FO, KQ, KK, KM models

    *9: except TWC model

    *10: with cruise control

    System Descriptions (cont'd)11-14

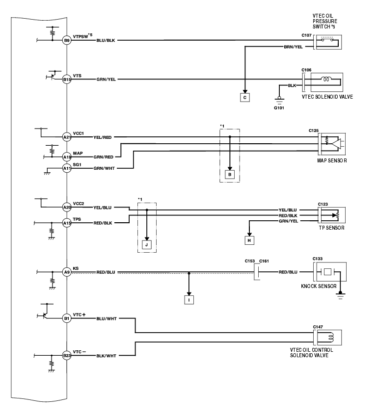
    ECM/PCM Inputs and Outputs at Connector B (24P)


    Wire side of female terminals

    NOTE: Standard battery voltage is 12 V.

    Terminal number

    Wire color

    Terminal name

    Description

    Signal

    1 BLU/WHT VTC+ (VTC OIL CONTROL SOLENOID VALVE +SIDE) Drives VTC oil control solenoid valve With ignition switch ON (II): 0 V
    2 YEL INJ4 (No. 4 INJECTOR) Drives No. 4 injector At idle: duty controlled With ignition switch ON (II): battery voltage
    3 BLU INJ3 (No. 3 INJECTOR) Drives No. 3 injector
    4 RED INJ2 (No. 2 INJECTOR) Drives No. 2 injector
    5 BRN INJ1 (No. 1 INJECTOR) Drives No. 1 injector
    6 GRN FANC (RADIATOR FAN CONTROL) Drives radiator fan relay With radiator fan running: about 0 V With radiator fan stopped: battery voltage
    8 RED/WHT ECT (ENGINE COOLANT TEMPERATURE SENSOR) Detects ECT sensor signal With the ignition switch ON (II): about 0.1 - 4.8 V (depending on engine coolant temperature)
    9* 5 BLU/BLK VTPSW (VTEC OIL PRESSURE SWITCH) Detects VTEC oil pressure switch signal At idle: about 0 V
    10 WHT/BLU ALTL (ALTERNATOR L SIGNAL) Detects alternator L signal With ignition switch ON (II): about 0 V With engine running: battery voltage
    13 WHT/RED ALTF (ALTERNATOR FR SIGNAL) Detects alternator FR signal With engine running: about 0 V - 5 V (depending on electrical load)
    14* 1 RED/BLK LSA+ (A/T PRESSURE CONTROL SOLENOID VALVE A +SIDE) Drives A/T pressure control solenoid valve A With the ignition switch ON (II): duty controlled
    15 GRN/YEL VTS (VTEC SOLENOID VALVE) Drives VTEC solenoid valve At idle: about 0 V
    16* 1 BRN/WHT LSB+ (A/T PRESSURE CONTROL SOLENOID VALVE B +SIDE) Drives A/T pressure control solenoid valve B With the ignition switch ON (II): duty controlled
    17 RED/YEL IAT (INTAKE AIR TEMPERATURE SENSOR) Detects IAT sensor signal With ignition switch ON (II): about 0.1 V - 4.8 V (depending on intake air temperature)
    18* 4 WHT/GRN ALTC (ALTERNATOR CONTROL) Sends alternator control signal With engine running: about 0 V - 5 V (depending on electrical load)
    21 YEL/BLU PCS (EVAPORATIVE EMISSION CANISTER PURGE VALVE) Drives EVAP canister purge valve With engine running, engine coolant below 65°C (149°F): about 0 V With engine running, engine coolant above 65°C (149°F): duty controlled
    22 RED/BLU IMRC (INTAKE MANIFOLD RUNNER CONTROL SOLENOID VALVE) Drives IMRC solenoid valve With engine speed below 4,700 rpm (min-1) (K24A1 engine: 4,300 rpm (min-1)): battery voltage With engine speed above 4,700 rpm (min-1) (K24A1 engine: 4,300 rpm (min-1)): 0 V
    23 BLK/WHT VTC- (VTC OIL CONTROL SOLENOID VALVE -SIDE) Drives VTC oil control solenoid valve With the ignition switch ON (II): 0 V
    24* 1 BLU/YEL LSC+ (A/T PRESSURE CONTROL SOLENOID VALVE C +SIDE) Drives A/T pressure control solenoid valve C With the ignition switch ON (II): duty controlled




    *1: A/T

    *2: M/T

    *3: with TWC model

    *4: KG, KS, KE, KR, KU, KZ, FO, KQ, KK, KM models

    *5: KG, KS, KE, KR, KU (Hong Kong) models

    *6: KG, KS, KE, KR, KU, KZ, FO, KQ models

    *7: KG, KS, KE, KR, KU, KN, KH, KY, KZ, FO, KQ, KK, KM models

    *8: except KG, KS, KE, KR, KU, KN, KH, KY, KZ, FO, KQ, KK, KM models

    *9: except TWC model

    *10: with cruise control

    11-15

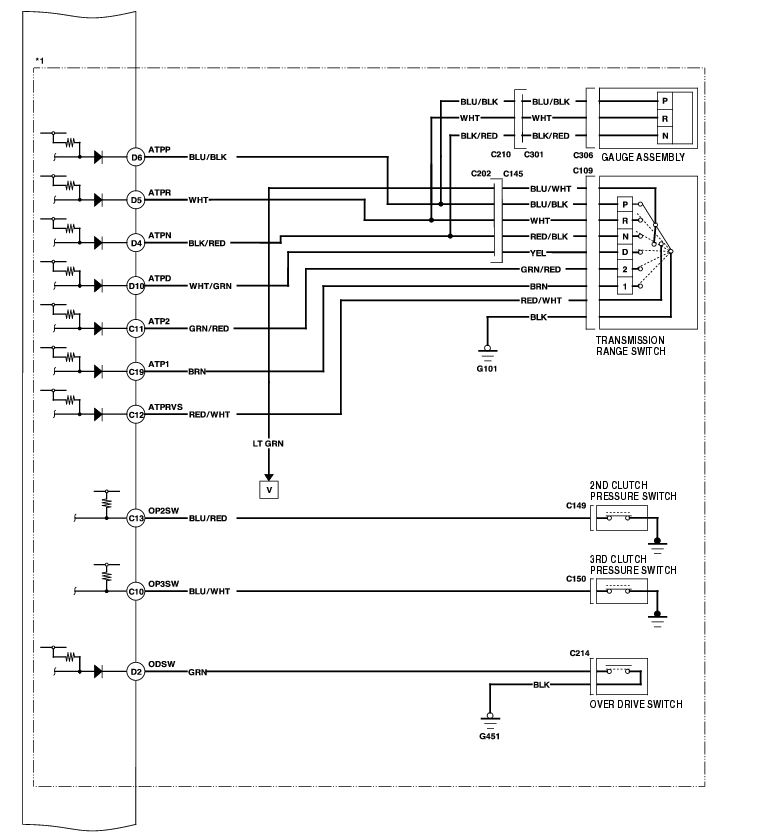
    PCM Inputs and Outputs at Connector C (22P)* 1


    Wire side of female terminals

    NOTE: Standard battery voltage is 12 V.

    Terminal number

    Wire color

    Terminal name

    Description

    Signal

    1 WHT/BLK LSA- (A/T PRESSURE CONTROL SOLENOID VALVE A -SIDE) Ground for A/T pressure control solenoid valve A  
    2 GRN SHC (SHIFT SOLENOID VALVE C) Drives shift solenoid valve C With engine running in Neutral position, or in D, M position (in 1st, 3rd, 5th gears): battery voltage With engine running in Park, R position, or in D, M position (in 2nd, 4th gears): about 0 V
    3 YEL SHE (SHIFT SOLENOID VALVE E) Drives shift solenoid valve E With engine running in Park, R position: battery voltage With engine running in Neutral position, or in D, M position (in 1st, 2nd, 3rd, 4th, 5th gears): about 0 V
    4 GRN/WHT SHB (SHIFT SOLENOID VALVE B) Drives shift solenoid valve B With engine running in Park, R, Neutral position, or D, M position (in 1st, 2nd gears): battery voltage With engine running in D, M position (in 3rd, 4th, 5th gears): about 0 V
    6 BLU/BLK SHA (SHIFT SOLENOID VALVE A) Drives shift solenoid valve A With engine running in R position, or D, M position (in 1st, 4th, 5th gears): battery voltage With engine running in Park, Neutral position, or D, M position (in 2nd, 3rd gears): about 0V
    7 WHT/RED NM (MAINSHAFT SPEED SENSOR) Detects mainshaft speed sensor signals With engine running: pulses
    8 BLK/RED LSB- (A/T PRESSURE CONTROL SOLENOID VALVE B -SIDE) Ground for A/T pressure control solenoid valve B  
    10 BLU/WHT OP3SW (3RD OIL PRESSURE SWITCH) Detects 3rd oil pressure switch With the ignition switch ON (II): about 5 V With engine running in 3rd gear: about 0 V
    11 GRN/RED ATP2 (TRANSMISSION RANGE SWITCH 2ND POSITION) Detects transmission range switch 2nd position signal In 2nd position: about 0 V In any other position: battery voltage
    12 RED/WHT ATPRVS (TRANSMISSION RANGE SWITCH R POSITION) Detects transmission range switch R position signal In R position: about 0 V In any other position: about 5 V or battery voltage
    13 BLU/RED OP2SW (2ND OIL PRESSURE SWITCH) Detects 2nd oil pressure switch With the ignition switch ON (II): about 5 V With engine running in 2nd gear: about 0 V
    14 RED/YEL ATFT (ATF TEMPERATURE SENSOR) Detects ATF temperature sensor signal With the ignition switch ON (II): about 0.1 V - 4.2 V (depending on ATF temperature)
    15 BLU NC (COUNTERSHAFT SPEED SENSOR) Detects countershaft speed sensor signals With ignition switch ON (II), and front wheels rotating: pulses
    16 WHT/BLU LSC- (A/T PRESSURE CONTROL SOLENOID VALVE C -SIDE) Ground for A/T pressure control solenoid valve C With the ignition switch ON (II): duty controlled
    19 BRN ATP1 (TRANSMISSION RANGE SWITCH 1ST POSITION) Detects transmission range switch 1st position signal In 1st position: about 0 V In any other position: battery voltage




    *1: A/T

    *2: M/T

    *3: with TWC model

    *4: KG, KS, KE, KR, KU, KZ, FO, KQ, KK, KM models

    *5: KG, KS, KE, KR, KU (Hong Kong) models

    *6: KG, KS, KE, KR, KU, KZ, FO, KQ models

    *7: KG, KS, KE, KR, KU, KN, KH, KY, KZ, FO, KQ, KK, KM models

    *8: except KG, KS, KE, KR, KU, KN, KH, KY, KZ, FO, KQ, KK, KM models

    *9: except TWC model

    *10: with cruise control

    System Descriptions (cont'd)11-16

    PCM Inputs and Outputs at Connector D (17P)


    Wire side of female terminals

    NOTE: Standard battery voltage is 12 V.

    Terminal number

    Wire color

    Terminal name

    Description

    Signal

    2 GRN ODSW (OVER-DRIVE SWITCH) Detects over-drive switch signal With Over-Drive OFF (O/D OFF indicator light turned ON): about 0 V With Over-Drive ON (O/D OFF indicator light turned OFF): about 5 V
    4 BLK/RED ATPN (TRANSMISSION RANGE SWITCH NEUTRAL POSITION) Detects transmission range switch Neutral position signal In Neutral position: about 0 V In any other position: about 5 V or battery voltage
    5 WHT ATPR (TRANSMISSION RANGE SWITCH R POSITION) Detects transmission range switch R position signal In R position: about 0 V In any other position: about 5 V or battery voltage
    6 BLU/BLK ATPP (TRANSMISSION RANGE SWITCH PARK POSITION) Detects transmission range switch Park position signal In Park position: about 0 V In any other position: about 5 V or battery voltage
    10 LT BLU ATPD (TRANSMISSION RANGE SWITCH D POSITION) Detects transmission range switch D position signal In D position: about 0 V In any other position: about 5 V or battery voltage
    12* 10 BLU/ORN CCS (CRUISE CONTROL SIGNAL Detects cruise control signal With ignition switch ON (II): pulses




    *1: A/T

    *2: M/T

    *3: with TWC model

    *4: KG, KS, KE, KR, KU, KZ, FO, KQ, KK, KM models

    *5: KG, KS, KE, KR, KU (Hong Kong) models

    *6: KG, KS, KE, KR, KU, KZ, FO, KQ models

    *7: KG, KS, KE, KR, KU, KN, KH, KY, KZ, FO, KQ, KK, KM models

    *8: except KG, KS, KE, KR, KU, KN, KH, KY, KZ, FO, KQ, KK, KM models

    *9: except TWC model

    *10: with cruise control

    11-17

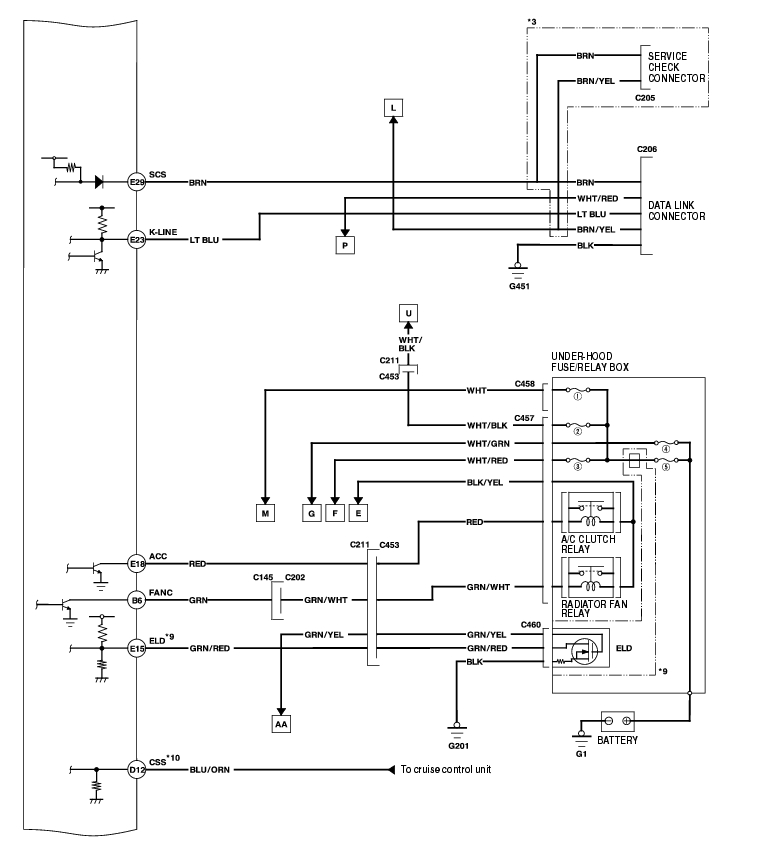
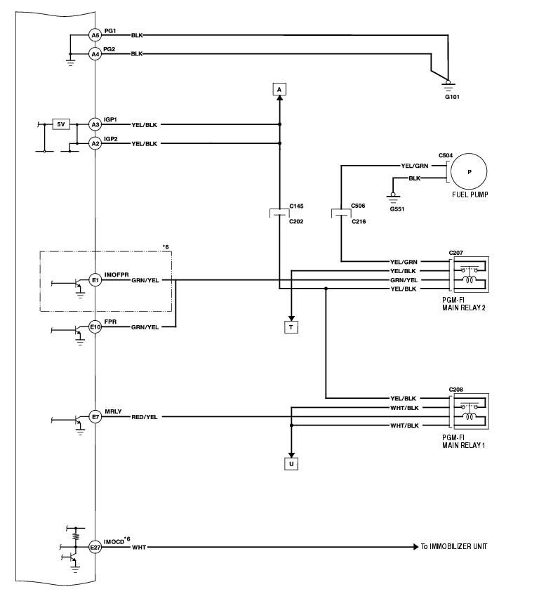
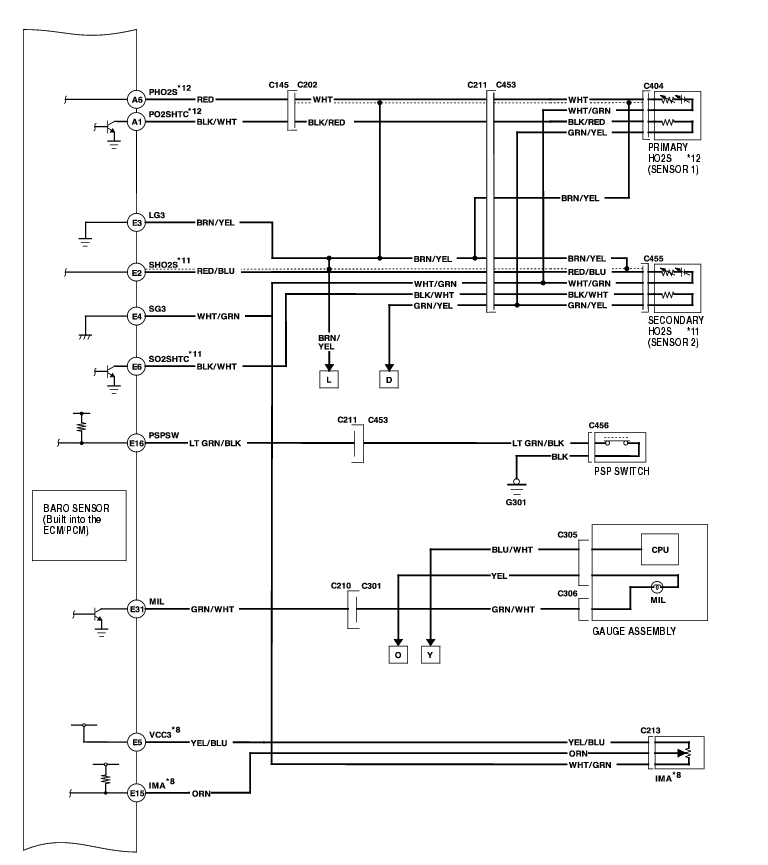
    ECM/PCM Inputs and Outputs at Connector E (31P)


    Wire side of female terminals

    NOTE: Standard battery voltage is 12 V.

    Terminal number

    Wire color

    Terminal name

    Description

    Signal

    1* 7 GRN/YEL IMO FPR (IMMOBILIZER FUEL PUMP RELAY) Drives PGM-FI main ralay 2 0 V for 2 seconds after turning ignition switch ON (II), then battery voltage
    2* 6 WHT/RED SHO2S (SECONDARY HEATED OXYGEN SENSOR, SENSOR 2) Detects Secondary HO2S (sensor 2) signal With throttle fully opened from idle with fully warmed up engine: above 0.6 V With throttle quickly closed: below 0.4 V
    3 BRN/YEL LG3 (LOGIC GROUND) Ground for the ECM/PCM control circuit Less than 1.0 V at all times
    4 PNK SG3 (SENSOR GROUND) Sensor ground Less than 1.0 V at all times
    5 YEL/BLU VCC3 (SENSOR VOLTAGE) Provides sensor voltage With ignition switch ON (II): about 5 V With ignition switch OFF: about 0 V
    6* 6 BLK/WHT SO2SHTC (SECONDARY HEATED OXYGEN SENSOR HEATER CONTROL) Drives Secondary HO2S heater With ignition switch ON (II): battery voltage With fully warmed up engine running: duty controlled
    7 RED/YEL MRLY (PGM-FI MAIN RELAY) Drives PGM-FI main relay 1 Power source for the DTC memory With ignition switch ON (II): battery voltage With ignition switch OFF: about 0 V
    9 YEL/BLK IG1 (IGNITION SIGNAL) Detects ignition signal With ignition switch ON (II): battery voltage With ignition switch OFF: about 0 V
    10* 8 GRN/YEL FPR (FUEL PUMP RELAY) Drives PGM-FI main relay 2 0 V for 2 seconds after turning ignition switch ON (II), then battery voltage
    13* 1 WHT/BLU ILU (INTERLOCK CONTROL UNIT) Drives interlock control unit With ignition switch ON (II) and brake pedal depressed: about 8.5 V
    15* 4 GRN/RED ELD (ELECTRICAL LOAD DETECTOR) Drives ELD signal With ignition switch ON (II): about 0.1 V - 4.8 V (depending on electrical load)
    15* 9 ORN IMA (IDLE MIXTURE ADJUSTER (IMA)) Detects IMA signal With ignition switch ON (II): about 0.5-4.5 V (depending on idle mixture)
    16 LT GRN/BLK PSPSW (POWER STEERING PRESSURE SWITCH SIGNAL) Detects PSP switch signal At idle steering wheel in straight ahead position: about 0 V At idle with steering wheel at full lock: battery voltage
    18 RED ACC (A/C CLUTCH RELAY) Drives A/C clutch relay With compressor ON: about 0 V With compressor OFF: battery voltage
    22 WHT/BLK BKSW (BRAKE PEDAL POSITION SWITCH) Detects BPP switch signal With brake pedal released: about 0 V With brake pedal pressed: battery voltage
    23 LT BLU K-LINE Sends and receives scan tool signal With ignition switch ON (II): pulses or battery voltage
    24 YEL SEFMJ Communicates with multiplex control unit With ignition switch ON (II): about 5 V With engine running with load: pulses
    25* 1 BLU/WHT VSSOUT (VEHICLE SPEED SENSOR OUTPUT SIGNAL) Sends vehicle speed sensor signal Depending on vehicle speed: pulses
    26 BLU NEP (ENGINE SPEED PULSE) Outputs engine speed pulse With engine running: pulses
    27* 7 RED/BLU IMOCD (IMMOBILIZER CODE) Detects immobilizer signal  
    29 BRN SCS (SERVICE CHECK SIGNAL) Detects service check signal With the service check signal shorted with the PGM Tester: about 0 V With the service check signal opened: about 5 V battery voltage
    31 GRN/WHT MIL (MALFUNCTION INDICATOR LAMP) Drives MIL With MIL turned ON: about 0 V With MIL turned OFF: battery voltage




    1: A/T

    *2: M/T

    *3: with TWC model

    *4: KG, KS, KE, KR, KU, KZ, FO, KQ, KK, KM models

    *5: KG, KS, KE, KR, KU (Hong Kong) model

    *6: KG, KS, KE, KR, KU, KZ, FO, KQ models

    *7: KG, KS, KE, KR, KU, KN, KH, KY, KZ, FO, KQ, KK, KM models

    *8: except KG, KS, KE, KR, KU, KN, KH, KY, KZ, FO, KQ, KK, KM models

    *9: except TWC model

    *10: with cruise control

    System Descriptions (cont'd)11-18

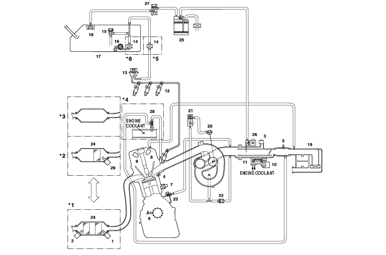
    Vacuum Hose Routing


    11-19

    Vacuum Distribution


    *1: KG, Ks, KE, KR, KU, KZ, FO, KQ models *5: except KZ, PH, FO, IN, MA models
    *2: KN, KM, KY, MA, PH, IN, KK models *6: KZ, PH, FO, IN, MA models
    *3: without TWC model
    *4: with TWC model

    1

    PRIMARY HEATED OXYGEN SENSOR

    (PRIMARY HO2S) (SENSOR 1)

    15

    FUEL PRESSURE REGULATOR

    16

    FUEL PUMP

    2

    SECONDARY HEATED OXYGEN SENSOR

    17

    FUEL TANK

    SECONDARY HO2S) (SENSOR 2)

    18

    FUEL TANK VAPOR/LIQUID SEPARATION VALVE

    3

    MANIFOLD ABSOLUTE PRESSURE (MAP) SENSOR

    19

    AIR CLEANER

    4

    ENGINE COOLANT TEMPERATURE (ECT) SENSOR

    20

    INTAKE MANIFOLD RUNER CONTROL (IMRC) CONTROL VALVE

    5

    INTAKE AIR TEMPERATURE (IAT) SENSOR

    21

    INTAKE MANIFOLD RUNNER CONTROL (IMRC) SOLENOID VALVE

    6

    CRANKSHAFT POSITION (CKP) SENSOR

    22

    INTAKE MANIFOLD RUNNER CONTROL (IMRC) CHECK VALVE

    7

    KNOCK SENSOR

    23

    POSITIVE CRANKCASE VENTILATION (PCV) VALVE

    8

    TOP DEAD CENTER (TDC) SENSOR

    24

    THREE WAY CATALYTIC CONVERTER

    9

    CAMSHAFT POSITION (CMP) SENSOR

    25

    EVAPORATIVE EMISSION (EVAP) CONTROL CANISTER

    10

    IDLE AIR CONTROL (IAC) VALVE

    26

    EVAPORATIVE EMISSION (EVAP) CANISTER PURGE VALVE

    11

    THROTTLE BODY

    27

    EVAPORATIVE EMISSION (EVAP) TWO WAY VALVE

    12

    INJECTOR

    28

    INTAKE AIR BYPASS CONTROL THERMAL VALVE

    13

    FUEL PULSATION DAMPER

    29

    HEATED OXYGEN SENSOR (HO2S)

    14

    FUEL FILTER

     




    System Descriptions (cont'd)11-20

    PGM-FI System

    The Programmed Fuel Injection (PGM-FI) system is a sequential multiport fuel injection system.

    Air Conditioning (A/C) Compressor Clutch Relay

    When the ECM/PCM receives a demand for cooling from the A/C system, it delays the compressor from being energized, and enriches the mixture to assure smooth transition to the A/C mode.

    Alternator Control

    The alternator signals the Engine Control Module (ECM)/Powertrain Control Module (PCM) during charging.

    Barometric Pressure (BARO) Sensor

    The BARO sensor is inside the ECM/PCM. It converts atmospheric pressure into a voltage signal that modifies the basic duration of the fuel injection discharge.

    Crankshaft Position (CKP) Sensor

    The CKP sensor detects crankshaft speed and determines ignition timing and timing for fuel injection of each cylinder, as well as detecting engine misfire.


    Engine Coolant Temperature (ECT) Sensor

    The ECT sensor is a temperature dependent resistor (thermistor). The resistor of the thermistor decreases as the engine coolant temperature increases.


    Idle Mixture Adjuster (IMA) (without TWA model)

    The idle mixture adjuster (IMA) is selected resistance device used to control idle mixture.


    Ignition Timing Control

    The ECM/PCM contains the memory for basic ignition timing at various engine speeds and manifold absolute pressure. It also adjusts the timing according to engine coolant temperature.

    Injector Timing and Duration

    The ECM/PCM contains the memory for basic discharge duration at various engine speeds and manifold pressures. The basic discharge duration, after being read out from the memory, is further modified by signals sent from various sensors to obtain the final discharge duration.

    By monitoring long term fuel trim, the ECM/PCM detects long term malfunctions in the fuel system, and will set a Diagnostic Trouble Code (DTC).

    11-21

    Intake Air Temperature (IAT) Sensor

    The IAT sensor is a temperature dependent resistor (thermistor). The resistance of the thermistor decreases as the intake air temperature increases.


    Knock Sensor

    The knock control system adjusts the ignition timing to minimize knock.


    Manifold Absolute Pressure (MAP) Sensor

    The MAP sensor converts manifold absolute pressure into electrical signals to the ECM/PCM.


    Primary Heated Oxygen Sensor (Primary HO2S)

    The primary HO2S detects the oxygen content in the exhaust gas and sends signals to the ECM/PCM which varies the duration of fuel injection accordingly. To stabilize its output, the sensor has an internal heater. The primary HO2S is installed in the Three Way Catalytic Converter (TWC). By controlling the air fuel ratio with primary HO2S and secondary HO2S, the deterioration of the primary HO2S can be evaluated by its feedback period. When the feedback period exceeds a certain value during stable driving conditions, the sensor is considered deteriorated and the ECM/PCM sets a DTC.


    Secondary Heated Oxygen Sensor (Secondary HO2S)

    The secondary HO2S detects the oxygen content in the exhaust gas downstream of the Three Way Catalytic Converter (TWC) and sends signals to the ECM/PCM which varies the duration of fuel injection accordingly. To stabilize its output, the sensor has an internal heater. The secondary HO2S is installed in the TWC.


    Starting Control

    When the engine is started, the ECM/PCM provides a rich mixture by increasing injector duration.

    System Descriptions (cont'd)11-22

    PGM-FI System (cont'd)

    Throttle Position (TP) Sensor

    The TP sensor is a potentiometer connected to the throttle valve shaft. As the throttle position changes, the sensor varies the signal voltage to the ECM/PCM. The TP sensor is not replaceable apart from the throttle body.


    Top Dead Center (TDC) Sensor

    The TDC sensor detects the position of the No. 1 cylinder as a reference for sequential fuel injection to each cylinder.


    Vehicle Speed Sensor (VSS)

    The VSS is driven by the differential. It generates a pulsed signal from an input of 5 volts. The number of pulses per minute increases/decreases with the speed of the vehicle.

    11-23

    VTEC/VTC

  • The i-VTEC has a VTC (Variable Valve Timing Control) mechanism on the intake camshaft in addition to the usual VTEC.
    This mechanism improves fuel efficiency and reduces exhaust emissions at all levels of engine speed, vehicle speed, and engine load.
  • The VTEC mechanism changes the valve lift and timing by using more than one cam profile.
  • The VTC changes the phase of the intake camshaft via oil pressure. It changes the intake valve timing continuously.


    Driving Condition VTC Control Description

    1

    light-load Base Position Cam angle is retarded to reduce the entry of exhaust gas into the intake port and to achieve stable fuel consumption during lean burn.

    2

    medium/high-load Advance Control Cam angle is advanced for EGR effect and to reduce this pumping loss. The intake valve is closed quickly to help reduce the entry of air/fuel mixture into the intake port and improve the charging effect.

    3

    high speed Advance-Base Position Cam phase angle is controlled for optimum valve timing and maximum engine power.




  • System Descriptions (cont'd)11-24

    VTEC/VTC

    VTC system
  • The VTC system makes continuous intake valve timing changes based on operating conditions.
  • Intake valve timing to allow the engine to produce maximum power.
  • Cam angle is advanced to obtain the EGR effect and reduce the pumping loss. The intake valve is closed quickly to reduce the entry of the air/fuel mixture into the intake port and improve the charging effect.
  • Reduces the cam advance at idle, stabilizes combustion, and reduces engine speed.
  • If a malfunction occurs, the VTC system control is disabled and the valve timing is fixed at the fully retarded position.


  • VTEC system
  • The VTEC system changes the cam profile to correspond to the engine speed. It maximizes torque at low engine speed and output at high engine speed.
  • The low lift cam is used at low engine speeds, and the high lift cam is used at high engine speeds.


  • 11-25

    System Diagram


    Camshaft Position (CMP) Sensor

    The CMP sensor detects camshaft angle position for the VTC system.


    System Descriptions (cont'd)11-26

    Idle Control System

    When the engine is cold, the A/C compressor is on, the transmission is in gear, the brake pedal is pressed, the power steering load is high, or the alternator is charging, the ECM/PCM controls current to the Idle Air Control (IAC) valve to maintain the correct idle speed. Refer to the System Diagram to see the functional layout of the system.

    Brake Pedal Position Switch

    The brake pedal position switch signals the ECM/PCM when the brake pedal is pressed.

    Idle Air Control (IAC) Valve

    To maintain the proper idle speed, the IAC valve changes the amount of air bypassing the throttle body in response to an electrical signal from the ECM/PCM.


    Power Steering Pressure (PSP) Switch

    The PSP switch signals the ECM/PCM when the power steering load is high.

    Fuel Supply System

    Fuel Cut-off Control

    During deceleration with the throttle valve closed, current to the injectors is cut off to improve fuel economy at speeds over 850 rpm (min-1) (KY, KH, PH, KP, IN models: 900 rpm (min-1)). Fuel cut-off action also occurs when engine speed exceeds 6,900 rpm (min-1) (K24A1 engine: 6,700 rpm (min-1)), regardless of the position of the throttle valve, to protect the engine from over-revving. When the vehicle is stopped, the ECM/PCM cuts the fuel at engine speeds over 6,500 rpm (min-1) (A/T: 5,000 rpm (min-1)).

    Fuel Pump Control

    When the ignition is turned on, the ECM/PCM grounds the PGM-FI main relay which feeds current to the fuel pump for 2 seconds to pressurize the fuel system. With the engine running, the ECM/PCM grounds the PGM-FI main relay and feeds current to the fuel pump. When the engine is not running and the ignition is on, the ECM/PCM cuts ground to the PGM-FI main relay which cuts current to the fuel pump.

    PGM-FI Main Relay 1 and 2

    The PGM-FI relay consists of two separate relays. PGM-FI main relay 1 is energized whenever the ignition switch is ON (II) which supplies battery voltage to the ECM/PCM, power to the injectors, and power for the PGM-FI main relay 2. PGM-FI main relay 2 is energized to supply power to the fuel pump for 2 seconds when the ignition switch is turned ON (II), and when the engine is running.

    11-27

    Intake Air System

    Refer to the System Diagram to see the functional layout of the system.

    Throttle Body

    The throttle body is a single-barrel side draft type. The lower portion of the IAC valve is heated by engine coolant from the cylinder head.


    Intake Air Bypass Control Thermal Valve

    When the engine is running, the intake air bypass control thermal valve sends air to the injector.


    System Descriptions (cont'd)11-28

    Catalytic Converter System

    Three Way Catalytic Converter (TWC)

    The TWC converts hydrocarbons (HC), carbon monoxide (CO), and oxides of nitrogen (NOx) in the exhaust gas to carbon dioxide (CO2), dinitrogen (N2), and water vapor.

    KG, KS, KE, KR, KU, KZ, FO, KQ, models:


    KN, KM, KY, MA, PH, IN, KK models:


    Positive Crankcase Ventilation (PCV) System

    The PCV valve prevents blow-by gasses from escaping into the atmosphere by venting them into the intake manifold.


    Evaporative Emission (EVAP) Control System

    Refer to the System Diagram to see the functional layout of the system.

    EVAP Canister

    The EVAP canister temporarily stores fuel vapor from the fuel tank until it can be purged back into the engine and burned (refer to the System Diagram to see the functional layout of the system).

    EVAP Canister Purge Valve

    When the engine coolant temperature is below 65°C (149°F), the ECM/PCM turns off the EVAP canister purge valve which cuts vacuum to the EVAP canister.

    11-29

    Idle Control System Diagram

    The idle speed of the engine is controlled by the Idle Air Control (IAC) valve:

  • After the engine starts, the IAC valve opens for a certain amount of time. The amount of air is increased to raise the idle speed.
  • When the engine coolant temperature is low, the IAC valve is opened to obtain the proper fast idle speed. The amount of bypassed air is thus controlled in relation to engine coolant temperature.


  • Intake Air System Diagram

    This system supplies air for engine needs. A resonator in the intake air pipe provides additional silencing as air is drawn into the system.


    System Descriptions (cont'd)11-30

    Intake Manifold Runner Control (IMRC) System

    Satisfactory power performance is achieved by closing and opening the Intake Manifold Runner Control (IMRC) valve. High torque at low engine speed is achieved when the valve is closed, whereas high power at high engine is achieved when the valve is opened.


    11-31

    Evaporative Emission (EVAP) Control Diagram

    The EVAP controls minimize the amount of fuel vapor escaping to the atmosphere. Vapor from the fuel tank is temporarily stored in the EVAP canister until it can be purged from the EVAP canister into the engine and burned.

  • The EVAP canister is purged by drawing fresh air through it and into a port on the intake manifold.
  • The purging vacuum is controlled by the EVAP canister purge valve, which is open whenever engine coolant temperature is above 65°C (149°F).
  • When vapor pressure in the fuel tank is higher than the set value of the EVAP two way valve, the valve opens and regulates the flow of fuel vapor to the EVAP canister.


  • System Descriptions (cont'd)11-32

    ECM/PCM Circuit Diagram


    11-33


    System Descriptions (cont'd)11-34


    11-35


    System Descriptions (cont'd)11-36


    11-37


    System Descriptions (cont'd)11-38


    11-39


    System Descriptions (cont'd)11-40


    11-41


    UNDER-HOOD FUSE/RELAY BOX: UNDER-DASH FUSE/RELAY BOX:

    1

    No. 20 IG (50A)

    1

    No. 4 ACG (10A)

    2

    No. 6 ECU (ECM/PCM) (15A)

    2

    No. 1 IGN COIL (15A)

    3

    No. 9 BACK UP (10A)

    3

    No. 17 FUEL PUMP (15A)

    4

    No. 7 HORN, STOP (15A)

    4

    No. 10 METER (7.5A)

    5

    No. 19 BATTERY (100A)

    5

    No. 14 A/C CLUTCH RELAY (10A)




    System Descriptions (cont'd)11-42

    LHD model:


    11-43


    Note: · Connector with male terminals (double outline): View from terminal side

    · Connector with female terminals (single outline): View from wire side

    · O : Related to ECM/PCM control

    System Descriptions (cont'd)11-44

    LHD model:


    11-45


    Note: · Connector with male terminals (double outline): View from terminal side

    · Connector with female terminals (single outline): View from wire side

    · O : Related to ECM/PCM control

    System Descriptions (cont'd)11-46

    LHD model:


    11-47


    Note: · Connector with male terminals (double outline): View from terminal side

    · Connector with female terminals (single outline): View from wire side

    · O : Related to ECM/PCM control

    · : Terminal side of female terminals

    System Descriptions (cont'd)11-48

    LHD model:


    11-49


    Note: · Connector with male terminals (double outline): View from terminal side

    · Connector with female terminals (single outline): View from wire side

    · O : Related to ECM/PCM control

    System Descriptions (cont'd)11-50

    RHD model:


    11-51


    Note: · Connector with male terminals (double outline): View from terminal side

    · Connector with female terminals (single outline): View from wire side

    · O : Related to ECM/PCM control

    System Descriptions (cont'd)11-52

    RHD model:


    11-53


    Note: · Connector with male terminals (double outline): View from terminal side

    · Connector with female terminals (single outline): View from wire side

    · O : Related to ECM/PCM control

    System Descriptions (cont'd)11-54

    RHD model:


    11-55


    Note: · Connector with male terminals (double outline): View from terminal side

    · Connector with female terminals (single outline): View from wire side

    · O : Related to ECM/PCM control

    · : Terminal side of female terminals


    System Descriptions (cont'd)11-56

    RHD model:


    11-57


    Note: · Connector with male terminals (double outline): View from terminal side

    · Connector with female terminals (single outline): View from wire side

    · O : Related to ECM/PCM control


    System Descriptions (cont'd)11-58



    Note: · Connector with male terminals (double outline): View from terminal side

    · Connector with female terminals (single outline): View from wire side

    · O : Related to ECM/PCM control




    Honda 2001 Fuel and Emissions11-1
    Fuel and Emissions Systems11-2
    Previous Page Next Page