Honda 2001 Body Electrical22A-1
Stereo Sound System 22A-116
Previous Page Next Page



Stereo Sound System 22A-116

Component Location Index

NOTE: LHD type is shown, RHD type is similar.


1

ROOF ANTENNA

Replacement, page 22A-132

2

LEFT REAR SPEAKER

Replacement, page 22A-130

3

ANTENNA SUB-LEAD

4

AUDIO UNIT

Removal, page 22A-128 ; Connector Replacement, page 22A-129

5

DRIVER'S DOOR SPEAKER

Replacement, page 22A-130

6

LEFT TWEETER

Replacement, page 22A-131

7

RIGHT TWEETER

Replacement, page 22A-131

8

FRONT PASSENGER'S DOOR SPEAKER

Replacement, page 22A-130

9

RIGHT REAR SPEAKER

Replacement, page 22A-130

10

ANTENNA LEAD




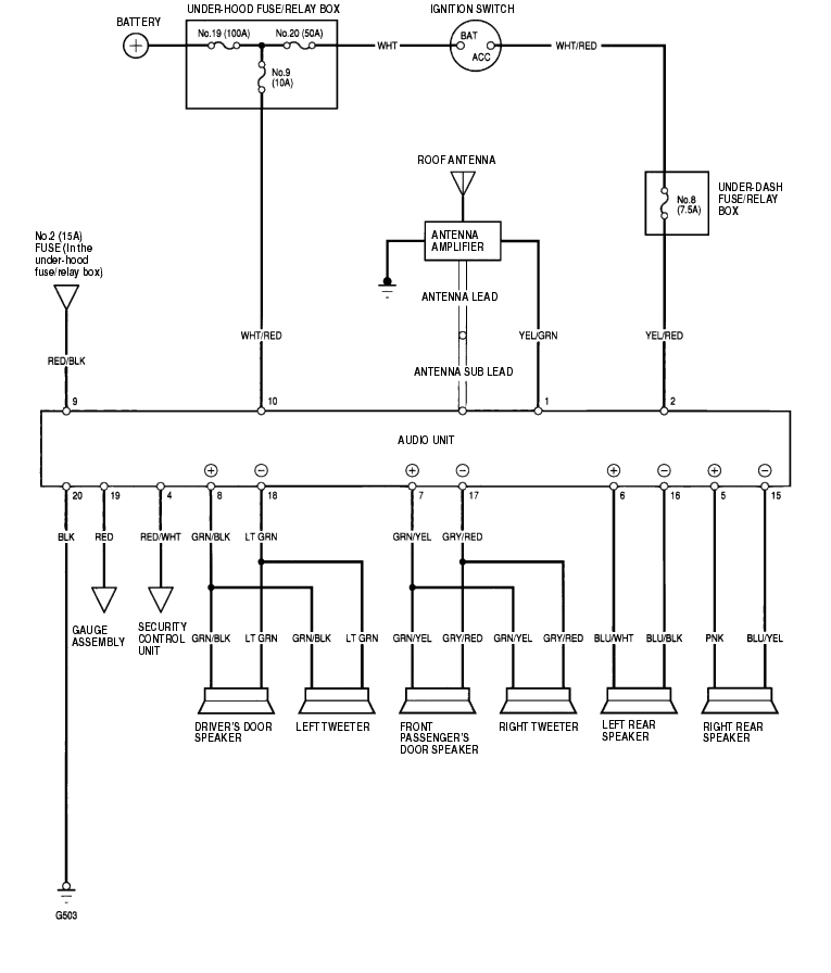
Circuit Diagram 22A-117


Audio Unit Removal/Installation 22A-118

NOTE:

  • Put on gloves to protect your hands.
  • Take care not to scratch the dashboard and related parts.
    1. Make sure you have the anti-theft code for the radio, then write down the frequencies for the radio's preset buttons.
    2. Remove the dashboard center panel (see page 20-89) .
    3. Remove the fore mounting bolts, then remove the audio unit.

    Type 1:



    Type 2:


    1. Disconnect the connector (A) and the antenna lead (B).
    2. Install the audio unit in the reverse order of removal, and note these items:
    3. Make sure the audio unit connector is plugged in properly, and the antenna lead is connected properly.
    4. Enter the anti-theft code for the radio, then enter the customer's radio station presets.

    Audio Unit Connector Replacement 22A-119

    Cavity

    Wire

    Connects to

    1 YEL/GRN Roof antenna
    2 YEL/RED ACC (Main stereo power supply)
    3 -------- Not used
    4 RED/WHT Security input
    5 PNK Right rear speaker (+)
    6 BLU/WHT Left rear speaker (+)
    7 GRN/YEL Front passenger's door speaker (+), Right tweeter (+)
    8 GRN/BLK Driver's door speaker (+), Left tweeter (+)
    9 RED/BLK Lights-on signal
    10 WHT/RED Constant power
    11 -------- Not used
    12 -------- Not used
    13 -------- Not used
    14 -------- Not used
    15 BLU/YEL Right rear speaker (--)
    16 BLU/BLK Left rear speaker (-)
    17 GRY/RED Front passenger's door speaker (-), Right tweeter (-)
    18 LT GRN Driver's door speaker (-), Left tweeter
    19 RED Gauge assembly
    20 BLK Ground (G503)





    Speaker Replacement 22A-120

    Door Speaker:

    1. Remove the door panel (see page 20-9) .
    2. Push down on the clip, then pull the top of the speaker (A) straight out just enough to release the upper clip. If you pull the speaker out too far, you will damage the lower clips (C). Then lift the speaker straight up to release the lower clips.


    3. Disconnect the 2P connector (B), and remove the speaker.
    4. Install the speaker in the reverse order of removal.

    Tweeter:

    1. Remove the tweeter speaker grille (A) and tweeter (B) as an assembly.
    2. Disconnect the 2P connector (C) from the tweeter.
    3. Remove the tweeter speaker grille from the tweeter.


    4. Install the tweeter in the reverse order of removal.

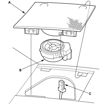
    Roof Antenna Replacement 22A-121

    1. Remove the rear part of headliner (see page 20-81) .
    2. Disconnect the antenna lead connector (A) and 1P connector (B) from the roof antenna (C).


    3. Remove the mounting nut and the antenna.


    Honda 2001 Body Electrical22A-1
    Stereo Sound System 22A-116
    Previous Page Next Page