Honda 2001 Body Electrical22A-1
Turn Signal/Hazard Flasher 22A-102
Previous Page Next Page



Turn Signal/Hazard Flasher 22A-102

Component Location Index

Note: LHD type is shown, RHD type is similar.


1

COMBINATION LIGHT/TURN SIGNAL SWITCH

Test, page 22A-98

2

TURN SIGNAL INDICATOR LIGHTS
(In the gauge assembly)

Gauge Bulb Replacement, page 22A-75

3

HAZARD WARNING LIGHT (KM and KP models)

4

HAZARD WARNING SWITCH

Test, page 22A-113

5

TURN SIGNAL/HAZARD RELAY

Input Test, page 22A-112

6

UNDER-DASH FUSE/RELAY BOX




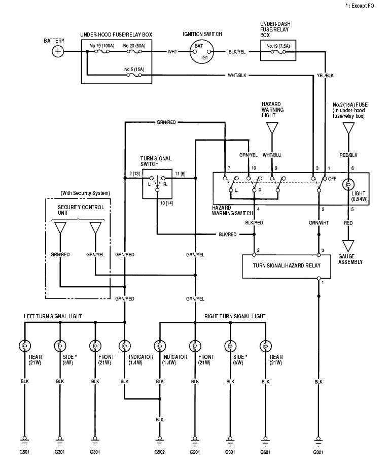
Circuit Diagram 22A-103


Turn Signal/Hazard Relay Input Test 22A-104

  1. Remove the turn signal/hazard relay (A) from the under-dash fuse/relay box (B).


  2. Inspect the relay and fuse/relay box socket terminals to be sure they are all making good contact.
  3. If the terminals are bent, loose, or corroded, repair them as necessary, and recheck the system.
  4. If the terminals look OK, go to step 3.
  5. Make these input tests at the fuse/relay box.
  6. If any test indicates a problem, find and correct the cause, then recheck the system.
  7. If all the input tests prove OK, the turn signal/hazard relay must be faulty; replace it.

    Cavity

    Test condition

    Test: Desired result

    Possible cause if result is not obtained

    1 Under all conditions Check for continuity to ground: There should be continuity.
  8. Poor ground (G301)
  9. An open in the wire
  10. 3 Ignition switch ON (II) Hazard warning switch OFF Check for voltage to ground: There should be battery voltage.
  11. Blown No. 19 (7.5A) fuse in the under-dash fuse/relay box
  12. Faulty hazard warning switch
  13. An open in the wire
  14. Hazard warning switch ON Ignition switch OFF Check for voltage to ground: There should be battery voltage.
  15. Blown No. 5 (15A) fuse in the under-hood fuse/relay box
  16. Faulty hazard warning switch
  17. An open in the wire
  18. 2 Ignition switch ON (II) and turn signal switch in Right or Left position Connect No. 2 terminal to No. 3 terminal: Right or left turn signal lights should come on.
  19. Poor ground (G201, G301, G502, G601)
  20. Faulty turn signal switch
  21. An open in the wire
  22. Hazard warning switch ON Connect No. 2 terminal to No. 3 terminal: Hazard warning lights should come on.
  23. Poor ground (G201, G301, G502, G601)
  24. Faulty hazard warning switch
  25. An open in the wire



Hazard Warning Switch Test 22A-105

  1. Remove the center panel (see page 20-89) .
  2. Disconnect the 10P connector (A) from the hazard warning switch (B).


  3. Push out the hazard warning switch from behind the center panel (C).
  4. Check for continuity between the terminals in each switch position according to the table.


  5. If the continuity is not as specified, replace the illumination bulb (D) or the switch.
  6. Install the switch in the reverse order of removal.


Honda 2001 Body Electrical22A-1
Turn Signal/Hazard Flasher 22A-102
Previous Page Next Page