Honda 2001 Driveline/Axle16-1
Intermediate Shaft Installation16-23
Previous Page Next Page



Intermediate Shaft Installation16-23

  1. Use solvent or carburetor cleaner to thoroughly clean the areas where the intermediate shaft (A) contacts the transmission (differential), and dry with compressed air. Insert the intermediate shaft assembly into the differential. Hold the intermediate shaft horizontal to prevent damage to the differential oil seal (B).


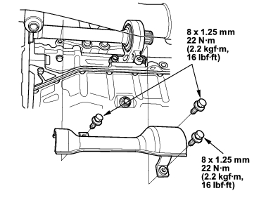
  2. Install the flange bolt (A) and two dowel bolts (B).


Intermediate Shaft Installation (cont'd)16-24

  1. Install the heat cover, and tighten the three bolts.


  2. Install the right driveshaft (see page 16-17) .


Honda 2001 Driveline/Axle16-1
Intermediate Shaft Installation16-23
Previous Page Next Page