Honda 2001 Driveline/Axle16-1
Intermediate Shaft Removal16-19
Previous Page Next Page



Intermediate Shaft Removal16-19

  1. Remove the right driveshaft (see page 16-3)
  2. Remove the heat cover.


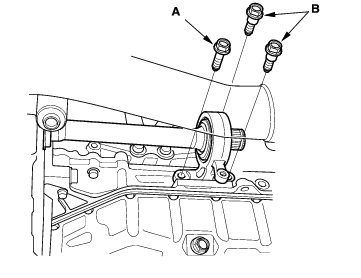
  3. Remove the flange bolt (A) and two dowel bolts (B).


  4. Remove the intermediate shaft (A) from the differential. Hold the intermediate shaft horizontal until it is clear of the differential to prevent damage to the differential oil seal (B).




Honda 2001 Driveline/Axle16-1
Intermediate Shaft Removal16-19
Previous Page Next Page