Honda 2001 Rear Differential15-1
Differential Removal15-14
Previous Page Next Page



Differential Removal15-14

  1. Drain the differential fluid (see page 15-13) .
  2. Mark the propeller shaft (A) and companion flange of the rear differential assembly (B) so they can be reinstalled in their original positions (C).


  3. Remove the propeller shaft from the rear differential assembly.
  4. Remove the EVAP canister assembly with bracket (see page 11-199) .
  5. Remove the rear differential damper (A).
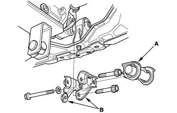
  6. Place a transmission jack under the rear differential assembly, then remove the right mounting bracket B (B) and the left mounting bracket B (B).


  7. Remove the mounting bolts and the plate.


  8. Remove the breather tube (A) from the breather tube fitting.


  9. Lower the rear differential assembly while pulling both driveshaft inner joints out of the rear differential assembly.
  10. NOTE: Be careful not to damage the driveshaft ring (B) when prying out the differential inboard joints.
  11. Remove the rear differential mount assembly A (A) from the rear differential assembly (B).




Honda 2001 Rear Differential15-1
Differential Removal15-14
Previous Page Next Page