Honda 2001 Wiring diagrams78-1
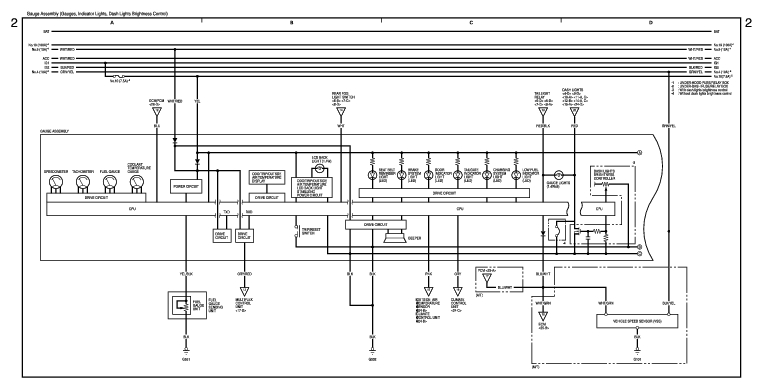
Gauge Assembly (Gauges, Indicator Lights, Dash Lights Brightness Control 78-6
Previous Page Next Page



Gauge Assembly (Gauges, Indicator Lights, Dash Lights Brightness Control 78-6




Honda 2001 Wiring diagrams78-1
Gauge Assembly (Gauges, Indicator Lights, Dash Lights Brightness Control 78-6
Previous Page Next Page