Honda 2001 Wiring diagrams78-1
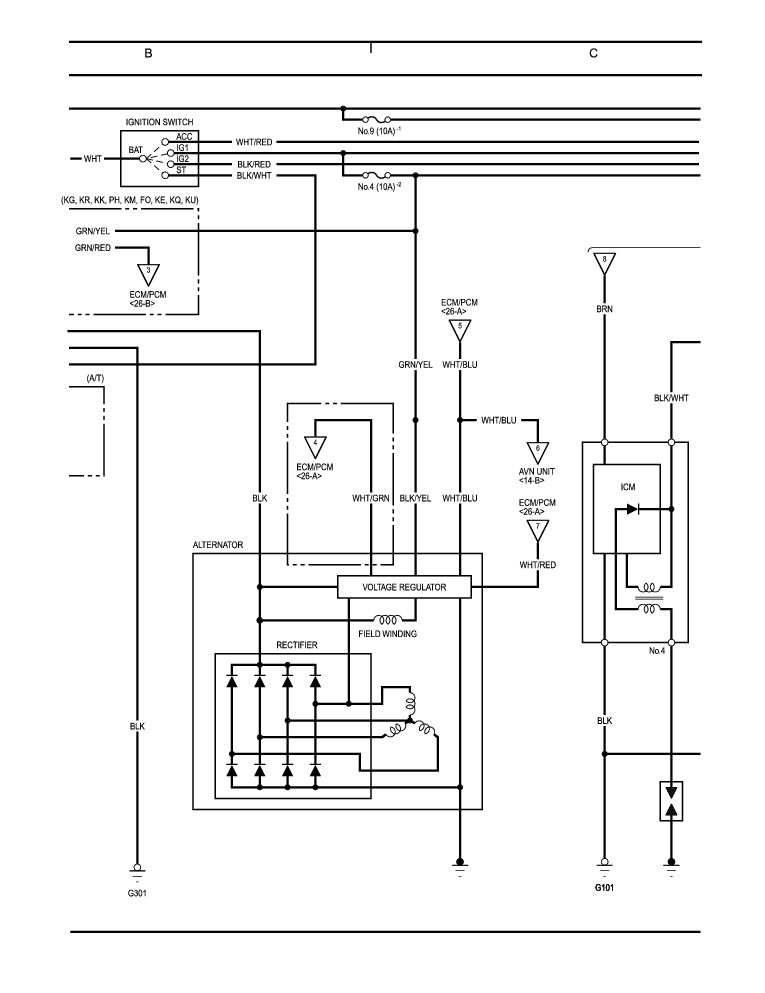
Starting System, Charging System, Ignition System (cont'd) 78-4
Previous Page Next Page



Starting System, Charging System, Ignition System (cont'd) 78-4




Honda 2001 Wiring diagrams78-1
Starting System, Charging System, Ignition System (cont'd) 78-4
Previous Page Next Page