Honda 2001 Wiring diagrams78-1
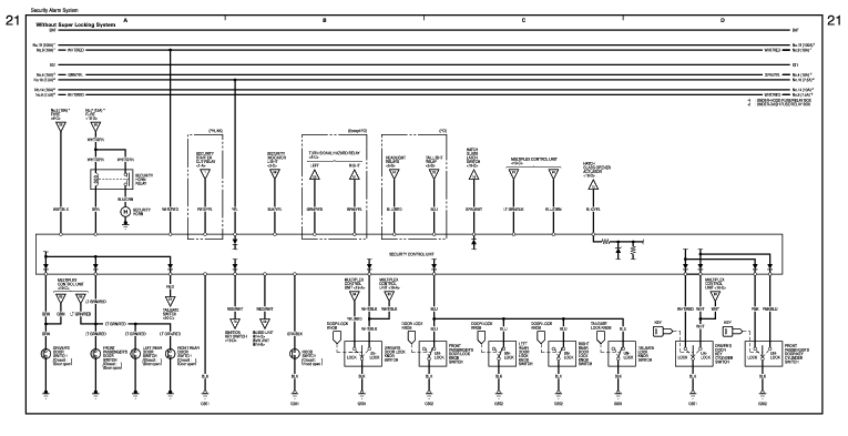
Security Alarm System (Without Super Locking System) 78-82
Previous Page Next Page



Security Alarm System (Without Super Locking System) 78-82




Honda 2001 Wiring diagrams78-1
Security Alarm System (Without Super Locking System) 78-82
Previous Page Next Page