Honda 2001 Wiring diagrams78-1
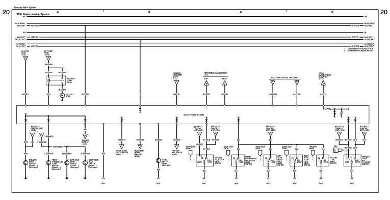
Security Alarm System (With Super Locking System) 78-78
Previous Page Next Page



Security Alarm System (With Super Locking System) 78-78





Honda 2001 Wiring diagrams78-1
Security Alarm System (With Super Locking System) 78-78
Previous Page Next Page