Honda 2001 Wiring diagrams78-1
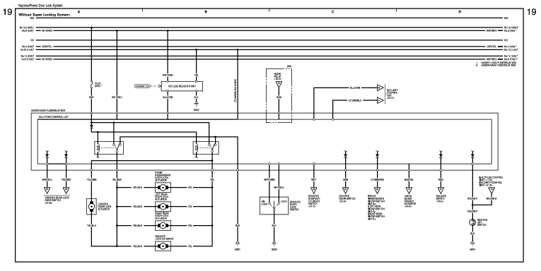
Keyless/Power Door Lock System (Without Super locking System) 78-74
Previous Page Next Page



Keyless/Power Door Lock System (Without Super locking System) 78-74





Honda 2001 Wiring diagrams78-1
Keyless/Power Door Lock System (Without Super locking System) 78-74
Previous Page Next Page