Honda 2001 Wiring diagrams78-1
Navigation System, Stereo Sound System (cont'd) 78-56
Previous Page Next Page



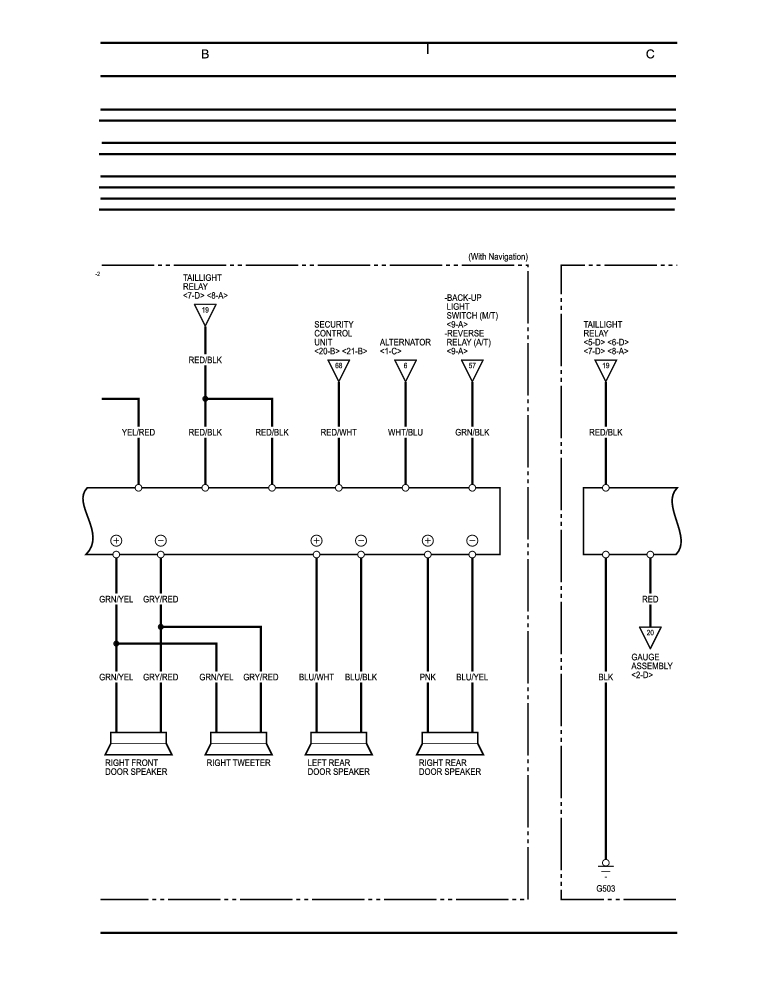
Navigation System, Stereo Sound System (cont'd) 78-56




Honda 2001 Wiring diagrams78-1
Navigation System, Stereo Sound System (cont'd) 78-56
Previous Page Next Page