Honda 2001 Wiring diagrams78-1
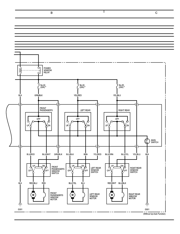
Power Window, Cigarette Lighter, Accessory Power Socket (cont'd) 78-52
Previous Page Next Page



Power Window, Cigarette Lighter, Accessory Power Socket (cont'd) 78-52




Honda 2001 Wiring diagrams78-1
Power Window, Cigarette Lighter, Accessory Power Socket (cont'd) 78-52
Previous Page Next Page