Honda 2001 Wiring diagrams78-1
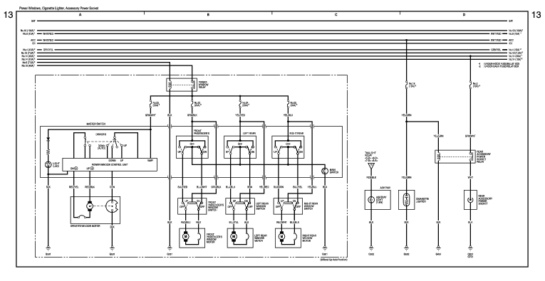
Power Window, Cigarette Lighter, Accessory Power Socket 78-50
Previous Page Next Page



Power Window, Cigarette Lighter, Accessory Power Socket 78-50





Honda 2001 Wiring diagrams78-1
Power Window, Cigarette Lighter, Accessory Power Socket 78-50
Previous Page Next Page