Honda 2001 Wiring diagrams78-1
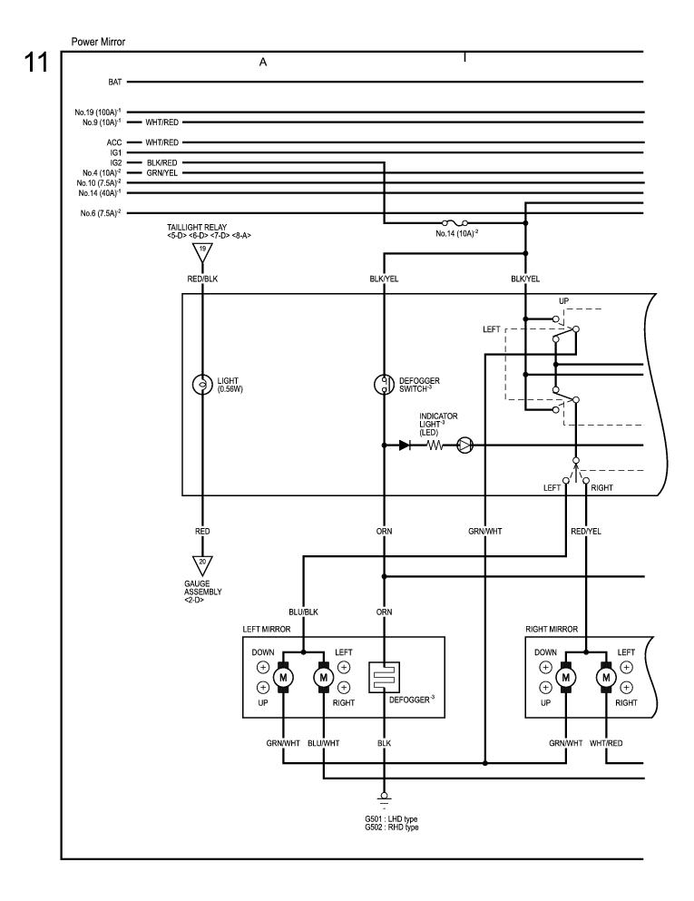
Power Mirror (cont'd) 78-43
Previous Page Next Page



Power Mirror (cont'd) 78-43




Honda 2001 Wiring diagrams78-1
Power Mirror (cont'd) 78-43
Previous Page Next Page