Honda 2001 Wiring diagrams78-1
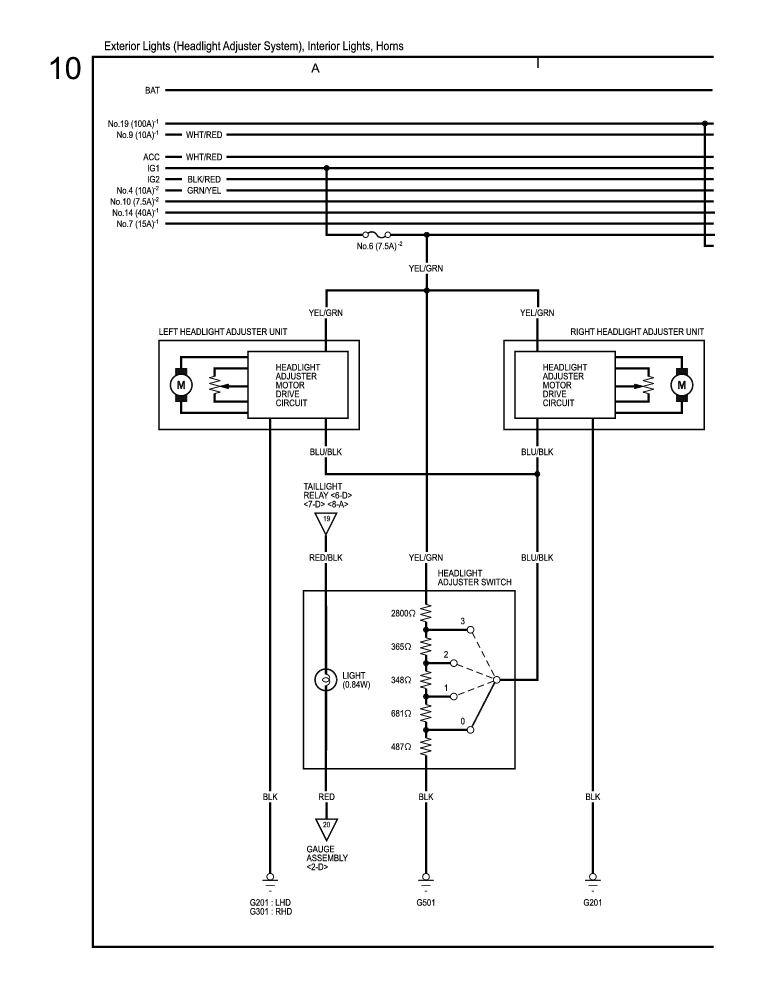
Exterior Lights (Headlight Adjuster System), Interior Lights, Horns (cont'd) 78-39
Previous Page Next Page



Exterior Lights (Headlight Adjuster System), Interior Lights, Horns (cont'd) 78-39




Honda 2001 Wiring diagrams78-1
Exterior Lights (Headlight Adjuster System), Interior Lights, Horns (cont'd) 78-39
Previous Page Next Page