Honda 2001 Wiring diagrams78-1
Exterior Lights (Back-up Lights, Brake Lights, Turn Signal/Hazard Flasher) (cont'd) 78-36
Previous Page Next Page



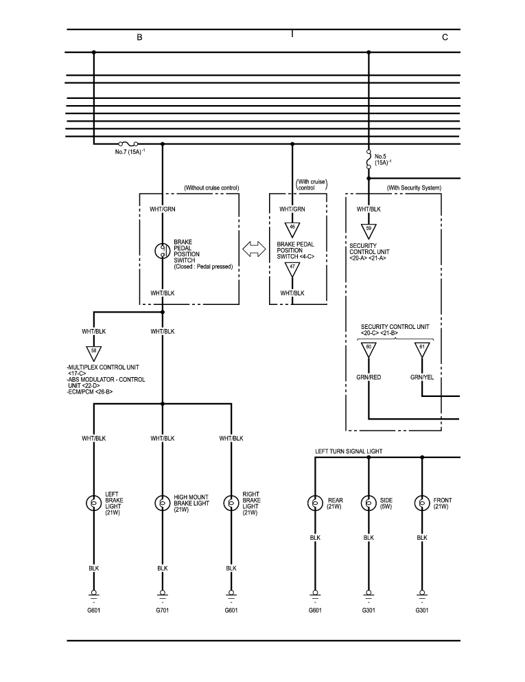
Exterior Lights (Back-up Lights, Brake Lights, Turn Signal/Hazard Flasher) (cont'd) 78-36




Honda 2001 Wiring diagrams78-1
Exterior Lights (Back-up Lights, Brake Lights, Turn Signal/Hazard Flasher) (cont'd) 78-36
Previous Page Next Page