Honda 2001 Wiring diagrams78-1
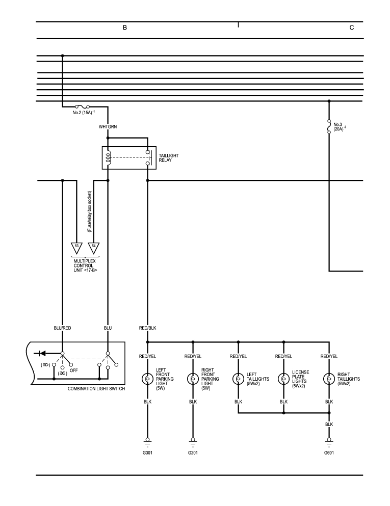
Exterior Lights (With Front and Rear Fog Lights) (cont'd) 78-28
Previous Page Next Page



Exterior Lights (With Front and Rear Fog Lights) (cont'd) 78-28




Honda 2001 Wiring diagrams78-1
Exterior Lights (With Front and Rear Fog Lights) (cont'd) 78-28
Previous Page Next Page