Free Japan Cars Factory Service Manuals
[ICO]NameSize
[PARENTDIR]Parent Directory -
[DIR]Hilux Service Manual/ -
[DIR]Vigo Repair Manual Disk 1/ -
[DIR]Vigo Repair Manual Disk 2/ -
[TXT]-list.html 37K
[   ]1kz-te heater hose.pdf2.2M
[IMG]2l-te_pinouts.jpg 63K
[   ]2LTparts.pdf604K
[   ]30Lpowerup.pdf448K
[IMG]Addauto.jpg 95K
[   ]ADD disconect.pdf535K
[   ]autodiagnosis.pdf1.0M
[   ]AutoSpeed - Cooler Flows.mht505K
[   ]bigsurf.pdf682K
[   ]DiagnositcTroubleCodesandPossibleCauses.doc 75K
[   ]Diff and gearbox filler.pdf1.1M
[   ]diff assembly.pdf2.1M
[   ]Drive train Lube points - Sunshade Plaque.pdf222K
[   ]DualBattery.pdf192K
[IMG]ECT wiring.jpg304K
[   ]Electric fan control for all.doc 66K
[IMG]Engine Diagram.jpg 97K
[   ]Engine Specs and other.pdf2.5M
[   ]exterior lighting.pdf1.0M
[IMG]fuelpumpschematic.jpg186K
[IMG]h-light.jpg181K
[   ]Headlight Loom Upgrade.pdf 94K
[   ]Instrument Cluster.pdf535K
[   ]intercooling.pdf125K
[   ]KSN185 wheel alignment specs.pdf 29K
[   ]KZN185 SSR-C non intercooled specs2.pdf101K
[   ]KZN185 SSR-G non intercooled specs.pdf101K
[TXT]maintenanceshcedule.htm 94K
[   ]PanhardRodDropBracket.pdf 16K
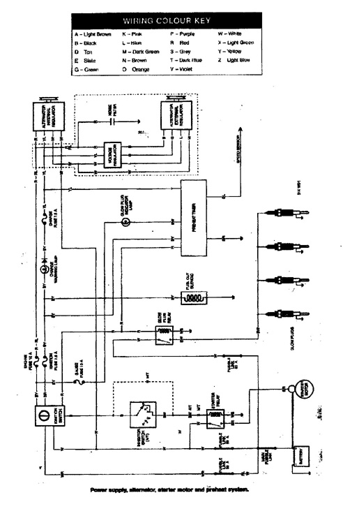
[   ]Power supply alternator.pdf596K
[   ]powerup.pdf1.2M
[   ]sunroof runners.pdf216K
[   ]sunvisor card translated.pdf 54K
[   ]sunvisor sticker translated.pdf 30K
[   ]surf35.pdf741K
[   ]surfbuying.pdf2.6M
[   ]Surf Greasing Points.pdf1.3M
[IMG]tailgate elecs.JPG594K
[   ]Thermostat Replacement.pdf 37K
[   ]timingbelt.pdf927K
[   ]toyota2lt.pdf603K
[   ]Toyota Surf Maint Sched.xls 43K
[   ]ToyotaSurfOwnersManual.pdf6.2M
[   ]TyreComparison.pdf2.6M
[   ]UHF channels.pdf115K
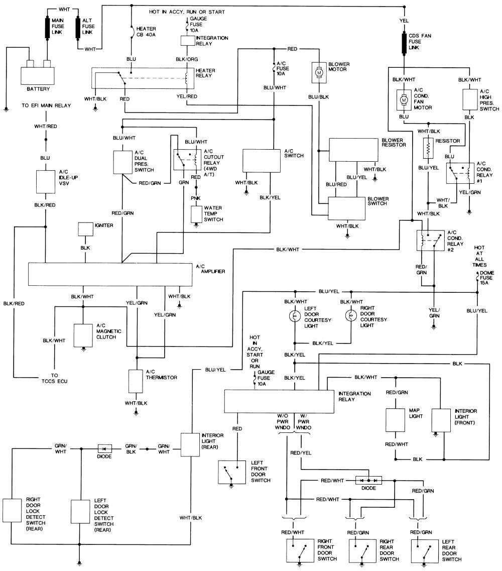
[IMG]wiring10.jpg184K
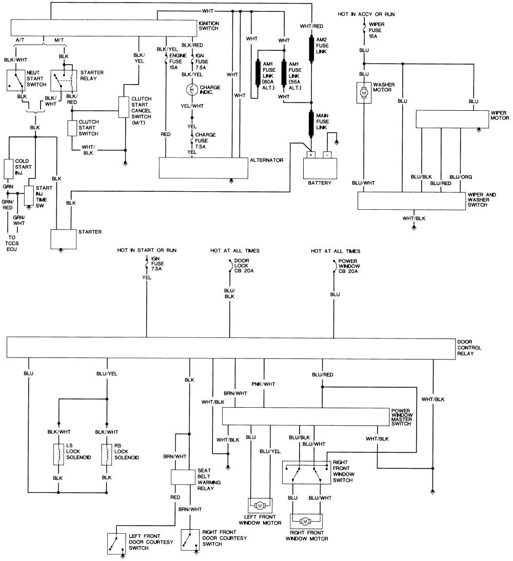
[   ]WiringDiagram.pdf378K
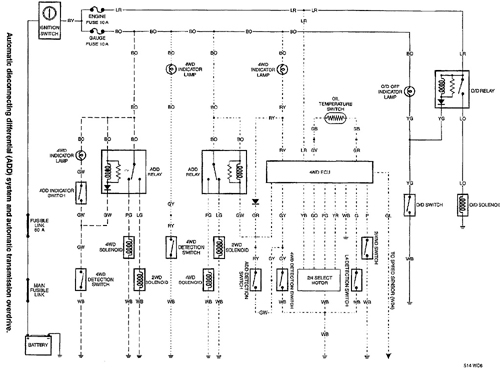
[IMG]WIRING DIAGS.jpg151K
Thanks to donations there are no ads! All manuals are available on downloadable archives HERE. You will get the pass with 5 EUR donation. If you have new service manuals, send them my way to be shared with the fellow owners!   
Contact