Previous Next

REMOVAL & INSTALLATION

2.2L Engines

Fig. 1: Exploded view of the cylinder head assembly and related components-1998 2.2L engines

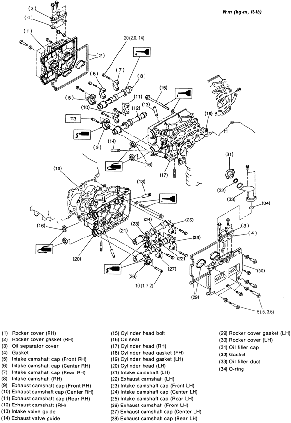
Fig. 2: Exploded view of the cylinder head assembly and related components-1999-01 2.2L engines

Fig. 3: Cylinder head bolt loosening sequence-2.2L engines

  1. Before servicing the vehicle, refer to the precautions in the beginning of this section.
  2. Remove or disconnect the following:
  3. Relieve the fuel system pressure and disconnect the fuel pipes.
  4. Clean all gasket material from both mating surfaces.

    To install:

    Fig. 4: Cylinder head bolt tightening sequence-2.2L engines

  5. Inspect the cylinder head for warpage. Warpage should not exceed 0.0020 in. (0.05mm).
  6. Install a new head gasket and the cylinder head.
  7. Secure the head in place with the mounting bolts. Coat each bolts with clean engine oil, and hand-tighten. Tighten the cylinder head bolts, in sequence, to the following specifications:
    1. Step 1: 22 ft. lbs. (29 Nm).
    2. Step 2: 51 ft. lbs. (69 Nm).
    3. Step 3: loosen all bolts by 180 degrees, then loosen an additional 180 degrees.
    4. Step 4: bolts 1 and 2: 25 ft. lbs. (34 Nm).
    5. Step 5: bolts 3, 4, 5 and 6: 11 ft. lbs. (15 Nm).
    6. Step 6: all bolts plus 80-90 degrees.
    7. Step 7: all bolts plus 80-90 degrees.

      NOTE: Do not exceed 180 degrees total tightening.

  8. Install or connect the following:
  9. Start the engine and allow it to reach operating temperature. Check for leaks.
2.5L Engine

Fig. 5: Exploded view of the cylinder head and related components-2.5L engine

Fig. 6: Cylinder head bolt loosening sequence-2.5L engine

  1. Before servicing the vehicle, refer to the precautions in the beginning of this section.
  2. Remove or disconnect the following:
  3. Relieve the fuel system pressure and disconnect the fuel pipes.
  4. Clean all gasket material from both mating surfaces.

    To install:

    Fig. 7: Cylinder head bolt tightening sequence-2.5L engines

  5. Inspect the cylinder head for warpage. Warpage should not exceed 0.0020 in. (0.05mm).
  6. Install a new head gasket and the cylinder head.
  7. Secure the head in place with the mounting bolts. Coat each bolts with clean engine oil, and hand-tighten. Tighten the cylinder head bolts to the following specifications:
    1. Step 1: all bolts to 22 ft. lbs. (29 Nm).
    2. Step 2: all bolts to 51 ft. lbs. (69 Nm).
    3. Step 3: loosen all bolts by 180 degrees, then loosen an additional 180 degrees.
    4. Step 4: bolts 1 and 2 to 25 ft. lbs. (24 Nm).
    5. Step 5: bolts 3, 4, 5 and 6 to 11 ft. lbs. (15 Nm).
    6. Step 6: all bolts plus 80-90 degrees.
    7. Step 7: All bolts plus 80-90 degrees.

      NOTE: Do not exceed 180 degrees total tightening.

  8. Install or connect the following:
  9. Start the engine and allow it to reach operating temperature. Check for leaks.

Previous Next