Previous Next

Oil Pump

REMOVAL & INSTALLATION

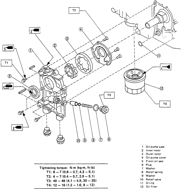
Fig. 1: Oil pump and components

2.2L and 2.5L Engines
1998-99 VEHICLES
  1. Before servicing the vehicle, refer to the precautions in the beginning of this section.
  2. Remove or disconnect the following:
  3. Drain the coolant into a suitable separate container.
  4. Remove or disconnect the following:

    WARNING
    Use extreme care not to damage the engine block or the oil pump during removal of the pump.

    To install:

  5. Measure the tip clearance of the rotors. If clearance is greater than 0.0071 in. (0.18mm), replace the rotors.
  6. Measure the clearance between the outer rotor and the cylinder block rotor housing. If clearance exceeds 0.0079 in. (0.20mm), replace the rotor.
  7. Measure the side clearance between the oil pump inner rotor and the pump cover. If clearance exceeds 0.0047 in. (0.12mm), replace the rotor or pump body.
  8. Install a new front oil seal on the pump cover using a driver.
  9. Assemble the oil pump.
  10. Apply sealant and a new O-ring to the oil pump.
  11. Install or connect the following:
  12. Fill and bleed the cooling system.
  13. Start the engine and check for leaks.
2000-03 VEHICLES
  1. Before servicing the vehicle, refer to the precautions in the beginning of this section.
  2. Remove or disconnect the following:
  3. Drain the coolant into a suitable separate container.

    WARNING
    Use extreme care not to damage the engine block or the oil pump during removal of the pump.

    To install:

  4. Measure the tip clearance of the rotors. If clearance is greater than 0.0071 in. (0.18mm), replace the rotors.
  5. Measure the clearance between the outer rotor and the cylinder block rotor housing. If clearance exceeds 0.0079 in. (0.20mm), replace the rotor.
  6. Measure the side clearance between the oil pump inner rotor and the pump cover. If clearance exceeds 0.0059 in. (0.15mm), replace the rotor or pump body.
  7. Assemble the oil pump.
  8. Apply sealant and a new O-ring to the oil pump.
  9. Install or connect the following:
  10. Fill and bleed the cooling system.
  11. Start the engine and check for leaks.

Previous Next