Previous Next

Front Crankshaft Seal

REMOVAL & INSTALLATION

1.8L Engine

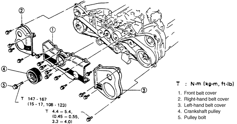
Exploded view of the timing belt covers and components — 1.8L engine

  1. Before servicing the vehicle, refer to the precautions in the beginning of this section.
  2. Remove or disconnect the following:

    To install:

  3. Install or connect the following:
  4. Tighten the alternator mounting bolts.
  5. Tighten the water pump pulley mounting bolts.
  6. Connect the negative battery cable.
2.2L Engine

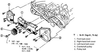
Exploded view of the timing belt covers and components — 2.2L engine

  1. Before servicing the vehicle, refer to the precautions in the beginning of this section.
  2. Remove or disconnect the following:
  3. Secure the crankshaft pulley with tool No. 499977000.
  4. Remove or disconnect the following:

    To install:

  5. Using a suitable seal driver, install a new crankshaft seal.
  6. Install or connect the following:
2.5L Engine
  1. Before servicing the vehicle, refer to the precautions in the beginning of this section.
  2. Remove or disconnect the following:
  3. Position the No. 1 piston to Top Dead Center (TDC) of its compression stroke.
  4. Remove or disconnect the following:
  5. Secure the crankshaft pulley with tool No. ST499977000.
  6. Remove or disconnect the following:

    To install:

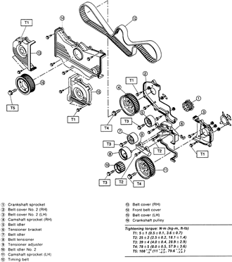
    Exploded view of the timing belt covers and components — 2.5L engine

  7. Install or connect the following:
3.3L Engine

Exploded view of the timing belt cover and components — 3.3L engine

  1. Before servicing the vehicle, refer to the precautions in the beginning of this section.
  2. Remove or disconnect the following:

    To install:

  3. Install or connect the following:

Previous Next