Previous Next

Steering Pump

REMOVAL & INSTALLATION

Except XT 2.7L Engine

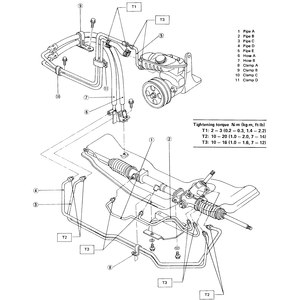
Fig. 1: Power steering pump and line assembly — Sedan, Coupe, Loyale, Wagon and Brat

Fig. 2: Disconnecting the fluid line

Fig. 3: Using a suitable socket, remove the power steering pump retainer bolts

Fig. 4: Lift the pump and reservoir assembly from the bracket — Legacy shown

  1. Disconnect the negative battery cable.
  2. Using a siphon, drain the power steering fluid from the reservoir.
  3. Loosen, but do not remove the power steering pump pulley nut. Loosen the pulley drive belts.
  4. Remove the power steering pump pulley nut and the pulley.
  5. Disconnect and plug the C pressure hose from the oil pump. Disconnect the D pressure hose from the oil tank.

    NOTE: To minimize the fluid loss from the reservoir, remove both bolts while the reservoir is pressed against the oil pump, then quickly remove the reservoir. It is a good idea to remove the pump and the reservoir as a unit, then separate the reservoir from the pump on a bench.

  6. Remove the power steering pump to bracket bolts. Remove the pump from the vehicle.
  7. Installation is the reverse of removal. Secure all components in this order.
  8. Adjust the power steering belt, refill the reservoir then bleed the power steering system.
XT
2.7L ENGINE
  1. Disconnect the negative battery cable.
  2. Disconnect the power controller connectors.
  3. Remove the power controller mounting bolts and remove the controller.
  4. Disconnect the harness and ground connectors from the pump motor.
  5. Siphon the fluid from the reservoir.
  6. Disconnect the power steering hoses from the pump assembly.
  7. Remove the six pump mounting nuts and bolts.
  8. Remove the pump assembly.
  9. Installation is the reverse of removal. Secure a pump assembly mounting nuts and bolts to 24 ft. lbs. (32 Nm). Tighten the pressure line fitting to 10 ft. lbs. (15 Nm).
  10. Refill and bleed the power steering system.

Previous Next