Previous Next

Transaxle

REMOVAL & INSTALLATION

Justy
WITH ECVT TRANSAXLE

Fig. 1: Engine and transaxle mount assembly — Justy

NOTE: When removing and installing ECVT transaxle, always remove and install the engine and transaxle as an assembly.

  1. Disconnect the negative battery cable. Drain the coolant by removing drain plug from radiator.
  2. Remove the grille. Disconnect hoses and electric wiring from radiator and remove the radiator.
  3. Remove front hood release cable and remove radiator upper support member. Disconnect horn and remove the air cleaner assembly.
  4. Disconnect the following hoses and cables:
    1. Hoses from carburetor
    2. Hoses from the heater unit
    3. Hose for brake booster
    4. Clutch cable
    5. Accelerator cable
    6. Choke cable from carburetor, if equipped
    7. Speedometer cable
    8. Distributor wiring
  5. Disconnect selector cable. Set selector lever at N position. Remove clip and detach selector cable from bracket. Remove snap pin, clevis pin and separate selector cable from transaxle.
  6. Remove the pitching stopper from the bracket.
  7. Disconnect the starter cable, engine wiring harness connectors, ground lead terminals and brush holder harness connector.
  8. Remove the hanger from the rear of transaxle.
  9. Remove under covers and remove the exhaust system.
  10. Remove the driveshaft from transaxle.
  11. Remove transverse link.
  12. Remove the spring pin retaining the axle shaft by using a suitable tool and separate front axle shaft from the transaxle.
  13. Remove engine and transaxle mounting brackets.
  14. Raise the engine and remove center member and crossmember.
  15. Lift up the engine/transaxle assembly carefully and remove it from the vehicle.
  16. Installation is the reverse of removal. Secure all components accordingly.
  17. Refill the coolant. Reconnect the battery cable.
  18. Check all fluid levels. Road test vehicles for proper operation in all driving ranges.
XT Coupe
1.8L AND 2.7L ENGINES

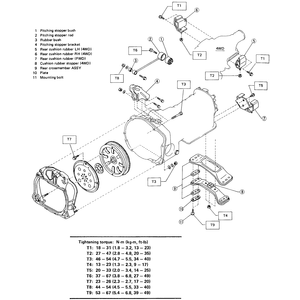
Fig. 2: Transaxle mounting — except Impreza, Justy, Legacy and SVX

  1. Disconnect the negative battery cable. Remove the air cleaner assembly.
  2. Remove the clutch cable and the Hill Holder cable. Remove the speedometer cable. Remove the torque converter from the drive plate.
  3. Remove the oxygen sensor electrical connector and the neutral switch connector.
  4. If equipped with 4WD, remove the and unplug the electrical connections at the back-up light and differential lock indicator switch assembly. Unplug the differential lock vacuum hose.
  5. Disconnect the starter electrical connections. Remove the starter retaining bolts. Remove the starter from the transaxle case.
  6. Remove the air intake boot. Disconnect the pitching stopper rod from its mounting bracket. Remove the right side engine to transaxle mounting bolt.
  7. Install engine support bracket 927160000 and engine support tool 927150000 or their equivalents. Remove the buffer rod from the engine and body side bracket.

    NOTE: Before attaching the special engine support tools, connect the adjuster to the buffer rod assembly on the right side of the engine.

  8. Raise and support the vehicle safely.
  9. Disconnect the exhaust pipes at the exhaust manifold flange. Remove the exhaust system up to the rear exhaust pipe assembly.
  10. If equipped with 4WD, matchmark and remove the driveshaft. Remove the complete gear shift assembly.
  11. Loosen the upper bolt and nut from the plate that secures the transverse link to the stabilizer. Remove the lower bolt and separate the link from the stabilizer.
  12. Remove the right brake cable bracket from the transverse link. Remove the bolt retaining the link to the crossmember on each side.
  13. Lower the transverse link. Using tool 398791700 or equivalent, remove the spring pin and separate the axle shaft from the driveshaft on each side of the assembly by pushing the rear of the tire outward.
  14. Remove the engine to transaxle mounting bolts. Position the proper transaxle jack under the transaxle assembly. Disconnect the transaxle cooler lines.
  15. Remove the rear cushion rubber mounting bolts. Remove the rear crossmember assembly.
  16. Turn the engine support tool adjuster counterclockwise in order to slightly raise the engine.
  17. Move the transaxle jack toward the rear of the vehicle until the mainshaft is withdrawn from the clutch cover.
  18. Carefully remove the transaxle assembly from the vehicle.

    To install:

  19. Carefully raise the transaxle until the mainshaft is aligned with the clutch side. Install the engine to the transaxle and temporarily tighten the mounting bolts.
  20. Install the rear crossmember rubber cushion and tighten nuts to 20–35 ft. lbs. (27–47 Nm). Install the rear crossmember and tighten front bolts to 65–87 ft. lbs. (88–118 Nm); rear bolts to 27–49 ft. lbs. (37–67 Nm).
  21. Tighten the engine-to-transaxle nuts to 34–40 ft. lbs. (46–54 Nm). Remove the transaxle jack.
  22. Install the halfshaft into the differential and spring pin into place. Install the transverse link and stabilizer temporarily to the front crossmember. Install the brake cable bracket. Lower the vehicle and tighten transverse link bolt to 43–51 ft. lbs. (59–69 Nm); stabilizer bolts to 14–22 ft. lbs. (20–29 Nm).
  23. Install the gearshift system. Install the driveshaft (4WD vehicles). Install the starter, pitching stopper, timing hole plug, air intake boot and speedometer cable. Reconnect all electrical and vacuum connectors.
  24. Connect the clutch cable and Hill Holder. Install the front exhaust pipe. Connect the oil cooler lines. Install and tighten the torque converter mounting bolts to 17–20 ft. lbs. (23–26 Nm).
  25. Connect the negative battery cable, check the transaxle fluid level and test drive the vehicle.
Brat, 1800 Sedan/Station Wagon, Loyale and XT Coupe
2WD AND 4WD NON-ELECTRONIC 3 AND 4-SPEED TRANSAXLES
  1. Disconnect the negative battery cable.
  2. Remove clamp from spare tire supporter and remove the spare tire.

    NOTE: Use care when removing spare tire assembly from the vehicle.

  3. Remove spare tire supporter and battery clamp.
  4. Remove speedometer cable and retaining clip. Before disconnecting speedometer cable, remove front exhaust pipe on 4-speed automatic transaxle.
  5. Unplug the following electrical harness connections on the 3-speed automatic transaxle:
    1. Oxygen sensor connector
    2. ATF temperature switch connector
    3. Kickdown solenoid valve connector
    4. 4WD solenoid valve connector on 4WD equipped vehicles
  6. Unplug the following electrical harness connections on the 4-speed automatic transaxle:
    1. Oxygen sensor connector
    2. Transaxle harness connector
    3. Inhibitor switch connector
    4. Revolution sensor connector on 4WD equipped vehicles
  7. Disconnect the diaphragm vacuum hose on 3-speed automatic transaxle and 4WD vacuum hose on 4WD equipped vehicles.
  8. Remove clip band which secures air breather hose to pitching stopper.
  9. Remove the pitching stopper rod. Remove the starter.
  10. Remove timing hole inspection plug and remove the 4 bolts which hold torque converter to driveplate.
  11. Support the engine assembly with special engine support tool 926610000 or equivalent.
  12. Remove engine-to-transaxle mounting nut and bolt on the right side.
  13. Remove the exhaust system.

    NOTE: Apply a penetrating oil or equivalent to all exhaust retaining nuts in advance to facilitate removal.

  14. On turbocharged vehicles, remove accelerator cable cover and upper and lower turbocharger covers. Remove the center exhaust pipe at turbocharger location and at rear exhaust pipe. Remove any exhaust brackets or hangers that attach to the transaxle, as necessary.
  15. On non-turbocharged vehicles, disconnect front exhaust pipe from the engine and from the rear exhaust pipe. Remove any exhaust brackets or hangers that attach to the transaxle as necessary.
  16. Drain all transaxle fluid from the oil pan.
  17. Remove the driveshaft on 4WD vehicles. Plug the opening at the rear of extension housing to prevent oil from flowing out.
  18. Disconnect the linkage rod for a 3-speed or cable for a 4-speed. from the select lever.
  19. Remove stabilizer from transverse link by loosening (not removing) nut and bolt on the lower side of plate.
  20. Remove parking brake cable bracket from transverse link and bolt holding transverse link to crossmember on each side. Lower the transverse link.
  21. Remove spring pin and separate axle shaft from transaxle on each side.

    NOTE: Use a suitable tool to remove spring pin. Discard old spring pin and always install a new pin.

  22. Disconnect the axle shaft from transaxle on each side. Be sure to remove axle shaft from transaxle by pushing the rear of tire outward.
  23. Remove engine-to-transaxle mounting nuts.
  24. Disconnect oil cooler hoses and oil supply pipe. Be careful not to damage the oil supply pipe O-ring.
  25. Place transaxle jack or equivalent under transaxle. Always support transaxle case with a transaxle jack.

    NOTE: Do not place jack under oil pan otherwise oil pan may be damaged.

  26. Remove rear cushion rubber mounting nuts and rear crossmember. Move torque converter and transaxle as a unit away from the engine. Remove the transaxle.

    To install:

  27. Install transaxle to engine and temporarily tighten engine-to-transaxle mounting nuts.
  28. Install rear crossmember to rear cushion rubber mounts. Align rear cushion guide with rear crossmember guide hole and tighten nuts.
  29. Install rear crossmember to chassis. Be careful not to damage threads. Tighten rear crossmember bolts to 39–49 ft. lbs. (52–67 Nm).
  30. Tighten engine to transaxle nuts on the lower side to 34–40 ft. lbs. (46–54 Nm). Remove transaxle jack from the vehicle.
  31. Install axle shaft to transaxle and install spring pin into place.

    NOTE: Always use new spring pin. Be sure to align the halfshaft and shaft from the transaxle at chamfered holes and engage shaft splines correctly.

  32. Install transverse link temporarily to front crossmember by using bolt and self-locking nut. Do not complete final tighten at this point.
  33. Install stabilizer temporarily to transverse link. Install parking brake cable bracket to transverse link.
  34. Connect the linkage rod for a 3-speed or cable for a 4-speed to the select lever. Make sure the lever operates smoothly all across the operating range.
  35. The remainder of installation is the reverse of removal. Tighten each component to specifications.
  36. Connect the battery ground cable. Refill and check transaxle oil level. Road test vehicle for proper operation across all operating ranges.
Impreza, Legacy, SVX and XT Coupe
4-SPEED ELECTRONIC TRANSAXLE

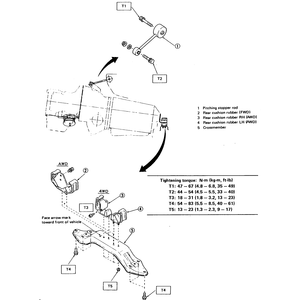
Fig. 3: Engine and transaxle mounts — Impreza and Legacy

Fig. 4: Engine and transaxle mount assembly — SVX

  1. Disconnect the negative battery cable.
  2. Remove speedometer cable or electronic wiring connector from speed sensor.
  3. Unplug the following electrical harness connections on the automatic transaxle:
    1. Oxygen sensor connector
    2. Transaxle harness connector
    3. Inhibitor switch connector
    4. Revolution sensor connector on 4WD equipped vehicles
    5. Crankshaft and camshaft angle sensor connector on Legacy vehicles
    6. Knock sensor connectors and transaxle ground terminal on Legacy vehicles
  4. Remove clip band which secures air breather hose to pitching stopper.
  5. Remove the starter and air intake boot.
  6. Remove timing hole inspection plug and remove the 4 bolts which hold torque converter to driveplate.
  7. Disconnect pitching stopper rod from bracket.
  8. Remove engine to transaxle mounting nut and bolt on the right side.
  9. Remove the buffer rod from the vehicle. Support the engine assembly with special engine support tool or equivalent.
  10. Remove the exhaust system. Remove exhaust brackets or hangers that attach to the transaxle, as necessary.
  11. Matchmark and remove the driveshaft on 4WD vehicles. Plug the opening at the rear of extension housing to prevent oil from flowing out.
  12. Disconnect the gear shift cable from the transaxle select lever.
  13. Remove stabilizer from transverse link.
  14. Remove parking brake cable bracket from transverse link and bolt holding transverse link to crossmember on each side. Lower the transverse link.
  15. Remove spring pin and separate halfshaft from transaxle on each side.

    NOTE: Use a suitable tool to remove spring pin. Discard old spring pin and always install a new pin.

  16. Disconnect the halfshaft from transaxle on each side. Be sure to remove axle shaft from transaxle by pushing the rear of tire outward.
  17. Remove engine to transaxle mounting nuts.
  18. Disconnect oil cooler hoses.
  19. Place transaxle jack or equivalent, under transaxle. Always support transaxle case with a transaxle jack.

    NOTE: Do not place jack under oil pan otherwise oil pan may be damaged.

  20. Remove rear cushion rubber mounting nuts and rear crossmember.
  21. Move torque converter and transaxle as a unit away from the engine. Remove the transaxle.

    To install:

  22. Install transaxle to engine and temporarily tighten engine to transaxle mounting nuts.
  23. Install rear crossmember to rear cushion rubber mounts. Align rear cushion guide with rear crossmember guide hole and tighten nuts.
  24. Install rear crossmember to chassis; be careful not to damage threads. Tighten rear crossmember bolts to 39–49 ft. lbs. (53–66 Nm).
  25. Tighten engine to transaxle retaining nuts to 34–40 ft. lbs. (46–54 Nm). Remove transaxle jack from the vehicle.
  26. Remove the engine support tool and install bufferrod. The remainder of installation is the reverse of removal. Tighten each component to specifications.
  27. Refill and check transaxle oil level. Road test vehicle for proper operation across all operating ranges.

Previous Next