Previous Next

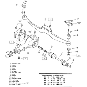
Rear Differential Carrier

REMOVAL & INSTALLATION

  1. Drain the differential oil (see Section 1).
  2. Raise the rear wheels and support the car on jackstands.
  3. Remove the exhaust pipe and muffler as outlined in the Engine Removal portion of Section 3.
  4. Remove the driveshaft and axle shafts.
  5. Support the differential carrier with a transmission jack.
  6. Remove the two nuts securing the differential to the rear mounting bracket.
  7. Remove the two bolts securing the differential to the front mounting bracket.
  8. Lower the jack and remove the differential.
  9. To install, reverse Steps 1 through 8. Observe the following specifications:

Previous Next