Previous Next

REAR AXLE

Axle Shafts

REMOVAL & INSTALLATION

Justy
2WD

Fig. 1: Removing or installing the rear brake backing plate assembly

Fig. 2: Correct spacer installation direction on the spindle — 2WD

Fig. 3: Locking the spindle nut in place by bending the lockwasher — 2WD

Fig. 4: Exploded view of the rear axle assemblies — 2WD and 4WD

  1. Raise and support the vehicle safely. Remove the tire and wheel assembly.
  2. Remove the dust cap. Straighten the locking washer edge. Remove the nut, lockwasher and washer.
  3. Remove the brake drum. Be sure not to drop the outer bearing.
  4. Remove the brake line bracket from the spindle housing.
  5. Loosen the bolts and remove the brake assembly. Suspend the assembly aside with wire.

    NOTE: If the brake drum cannot be removed by hand, use remover tool 92249300 or equivalent to remove the drum.

  6. Using floor jack, support the suspension under the lower control arm.
  7. Remove the strut-to-spindle bolts and nuts, remove the trailing link-to-spindle bolt and nut.
  8. Remove the spindle-to-lower arm bolt and nut. Remove the spindle.

    To install:

  9. Clean and inspect the spindle and spacer for damage for deformation. Replace as necessary.
  10. Attach the spindle housing to the lower arm and install the bolt and nut loosely at this time.
  11. Attach the trailing arm to the spindle and install the bolt nut loosely at this time.
  12. Install the strut to the spindle housing and install the bolts and nuts loosely at this time.
  13. Tighten the strut-to-spindle bolts and nuts to 72–87 ft. lbs. (98–118 Nm), the trailing link-to-spindle bolt and nut to 43–58 ft. lbs. (59–78 Nm) and the spindle-to-lower arm bolt and nut to 54–69 ft. lbs. (74–93 Nm).
  14. Install the remaining components in the reverse order of removal. Tighten each component to specifications.

    NOTE: Prior to installing the brake drum, make sure the spacer is installed in the correct direction on the spindle.

  15. Install the wheel and tire, lower the vehicle and test drive.
4WD

Fig. 5: Remove the cotter pin and castle nut — 4WD

Fig. 6: Removing or installing the axle spring pin

Fig. 7: Separating the halfshaft from the bearing housing

Fig. 8: Removing or installing the lower control arm at the bearing housing

Fig. 9: Make sure the conical spring is installed with the side marked "OUT'' toward the nut

  1. Raise and support the vehicle safely. Remove the tire and wheel assembly.
  2. Remove the dust cap. Remove the cotter pin and castle nut, conical spring and center piece.
  3. Remove the center piece by wedging flat tool between the separation while using a hammer to tap the center piece free.
  4. Pull the brake drum off by hand.
  5. Remove the brake line bracket from the axle bearing housing.
  6. Remove the brake backing plate mounting bolts and remove the backing plate assembly. Suspend the assembly aside with wire.
  7. Using the proper tools, drive out the spring pin connecting the halfshaft assembly to the differential.
  8. Remove the strut, lower link and trailing link. Pull the housing along with the halfshaft from its mounting.
  9. Separate the housing from the halfshaft, using removal tools 922493000 and 921122000 or their equivalent.

    To install:

  10. Join the housing and halfshaft. Install the strut, lower link and trailing link. Install the spring pin connecting the halfshaft assembly to the differential.
  11. Install the bearing housing to the lower arm and install the bolt and nut loosely at this time.
  12. Install the trailing arm to the bearing housing and install the bolt nut loosely at this time.
  13. Install the strut to the bearing housing and install the bolts and nuts loosely at this time.
  14. Tighten the strut-to-bearing housing bolts and nuts to 72–87 ft. lbs. (98–118 Nm), the trailing link-to-bearing housing bolt and nut to 43–58 ft. lbs. (59–78 Nm) and the spindle-to-lower arm bolt and nut to 54–69 ft. lbs. (74–93 Nm).
  15. Install the remaining components in the reverse order of removal. Tighten each component to specifications.
  16. Tighten the axle nut to 108 ft. lbs. (147 Nm). After tightening to specifications, tighten the axle shaft nut 30 degrees further. Install and new cotter pin.
  17. Test drive the vehicle.
Impreza and Legacy
2WD

Fig. 10: View of the rear spindle and lateral links — 2WD Impreza and Legacy

Fig. 11: View of the trailing link and its retaining bolt

Fig. 12: View of the rear spindle and strut assembly

Fig. 13: View of the removed hub unit and backing plate

Fig. 14: Exploded view of the axle and hub assembly — 2WD Impreza and Legacy

  1. Disconnect the negative battery cable.
  2. Raise the vehicle and support safely.
  3. Remove the wheels and unlock the axle nut. Remove the axle nut.
  4. Loosen the parking brake adjuster. Remove the disc brake assembly from the backing plate and suspend it with a wire from the strut.
  5. Remove the disc brake rotor from the hub and disconnect the end of the parking brake cable.
  6. Remove the bolts that retain the lateral link, trailing link and the strut to the rear spindle.
  7. Remove the rear spindle, backing plate and hub as a unit.
  8. The installation is the reverse of the removal procedure. Use the following values during installation.
    1. Rear spindle to strut assembly — 98–119 ft. lbs. (133–161 Nm).
    2. Rear spindle assembly to trailing link — 72–94 ft. lbs. (98–127 Nm).
    3. Rear spindle to lateral link — 87–116 ft. lbs. (118–157 Nm).
    4. Disc brake assembly to backing plate — 34–43 ft. lbs. (46–58 Nm).
    5. Axle nut — 123–152 ft. lbs. (167–206 Nm).
    6. Wheel nuts — 58–72 ft. lbs. (79–98 Nm).
4WD

Fig. 15: View of the lateral links and their fasteners—4WD Impreza and Legacy

Fig. 16: View of the trailing link and its retaining bolt

Fig. 17: Removal or installation of the axle spring pin

Fig. 18: Pressing the axle shaft from the bearing housing

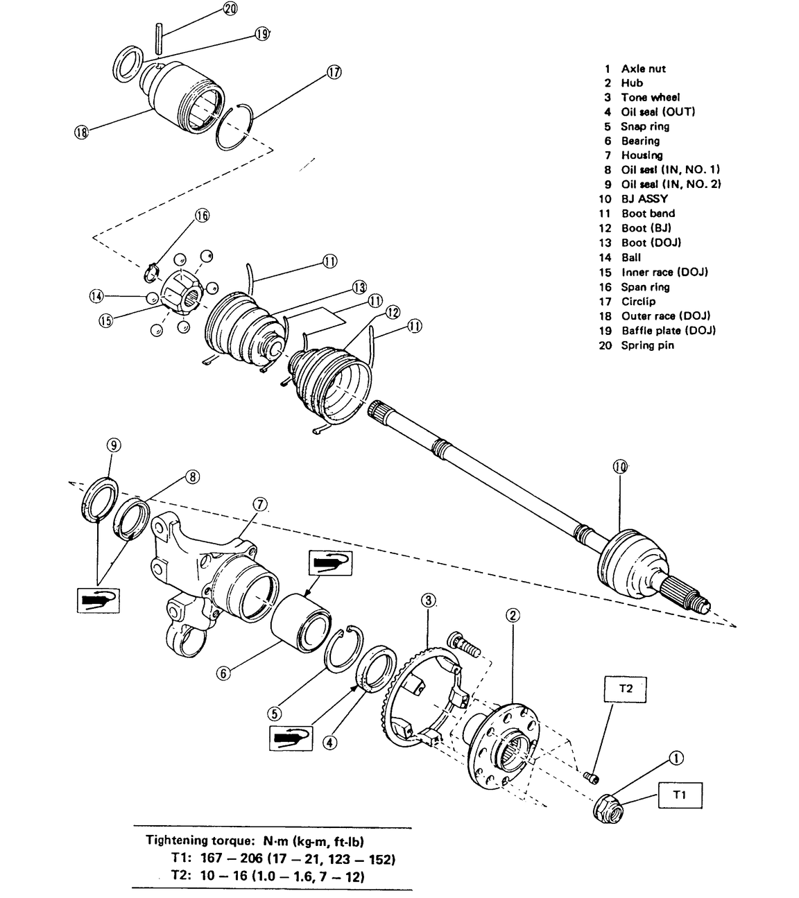
Fig. 19: Exploded view of the rear axle and hub assembly — 4WD Impreza and Legacy

  1. Disconnect the negative battery cable.
  2. Raise and support the vehicle safely.
  3. Unstake and remove the axle nut.
  4. Remove the sway bar bracket.
  5. Remove the lower control arm-to-rear housing bolt and nut.
  6. Remove the trailing link assembly-to-rear housing bolt and nut.
  7. Remove the halfshaft-to-differential roll pin.
  8. Disconnect the halfshaft from the differential.
  9. Using puller 92707000 or equivalent, remove the halfshaft from the hub.

    To install:

  10. Insert the halfshaft into the hub.
  11. Using installer 922431000 and adapter 927390000 or equivalent, pull the halfshaft into place.
  12. Install and temporarily tighten a new axle nut.
  13. Align the halfshaft-to-differential roll pin holes and slide the halfshaft onto the splines. Install a new roll pin.
  14. Connect the trailing link assembly to the rear housing. Install the bolt and new nut and tighten them to 94 ft. lbs. (127 Nm). Install all remaining components in the reverse order of removal.
SVX

Fig. 20: Exploded view of the rear axle and hub assembly — SVX

  1. Disconnect the negative battery cable.
  2. Raise and safely support the vehicle.
  3. Remove the tire and wheel assembly.
  4. Unstake and remove the axle nut.
  5. Move the parking brake lever forward.
  6. Disconnect the rear exhaust pipe.
  7. Remove the sway bar link.
  8. Remove the ABS sensor clamp and parking brake cable bracket from the trailing link.
  9. Remove the parking brake cable from the floor.
  10. Disconnect the brake hose from the strut.
  11. Remove the trailing link-to-knuckle through-bolt and nut.
  12. Remove the lateral link-to-knuckle through-bolt and nut.
  13. Disconnect the halfshaft from the differential carrier using a half shaft remover, 28099PA100, or the equivalent.
  14. Remove the halfshaft from the rear bearing assembly.

    To install:

  15. Install a new circlip on the inboard end of the halfshaft.
  16. Insert the outer joint through the hub splines. Using a halfshaft installer, pull the shaft into the hub completely.
  17. Install the inboard joint into the differential carrier.
  18. Once the splines are lined up the inner joint can be seated fully by pushing in on the knuckle.
  19. Line up the lateral links and install the through-bolt and nut and tighten to 86 ft. lbs. (118 Nm).
  20. Line up the trailing link and install the through-bolt and nut and tighten to 90 ft. lbs. (123 Nm).
  21. The remaining of installation is the reverse of removal. Secure all components accordingly.
  22. Install the axle nut and tighten to 138 ft. lbs. (186 Nm).
  23. Check the front end alignment and adjust as necessary.
Brat, Loyale, STD. and XT
2WD

Fig. 21: Exploded view of the rear axle hub and bearing components — 2WD models

  1. Raise and support the vehicle safely. Remove the tire and wheel assembly.
  2. Remove the dust cap. Straighten the lockwasher. Remove the nut, lockwasher and washer.
  3. Remove the brake drum. Be sure not to drop the outer bearing.
  4. Remove the brake line bracket from the spindle housing.
  5. Loosen the bolts and remove the brake assembly. Suspend the assembly aside with wire.
  6. Remove the damper strut, lower link and trailing link.
  7. Remove the spindle assembly retaining bolts. Remove the spindle from its mounting.

    To install:

  8. Install the spindle assembly, damper strut, lower link and trailing link. Tighten all bolts to specification.
  9. Install the brake assembly and brake line bracket. Install the brake drum.
  10. Install wheel and tire, lower the vehicle and test drive.
4WD

Fig. 22: Exploded view of the rear axle hub and bearing components — 4WD models

  1. Firmly apply the parking brake.
  2. Remove the rear wheel cap and the cotter pin, then loosen the castle nut.
  3. Disconnect the shock absorber from the inner arm.
  4. Loosen the crossmember outer bushing lock bolts. Remove the inner trailing arm to chassis bolt and the inner arm.
  5. Raise and support the vehicle safely. Remove the rear wheel assemblies.
  6. Using a 0.24 in. (6mm) diameter steel rod or a pin punch, drive the inner/outer spring pins from the double offset joints.
  7. With the trailing arm fully lowered, remove the ball joint from the trailing arm spindle and the inner double offset joint and the differential spindle.
  8. Remove the castle nut and the brake drum or rear wheel caliper If equipped, remove the brake caliper and properly position it aside. Do not disconnect the brake hose from the caliper.
  9. Disconnect and plug the brake hose from the inner arm bracket.
  10. If equipped with rear brake drums, remove the brake assembly from the trailing arm.
  11. Disconnect the inner arm from the outer arm and remove the inner arm from the vehicle.
  12. Secure the inner arm in a vise, then using a hammer and a punch, straighten the staked portion of the ring nut or remove the cotter pin from the castled nut. Using the wrench tool 925550000 or equivalent, remove the ring nut.
  13. Using a plastic hammer on the outside of the spindle, drive it inward to remove it.
  14. Clean, inspect and replace the necessary parts.

    To install:

  15. Using an arbor press and a piece of 1.38 in. (35mm) diameter pipe, insert the spindle from the inside and press the outer bearing's inner race from outside.
  16. Using the wrench tool 925550000 or equivalent, tighten the axle shaft ring nut to 127–163 ft. lbs. (172–221 Nm). Using a punch and a hammer, stake the ring nut, facing the ring nut groove or install a new cotter pin in the castled nut.
  17. To complete the installation, use new spring pins and reverse the removal procedures. Tighten the backing plate to axle housing bolts to 34–43 ft. lbs. (46–58 Nm), the axle spindle to axle housing nut to 145 ft. lbs. (196 Nm), and the shock absorber to inner arm bolt to 65–87 ft. lbs. (88–118 Nm). Bleed the brake system.
  18. After tightening the rear axle halfshaft to axle housing nut, tighten the axle shaft nut 30 degrees further to align cotter pin holes as required. Be careful not to install the double offset joint and the constant velocity joint oppositely.

Previous Next