Previous Next

Timing Belt Cover and Seal

REMOVAL & INSTALLATION

1.2L Engine

Fig. 1: Timing belt covers and components — 1.2L engine

  1. Disconnect the negative battery cable.
  2. Loosen the alternator-to-engine bolts, relax the drive belt tension and remove the drive belt from the front of the engine.
  3. Using a socket wrench (through the hole in the right fender) and the Crankshaft Pulley Wrench tool No. 499205500 or equivalent, remove the crankshaft pulley-to-crankshaft bolt and the pulley from the crankshaft.
  4. Remove the timing belt cover-to-engine bolts and the cover from the engine.
  5. Remove the rubber cover seal. Clean all mating surfaces.

    To install:

  6. Install a new timing belt cover seal.
  7. Install the timing belt cover and tighten the bolts securely to 8–9 ft. lbs. (10–12 Nm).
  8. Install the crankshaft pulley and tighten the bolt to 58–72 ft. lbs. (78–98 Nm).
  9. Install the accessory drive belt and tighten to the proper tension.
  10. Connect the negative battery cable.
1.8L Engine

Fig. 2: Timing belt covers and components — 1.8L engine

  1. Disconnect the negative battery cable.
  2. Loosen the water pump pulley mounting bolts.
  3. Loosen the alternator mounting bolts and remove the alternator belt.
  4. Remove the water pump pulley bolts and remove the water pump pulley.
  5. Disconnect the electrical harness from the oil pressure switch.
  6. Remove the dipstick tube.
  7. Remove the crankshaft pulley.
  8. Remove the timing belt cover plate, if equipped.
  9. Remove the timing belt cover bolts on the left, right, and center covers.
  10. Remove the timing belt covers.
  11. Remove the rubber cover seal. Clean all mating surfaces.

    To install:

  12. Install a new timing belt cover seal.
  13. Install the timing belt covers on the engine using the mounting bolts. Tighten the bolts to 48 inch lbs. (5 Nm).
  14. Install the timing belt cover plate, if removed.
  15. Install the crankshaft pulley, and tighten the bolt to 69–76 ft. lbs. (93–103 Nm)
  16. Install the dipstick tube. Install all reminaing components in the reverse order of removal.
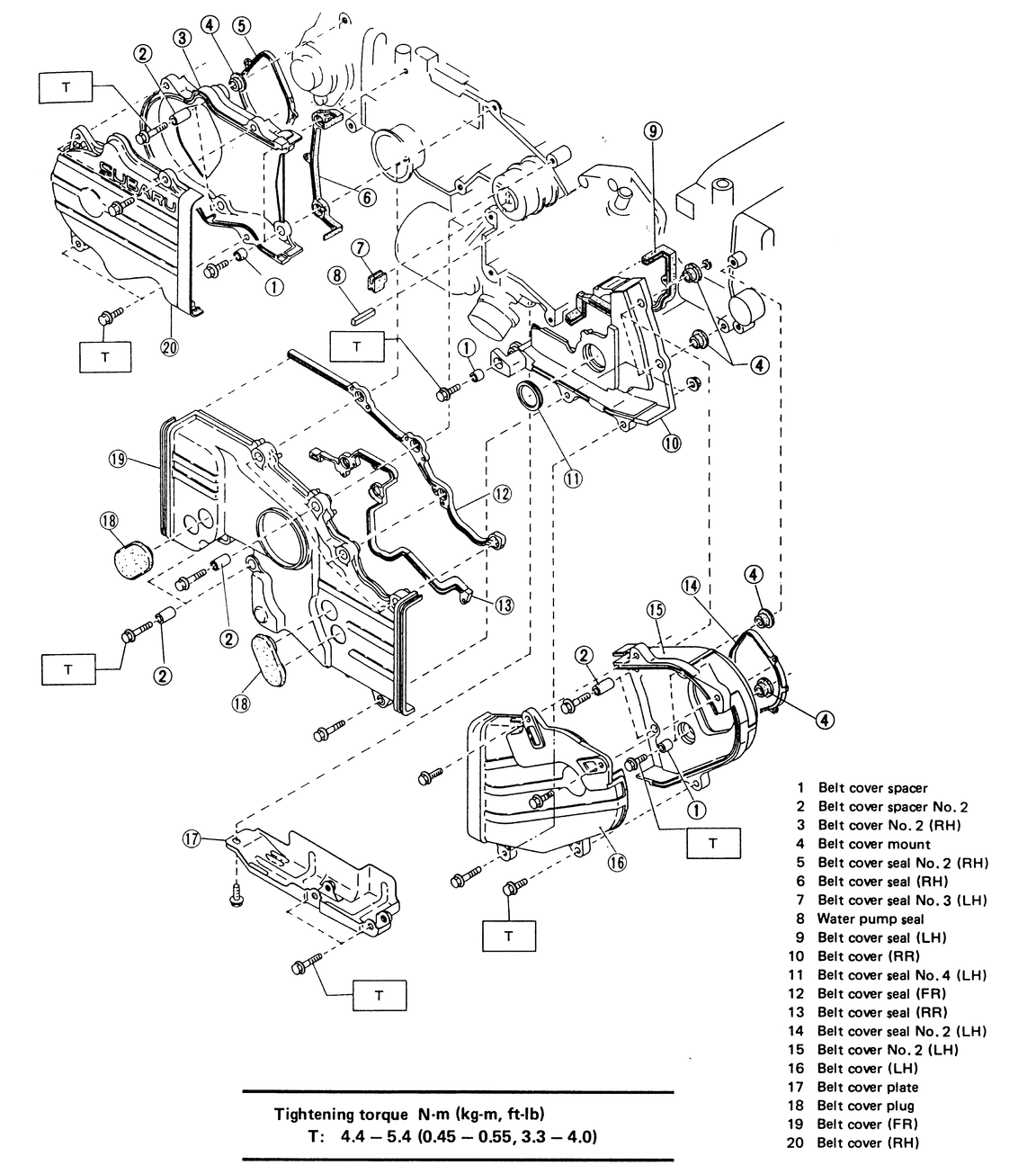
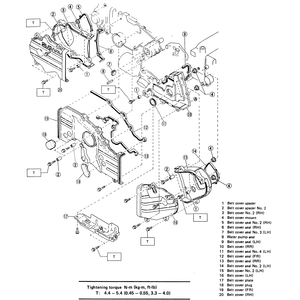
2.2L Engine

Fig. 3: Timing belt covers and components — 2.2L engine

  1. Disconnect the negative battery cable.
  2. Remove the accessory drive belts.
  3. Remove the power steering pump, alternator, air conditioner compressor brackets.
  4. Secure the crankshaft pulley with tool No. 499977000 or equivalent.
  5. Remove the crankshaft pulley bolt and pulley.
  6. Remove the timing belt cover mounting bolts.
  7. Remove the belt covers.
  8. Remove the rubber cover seal. Clean all mating surfaces.

    To install:

  9. Install a new timing belt cover seal.
  10. Install the belt covers and tighten the bolts to 36–48 inch lbs. (4–5 Nm).
  11. Install the crankshaft pulley and tighten the bolt to 69–76 ft. lbs. (93–103 Nm).
  12. Install the power steering pump, alternator, air conditioner compressor and associated brackets.
  13. Install the accessory drive belts.
  14. Connect the negative battery cable.
2.5L Engine
  1. Disconnect the negative battery cable.
  2. Disconnect the radiator electric fan motor wiring connectors.
  3. Remove the coolant reservoir tank.
  4. Remove the four bolts that secure the radiator shroud and remove the fan assembly.
  5. Position the No. 1 piston to TDC of its compression stroke.
  6. Remove the drive belt and the A/C compressor drive belt tensioner.
  7. Remove the accessory drive belt cover.
  8. Secure the crankshaft pulley with tool No. ST499977000 or equivalent.
  9. Remove the crankshaft pulley bolt and pulley.
  10. Remove the left timing belt cover mounting bolts and remove the left cover.
  11. Remove the right timing belt cover mounting bolts and remove the right cover.
  12. Remove the center timing belt cover mounting bolts and remove the center cover.
  13. Remove the timing belt cover rubber seal and discard.

    To install:

  14. Install a new timing belt cover rubber seal.
  15. Install the center, right then the left timing belt covers and tighten the bolts to 44 inch lbs. (5 Nm).
  16. Install the crankshaft pulley and tighten the bolt to 94 ft. lbs. (127 Nm).
  17. Install the A/C compressor drive belt tensioner and install the drive belts. Install the fan shroud and fan motor assembly.
  18. Install the accessory drive belt cover.
  19. Connect the negative battery cable.
2.7L Engine

Fig. 4: Timing belt cover and components — 2.7L engine

  1. Disconnect the negative battery cable.
  2. Remove the drive belts.
  3. Remove the nut securing the power steering pump pulley and remove the pulley.
  4. Remove the alternator and belt cover bracket.
  5. Remove the power steering pump bracket.
  6. Remove the A/C belt tensioner bracket.
  7. Remove the A/C compressor and set aside with the lines attached then detach the bracket.
  8. Remove the crankshaft pulley bolt and pulley.
  9. Remove the timing belt cover mounting bolts and remove the left, right and center covers.
  10. Remove the timing belt cover seal.

    To install:

  11. Install a new timing belt cover seal.
  12. Install the center, right and left covers. Tighten the cover mounting bolts to 48 inch lbs. (5 Nm).
  13. Install the crankshaft pulley and tighten the mounting bolt to 115 ft. lbs. (157 Nm).
  14. Attach the A/C compressor bracket then secure the assembly to the engine.
  15. Install the power steering pump and alternator and belt cover brackets. Next, attach the power steering pump pulley. Install the drive belts.
  16. Connect the negative battery cable.
3.3L Engine

Fig. 5: Timing belt cover and components — 3.3L engine

  1. Disconnect the negative battery cable.
  2. Remove the drive belts.
  3. Remove the nut securing the power steering pump pulley and remove the pulley.
  4. Remove the alternator and belt cover bracket.
  5. Remove the power steering pump bracket.
  6. Remove the A/C belt tensioner bracket. Unbolt the A/C compressor and set aside with the lines attached then remove bracket.
  7. Remove the crankshaft pulley bolt and slide the pulley off.
  8. Remove the timing belt cover mounting bolts and remove the left, right and center covers.
  9. Remove the timing belt cover seal.

    To install:

  10. Install a new timing belt cover seal.
  11. Install the center, right and left covers. Tighten the cover mounting bolts to 48 inch lbs. (5 Nm).
  12. Install the crankshaft pulley and tighten the mounting bolt to 115 ft. lbs. (157 Nm).
  13. Install the A/C compressor bracket and compressor. Install the power steering pump and alternator bracket.
  14. Install the power steering pump pulley and pulley mounting nut.
  15. Install the drive belts.
  16. Connect the negative battery cable.

Previous Next