Previous Next

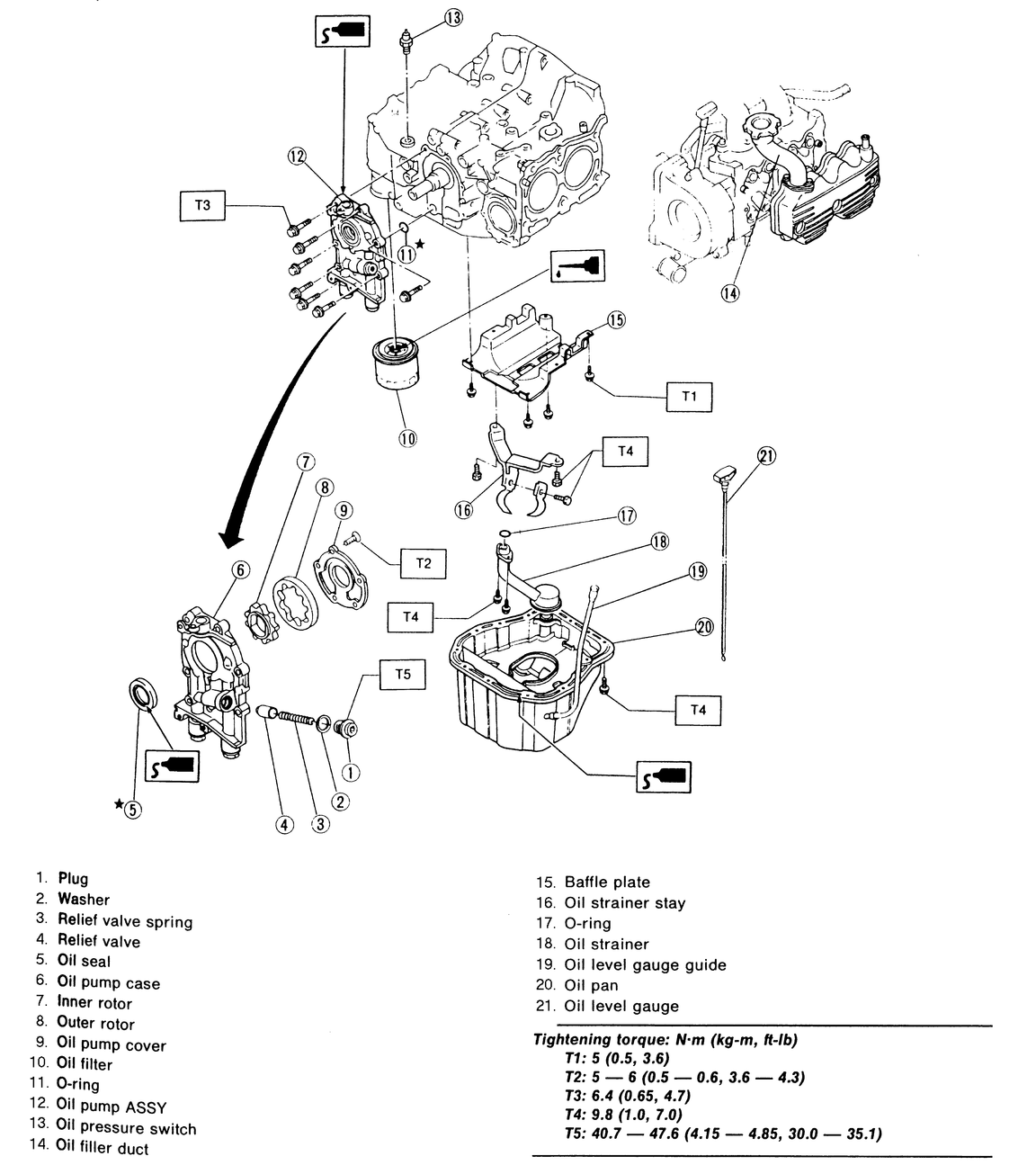
Oil Pan

REMOVAL & INSTALLATION

CAUTION
The EPA warns that prolonged contact with used engine oil may cause a number of skin disorders, including cancer! You should make every effort to minimize your exposure to used engine oil. Protective gloves should be worn when changing the oil. Wash your hands and any other exposed skin areas as soon as possible after exposure to used engine oil. Soap and water, or waterless hand cleaner should be used.

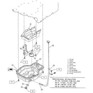
1.2L Engine

Fig. 1: Oil pan and lubrication components — 1.2L engine

  1. Disconnect the negative battery cable.
  2. Raise and safely support the vehicle on jackstands.
  3. Drain the engine oil into a suitable container.
  4. Remove the exhaust manifold cover.
  5. Remove the engine under cover.
  6. Disconnect the front and rear exhaust pipes from one another.
  7. Disconnect the rear exhaust pipe from the engine mount.
  8. Support the engine with a suitable fixture.
  9. Remove the pitching stopper.
  10. Remove the sway bar, if equipped.
  11. Remove the center transaxle mount.
  12. Remove the flywheel housing.
  13. Disconnect the air suction manifold pipe.
  14. Remove the oil pan mounting bolts, then remove the oil pan and oil pan plate.
  15. Clean all gasket material from both mating surfaces.
  16. Installation all components in the is the reverse order of removal.
  17. Install the oil pan plate and oil pan using a new gasket. Tighten the bolts in a crisscross pattern to 3–4 ft. lbs. (4–5 Nm).
  18. Lower the vehicle, refill the crankcase with oil.
  19. Connect the negative battery cable and start the vehicle and check for leaks.
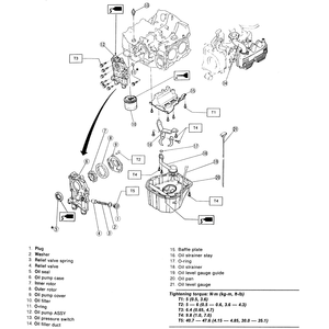
1.6L, 1.8L and 2.7L Engines

Fig. 2: Oil pan and lubrication components — 1.6L, 1.8L and 2.7L engines

  1. Raise and safely support the vehicle on jackstands.
  2. Drain the engine oil into a suitable container.
  3. Remove the oil pan mounting bolts.

    NOTE: It may be necessary to remove the motor mount bolts and jack up the engine slightly to remove the oil pan.

  4. Tap the oil pan with a plastic-faced hammer to break the seal between the pan and the engine block.
  5. Remove the oil pan from the engine, guiding it past the oil strainer.
  6. Clean all gasket material from both mating surfaces.
  7. Installation is the reverse of removal. Apply a bead of sealer around the lip of the oil pan and set the gasket in place on the sealer.
  8. Position the oil pan to the engine block tighten the bolts in a cross pattern to 4 ft. lbs. (5 Nm).
  9. Tighten the oil pan drain plug to 18 ft. lbs. (25 Nm). Refill the crankcase with oil. Start the engine and check for leaks.
2.2L and 2.5L Engines

Fig. 3: Oil pan and lubrication components — 2.2L and 2.5L engines

  1. Raise and support the vehicle safely on jackstands.
  2. Drain the oil from the engine into a suitable container.
  3. Install the drain plug with a new gasket and tighten it to 33–36 ft. lbs. (43–47 Nm).
  4. Remove the air intake duct.
  5. Disconnect the oxygen sensor electrical connector.
  6. Remove the pitching stopper.
  7. Remove the upper radiator brackets.
  8. Remove the exhaust front Y-pipe.
  9. Remove the nuts which secure the front engine mounts to the front crossmember.
  10. Support the engine with a suitable lifting device.
  11. Lift up the engine slightly.
  12. Remove the bolts that secure the oil pan.
  13. While supporting the oil pan. use a rubber mallet and tap the oil pan to free it from the engine. Be sure to support the oil pan.
  14. Clean all gasket material from both mating surfaces.

    To install:

  15. Apply a continuous bead of sealer to a new oil pan gasket.
  16. Install the oil pan assembly. Tighten the bolts to 3–4 ft. lbs. (4–5 Nm).
  17. The remainder of installation is the reverse of removal. Tighen each component to specifcations.
  18. Fill the engine to the proper level with the recommended oil and run the engine. Check for leaks.
3.3L Engine

Fig. 4: Oil pan and lubrication components — 3.3L engine

  1. Disconnect the negative battery cable.
  2. Disconnect the left side O2sensor connector.
  3. Remove the bolts securing the dipstick tube to the cylinder head.
  4. Raise and safely support the vehicle on jackstands.
  5. Drain the engine oil into a suitable container.
  6. Remove the engine under covers.
  7. Remove the left side exhaust manifold cover, front pipe and left exhaust manifold.
  8. Remove the rack and pinion mounting bolts.
  9. Disconnect the dipstick tube from the oil pan.
  10. Remove the oil pan mounting bolts.
  11. Remove the oil pan and gasket.
  12. Clean all gasket material from both mating surfaces.
  13. Clean all gasket surfaces completely.
  14. Install the oil pan using a new gasket. Tighten the mounting bolts to 4 ft. lbs. (5 Nm).
  15. Connect the dipstick tube to the oil pan.
  16. The remainder of installation is the reverse of removal.
  17. Refill the engine with oil. Connect the negative battery cable.

Previous Next