Previous Next

Door Glass

REMOVAL & INSTALLATION

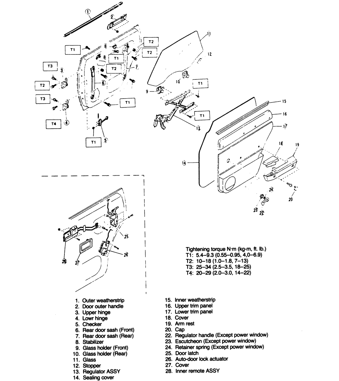
Fig. 1: Exploded view of front door and glass

Fig. 2: Exploded view rear door and glass

  1. Remove the trim panel.
  2. Remove the remote assembly (if so equipped).
  3. Remove the sealing cover.
  4. Remove the rear view mirror from the door.
  5. Remove the outer weatherstrip.
  6. Remove the inner stabilizer.
  7. Loosen the upper stopper bolt from the front of door and glass stoppers, then move the door glass.
  8. Remove the upper stopper from the rear of the door.
  9. Remove the two bolts which hold the glass holder to the regulator slider.

    NOTE: When removing bolts on the regulator slider, move the glass to a position where the bolts can be seen through the service hole. Mark the position and tightening allowance of upper stopper bolts before removal. This will make adjustment after installation easy.

  10. Open the door, hold the door glass with both hands and pull it straight up from the door panel.
  11. Installation is the reverse of removal.

Previous Next