Previous Next

Rear Differential Carrier

REMOVAL & INSTALLATION

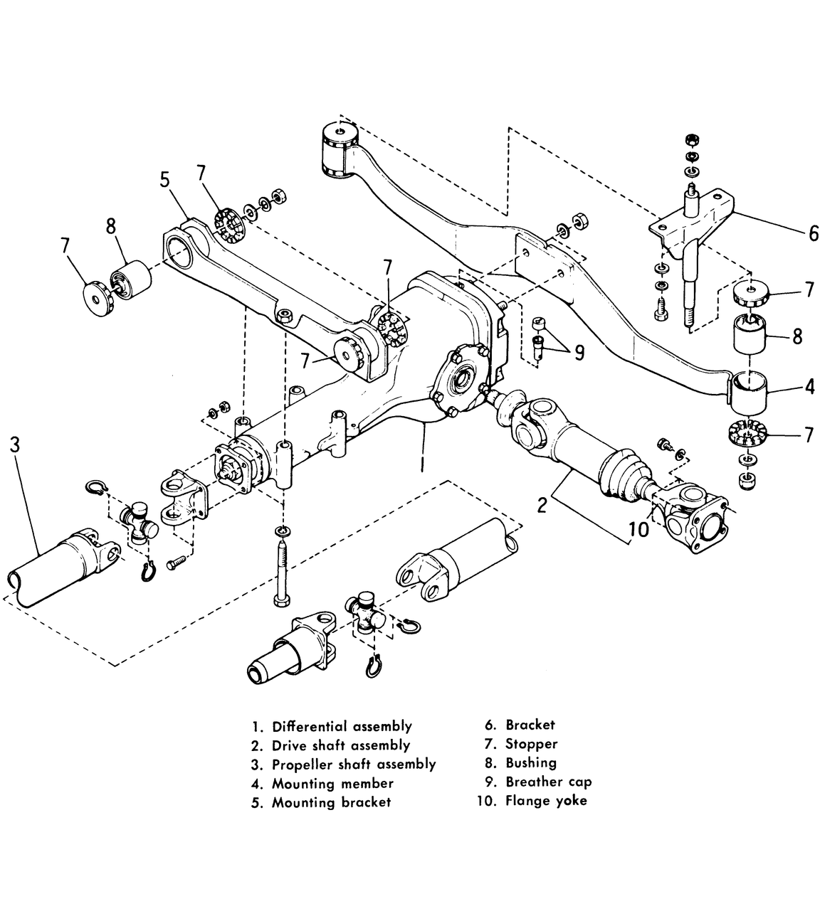
Fig. 1: Exploded view of the rear differential mounting and components

Fig. 2: Exploded view of the differential carrier

  1. Drain the differential oil as outlined in Section 1.
  2. Raise the rear wheels and support the car with jackstands.
  3. Remove the exhaust pipe and muffler as outlined in Section 3.
  4. Remove the driveshaft and axle shafts.
  5. Support the differential carrier with a jack.
  6. Remove the two nuts securing the differential to the rear mounting bracket.
  7. Remove the two bolts securing the differential to the front mounting bracket.
  8. Lower the jack and remove the differential.
  9. Installation is the reverse of removal.
  10. Observe the following torque specifications:

Previous Next