Previous Next

Alternator

When the ignition switch is turned ON current from the battery passes through the ignition switch to the voltage regulator. The current then passes through a series of resistors, points and coils and sends a small amount of current to the alternator post which is connected to the brushes. The brushes contact slip rings on the rotor and pass a small amount of current into the windings of the rotor. The current passing through the rotor coils creates a magnetic field within the alternator.

When the engine is started the rotor is turned by the fan belt. As the rotor turns a magnetic current is induced in the stationary windings, or stator, located in the alternator housing.

The current induced is alternating current (AC) and must be changed to direct current (DC): diodes are used for this purpose. The technical explanation of how a diode works is not important. The diode is a form of electrical check valve, allowing the current to flow one way but not the other. A negative diode will pass current in a negative direction, and a positive in a positive direction. The positive diodes make up the positive rectifier and the negative diodes make up the negative rectifier.

The stationary windings, or stator, are wound into three sets of windings or phases. Each phase winding is connected to a positive and a negative diode. When the phase winding is passing positive current, the current will flow through the positive diode to the output terminal of the alternator. When the phase winding is passing negative current, the negative diode allows the returning current from the grounded circuit, to pass into the windings to complete the circuit.

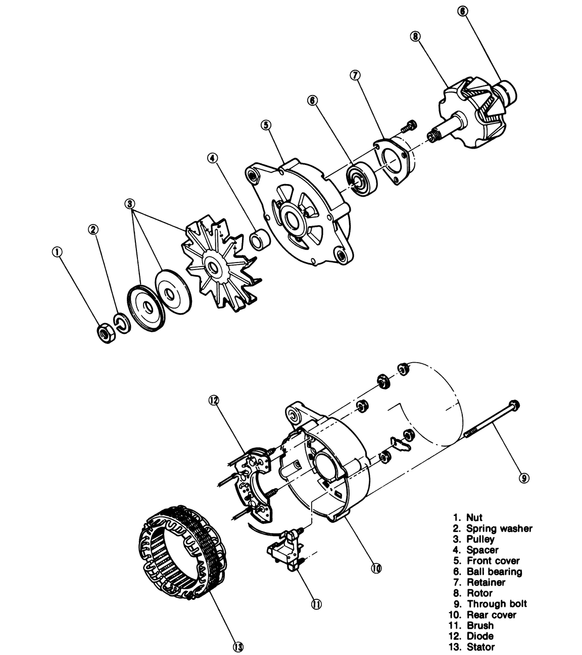
Fig. 5: Exploded view of the alternator

The direct current flowing from the alternator output terminal to the battery is used to provide current for the electrical system and to recharge the battery. As electrical demand increases the voltage regulator senses the need and directs more current to pass through the rotor, increasing the magnetic field. This produces greater induction voltage which increases the output of the alternator. When the requirements of the electrical system decrease the voltage regulator reduces the current flowing through the rotor, lowering the magnetic field and decreasing the output of the alternator.

Previous Next