Previous Next

ELECTRONIC IGNITION

Description & Operation

The breakerless ignition system was introduced on the California models in 1977, and all other models in 1980.

The electronic ignition differs from its conventional counterpart only in the distributor component area. The secondary side of the ignition system is the same as a conventional breaker points system.

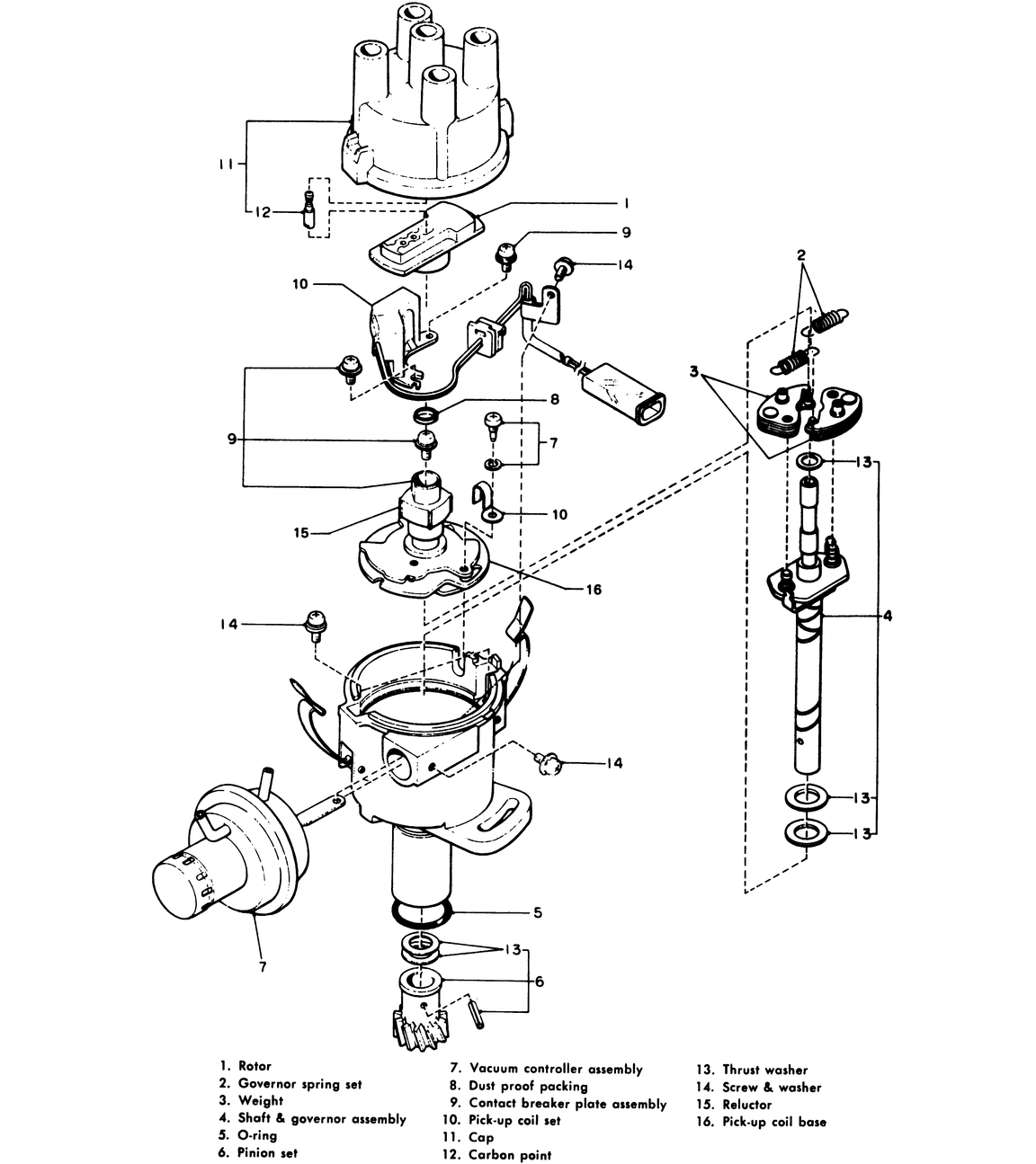
Located in the distributor, in addition to the normal ignition rotor, is a four spoke rotor (reluctor) which rests on the distributor shaft where the breaker points cam is found on earlier systems. A pick-up coil, consisting of a magnet, coil, and wiring, rests on the breaker plate next to the reluctor. The system also uses a transistor ignition unit mounted above the ignition coil on the fender well.

Fig. 1: Common electronic ignition circuit

Fig. 2: Common electronic ignition distributor used on models covered by this manual

When a reluctor spoke is not aligned with the pick-up coil, it generates large lines of flux between itself, the magnet, and the pick-up coil. This large flux variation results in a high generated voltage in the pick-up coil. When a reluctor spoke lines up with the pick-up coil, the flux variation is low. Thus, zero voltage is generated, allowing current to flow to the pick-up coil. Ignition primary current is then cut off by the electronic unit, allowing the field in the ignition coil to collapse, inducing high secondary voltage in the conventional manner. The high voltage then flows through the distributor to the spark plug, as usual.

Because no points or condenser are used, and because dwell is determined by the electronic unit, no adjustments are necessary. Ignition timing is checked in the usual way, but unless the distributor is disturbed it is not likely to ever change very much.

Service consists of inspection of the distributor cap, rotor, and ignition wires, replacing when necessary. These parts can be expected to last for at least 30,000 miles (48,000 km). In addition, the reluctor air gap should be checked periodically.

Previous Next