Previous Next

Road Test Check List

  1. Engine Performance: The vehicle should be peppy whether cold or warm, with adequate power and good pickup. It should respond smoothly through the gears.
  2. Brakes: They should provide quick, firm stops with no noise, pulling or brake fade.
  3. Steering: Sure control with no binding, harshness, or looseness and no shimmy in the wheel should be expected. Noise or vibration from the steering wheel when turning the vehicle means trouble.
  4. Clutch (Manual Transaxle): Clutch action should give quick, smooth response with easy shifting. The clutch pedal should have about 1–1 12 in. (26mm), of free–play before it disengages the clutch. Start the engine, set the parking brake, put the transaxle in first gear and slowly release the clutch pedal. The engine should begin to stall when the pedal is 12 to 34 of the way up.
  5. Automatic Transaxle: The transaxle should shift rapidly and smoothly, with no noise, hesitation, or slipping
  6. Differential: No noise or thumps should be present. Differentials have no normal leaks.
  7. Driveshaft, Universal Joints: Vibration and noise could mean driveshaft problems. Clicking at low speed or coast conditions means worn U–joints.
  8. Suspension: Try hitting bumps at different speeds. A vehicle that bounces has weak shock absorbers. Clunks mean worn bushings or ball joints.
  9. Frame: Wet the tires and drive in a straight line. Tracks should show two straight lines, not four. Four tire tracks indicate a frame bent by collision damage. If the tires can't be wet for this purpose, have a friend drive along behind you and see if the vehicle appears to be traveling in a straight line.

    MAINTENANCE INTERVAL CHART

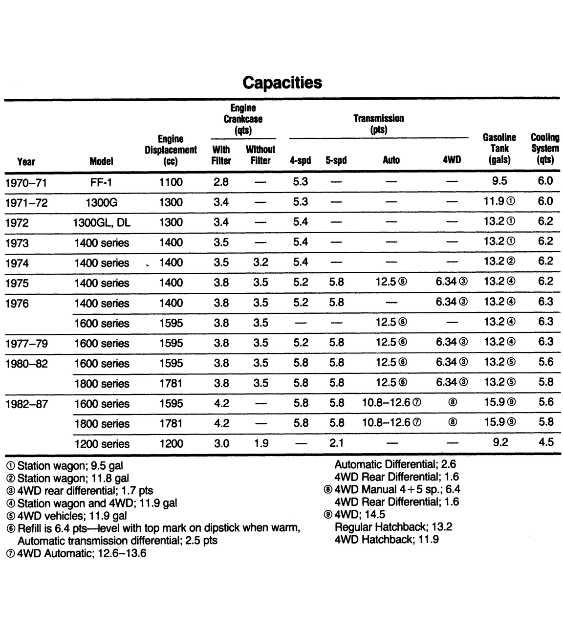
    CAPACITIES

Previous Next