AUTO STOP & GO (AS&G) SYSTEM






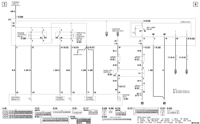
AUTO STOP & GO (AS&G) SYSTEM (CONTINUED)





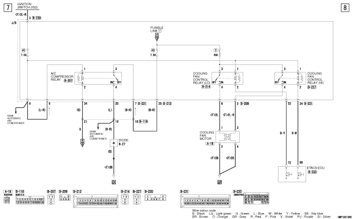
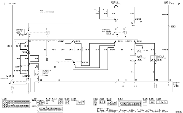
AUTO STOP & GO (AS&G) SYSTEM (CONTINUED)





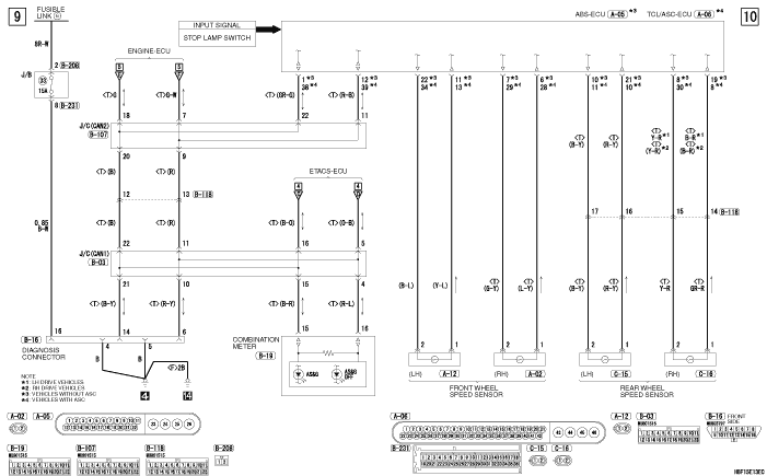
AUTO STOP & GO (AS&G) SYSTEM (CONTINUED)





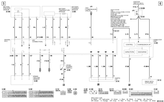
AUTO STOP & GO (AS&G) SYSTEM (CONTINUED)