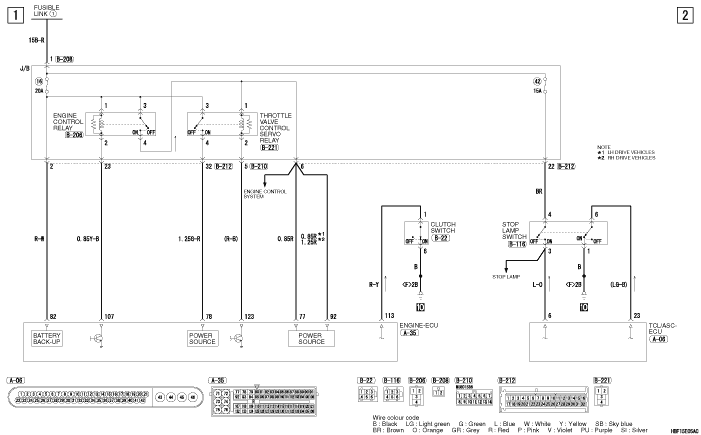
CRUISE CONTROL SYSTEM <4G1>






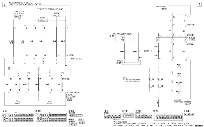
CRUISE CONTROL SYSTEM <4G1> (CONTINUED)





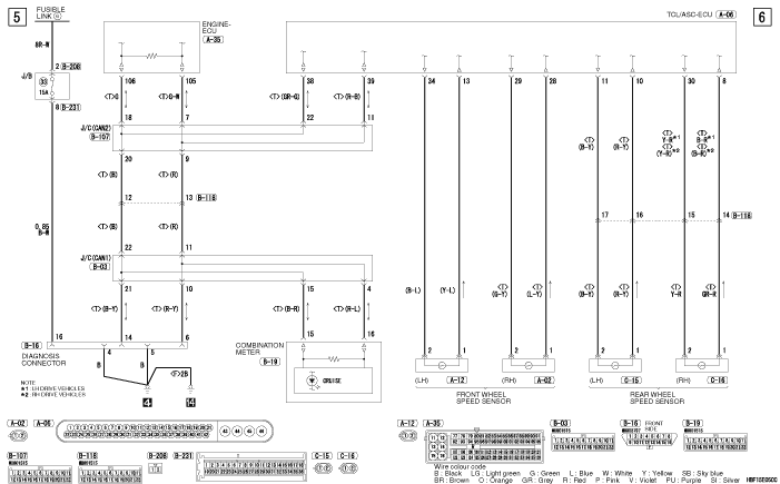
CRUISE CONTROL SYSTEM <4G1> (CONTINUED)