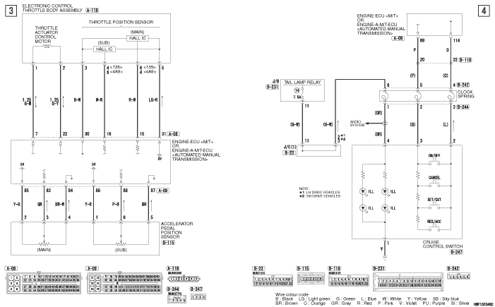
CRUISE CONTROL SYSTEM <135, 4A9>






CRUISE CONTROL SYSTEM <135, 4A9> (CONTINUED)





CRUISE CONTROL SYSTEM <135, 4A9> (CONTINUED)