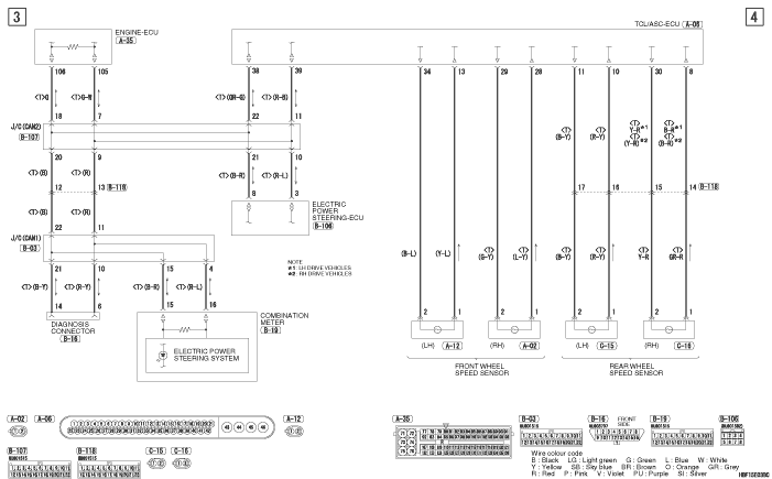
ELECTRIC POWER STEERING SYSTEM <4G1>






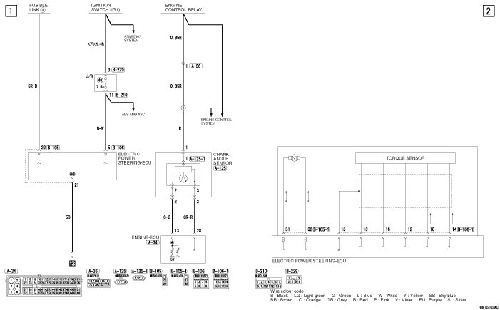
ELECTRIC POWER STEERING SYSTEM <4G1> (CONTINUED)