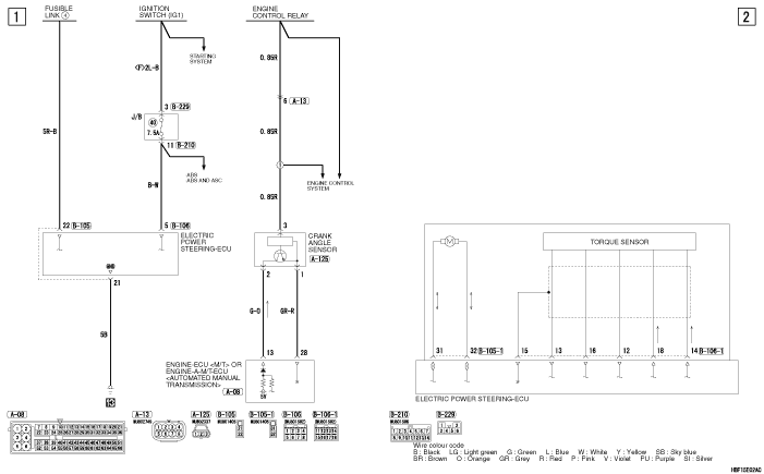
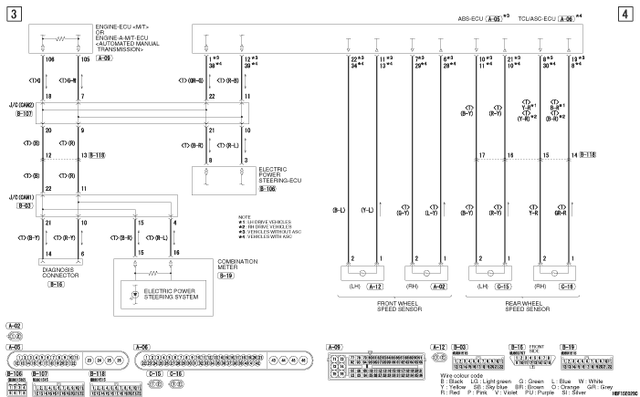
ELECTRIC POWER STEERING SYSTEM <134, 3A9, 135, 4A9>






ELECTRIC POWER STEERING SYSTEM <134, 3A9, 135, 4A9> (CONTINUED)