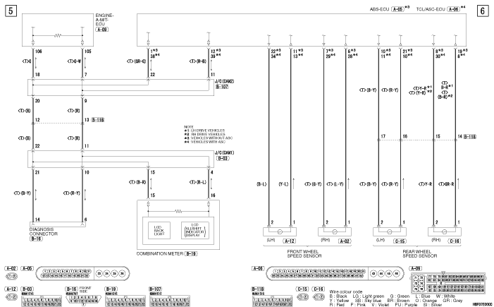
AUTOMATED MANUAL TRANSMISSION SYSTEM






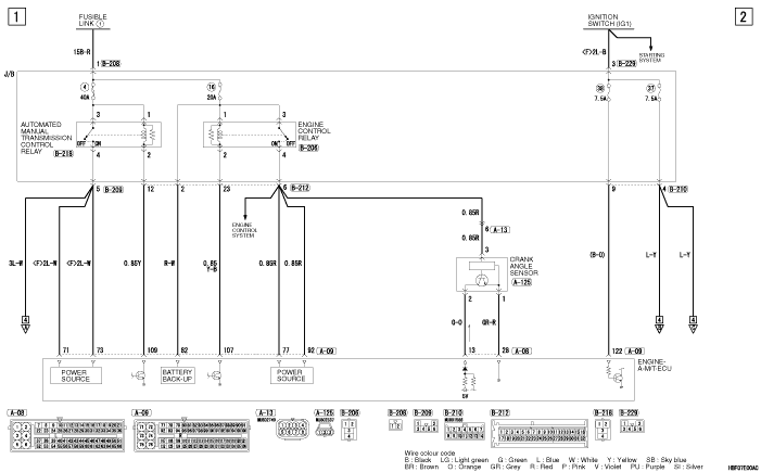
AUTOMATED MANUAL TRANSMISSION SYSTEM (CONTINUED)





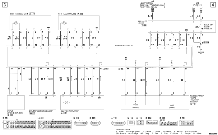
AUTOMATED MANUAL TRANSMISSION SYSTEM (CONTINUED)





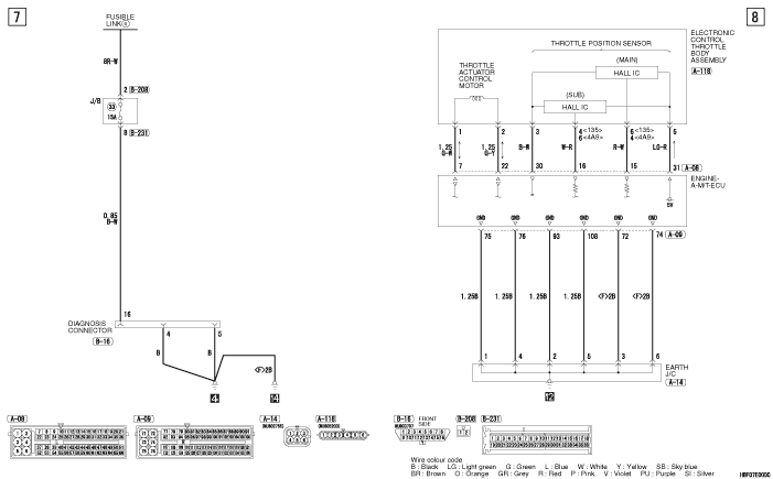
AUTOMATED MANUAL TRANSMISSION SYSTEM (CONTINUED)