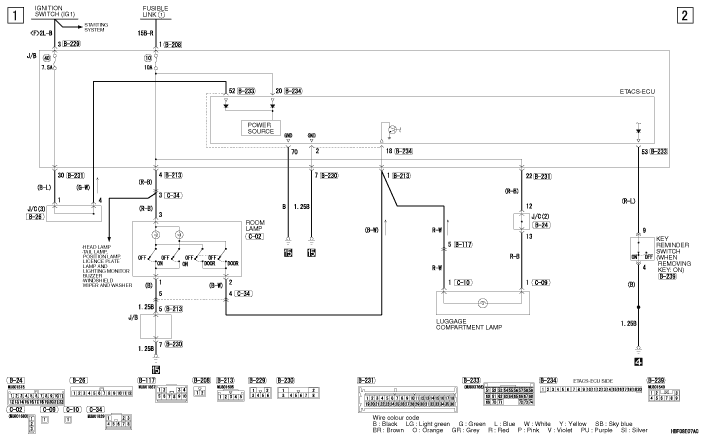
ROOM LAMP AND LUGGAGE COMPARTMENT LAMP <RH DRIVE VEHICLES>






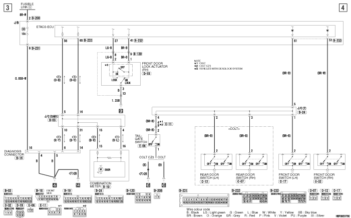
ROOM LAMP AND LUGGAGE COMPARTMENT LAMP <RH DRIVE VEHICLES> (CONTINUED)