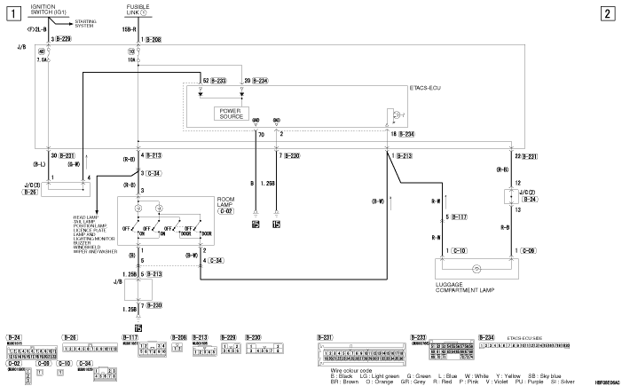
ROOM LAMP AND LUGGAGE COMPARTMENT LAMP <LH DRIVE VEHICLES>






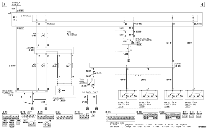
ROOM LAMP AND LUGGAGE COMPARTMENT LAMP <LH DRIVE VEHICLES> (CONTINUED)