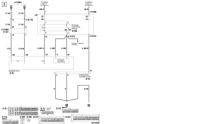
IMMOBILIZER SYSTEM <4G1 (LH DRIVE VEHICLES)>






IMMOBILIZER SYSTEM <4G1 (LH DRIVE VEHICLES)> (CONTINUED)