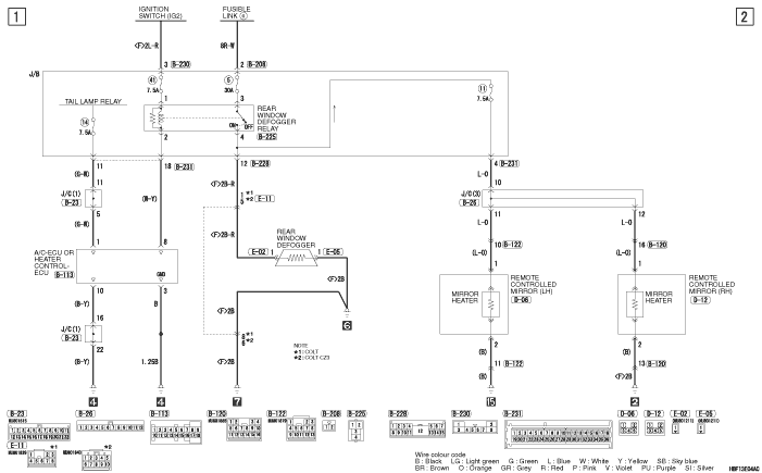
REAR WINDOW DEFOGGER AND DOOR MIRROR HEATER <RH DRIVE VEHICLES>