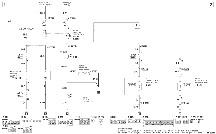
REAR WINDOW DEFOGGER AND DOOR MIRROR HEATER <LH DRIVE VEHICLES>