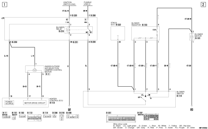
HEATER






HEATER (CONTINUED)