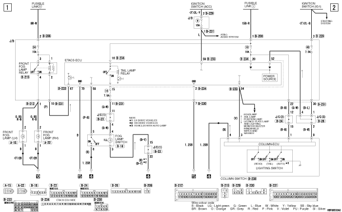
FRONT FOG LAMP






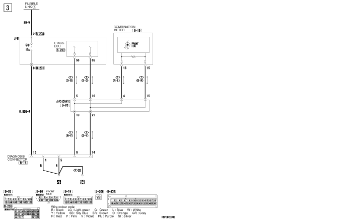
FRONT FOG LAMP (CONTINUED)