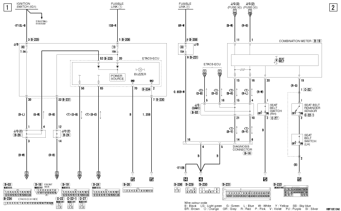
SEAT BELT WARNING BUZZER <RH DRIVE VEHICLES>